Tuesday, September 5th, 2017 AT 10:32 AM
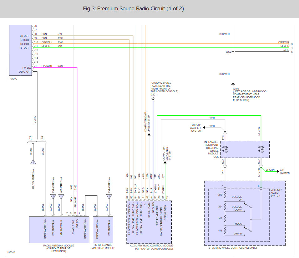
Hello, I got a new radio for my vehicle and when I installed it I connected everything correctly and got power to the radio but no sound, not a noise. But, the radio shows it is playing. It does have a built in amp. How could I fix this? Could I take the amp out? I talked to a stereo place and they said I need a $90.00 kit, but I think there just trying to get me to buy their stuff.





