Monday, February 3rd, 2020 AT 6:42 AM
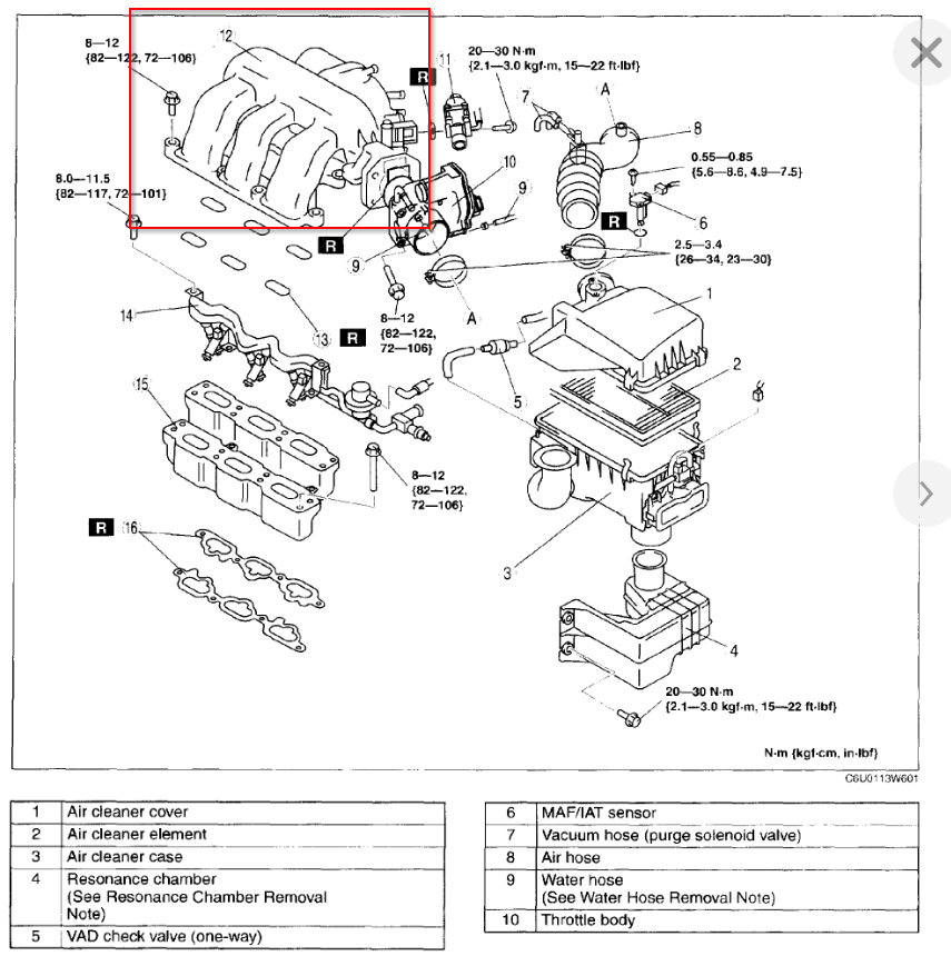
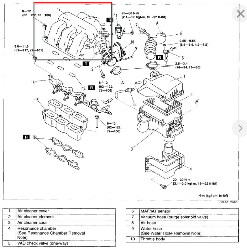
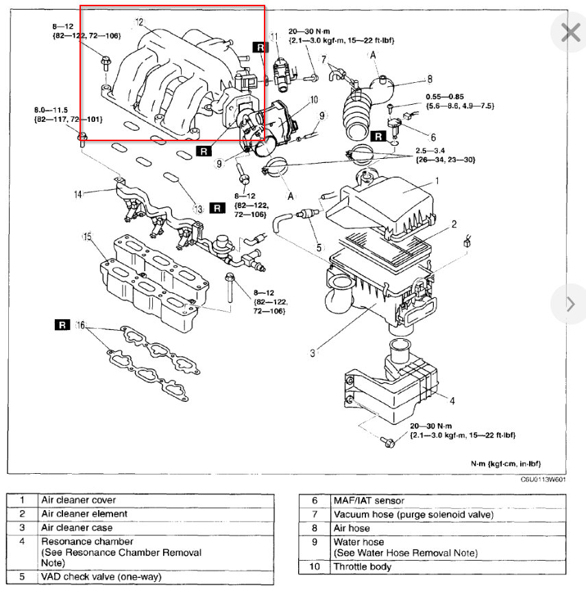
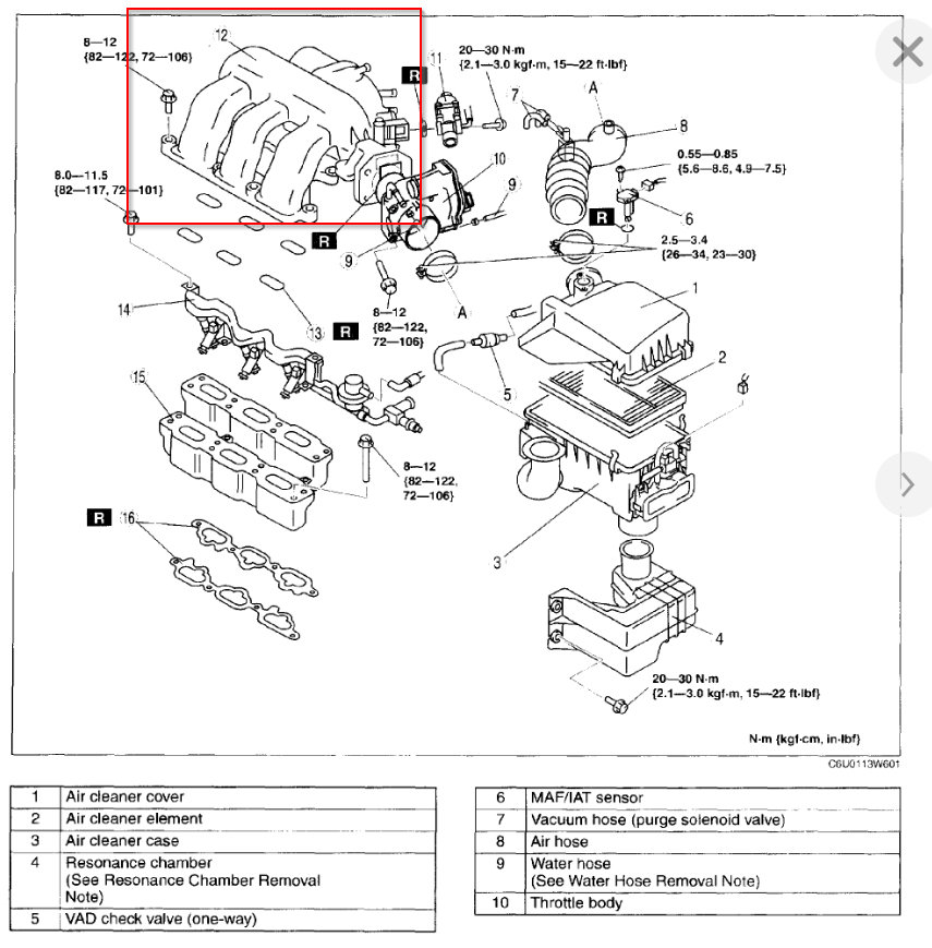
I bought the car at auction, which exhibits a no start. After multiple failures I was able to get it start, but only when the intake manifold is off. As soon as I mount the intake to the block, it wont start. Please help me understand what is happening.






