well, i think a fuse popped or something in my car. now my light's won't work neither will my radio?
Aug 21, 2020 at 6:30 PM
Repair Safety Notice:
This information is for general instructional purposes only. Vehicle repair can be dangerous.
Verify all information, follow manufacturer service procedures, use proper tools and safety equipment,
and consult a qualified repair shop when needed.
Advertisement
KASEKENNY
CAR REPAIR CONTRIBUTOR
18,907 POSTS
Can you let us know what lights will not work? Headlights, interior lights, brake lights?
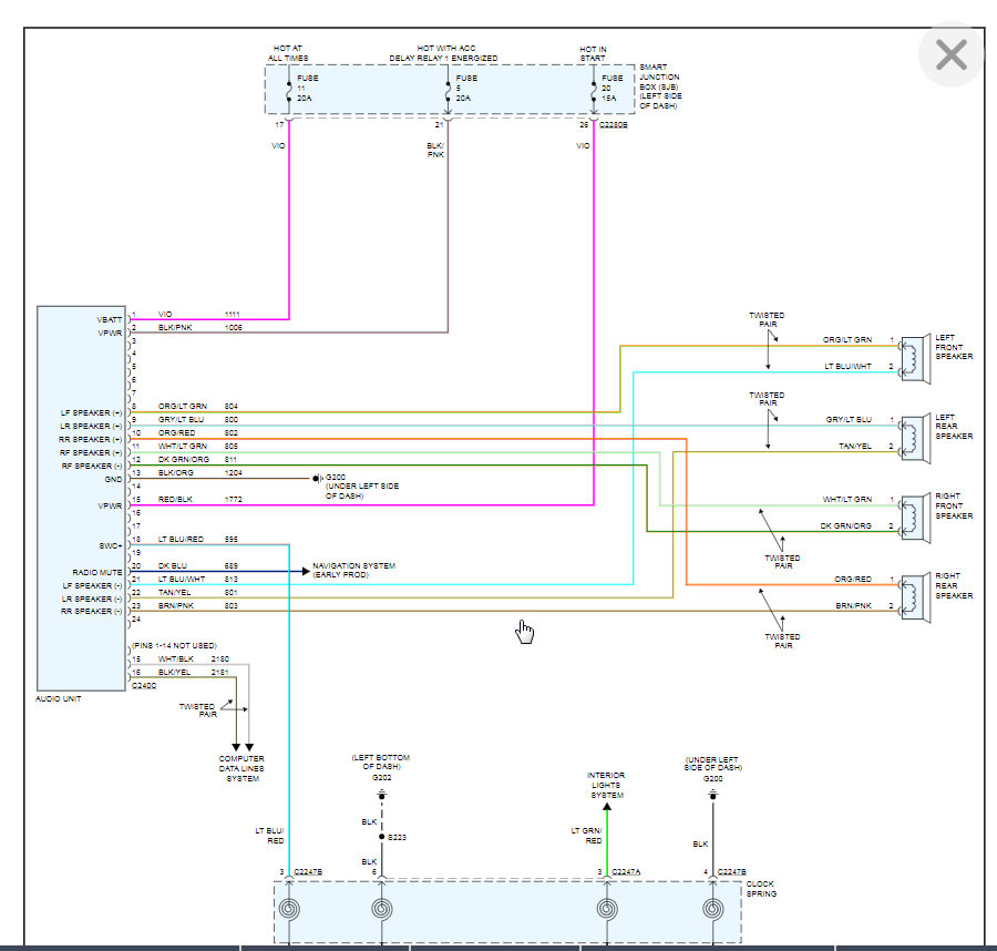
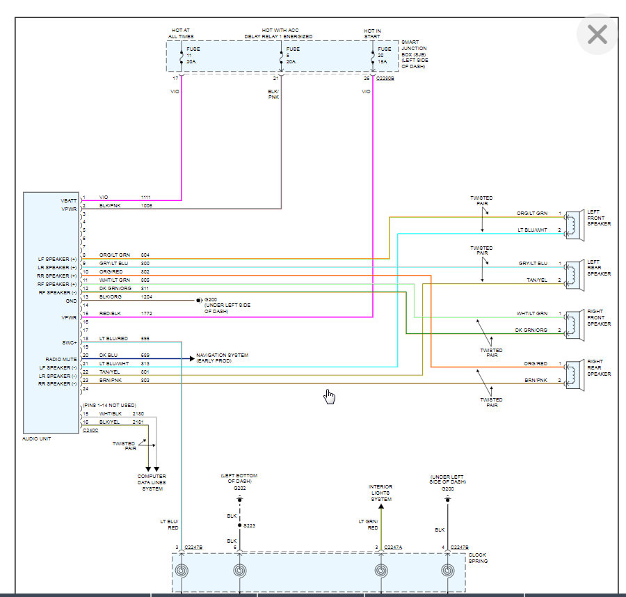
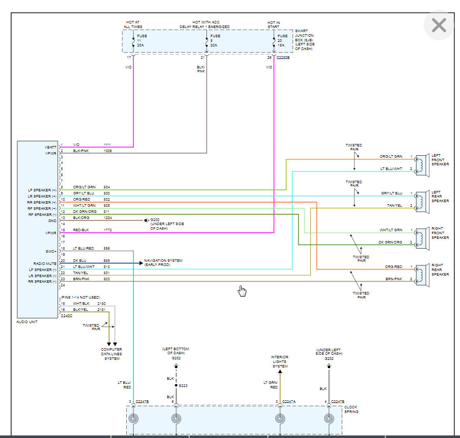
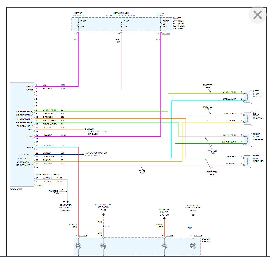
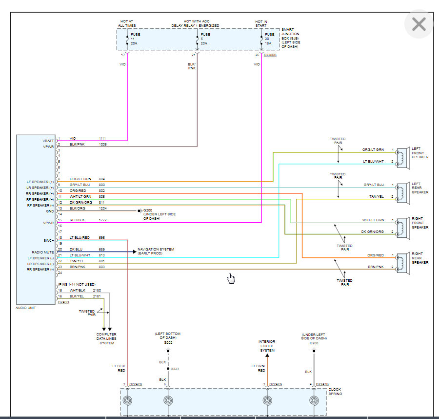
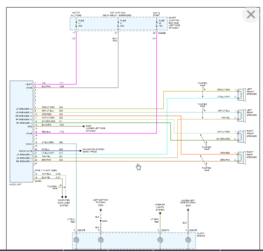
Also, you have a number of fuses tied to the radio. I attached that wiring diagram so we need to start with checking these fuses and replace any that are blown.
Let me know what lights are effected and we can figure out what they may have in common.