Car cranks over but will not start

Tiny
HEADRICK1970
  • MEMBER
  • 1997 NISSAN MAXIMA
  • 3.0L
  • V6
  • 2WD
  • AUTOMATIC
  • 200,000 MILES
I've replaced starter, ignition, MAP sensor, all fuses, alternator, new battery and terminals. When engine cranks the starter drags but won't start. What could be the problem?
Wednesday, July 8th, 2020 AT 12:13 AM

2 Replies

Tiny
JACOBANDNICKOLAS
  • MECHANIC
  • 110,194 POSTS
Hi,

When you say the starter drags, does it sound differently than usual?

As far as the no start, have you checked to see if there is spark and fuel the engine? One is likely missing Take a look through this link.

https://www.2carpros.com/articles/car-cranks-but-wont-start

Also, I need you to try something. See if the engine starts when you use starting fluid. If it starts for a couple seconds and then stalls, then we know it's a fuel related issue. If it does not even try, then it's likely ignition related.

Try that and let me know what you find. Also, let me know if you have access to a live data scanner. If possible, record the the engine when it's cranking so I can hear it.

Take care,
Joe
Was this
answer
helpful?
Yes
No
Wednesday, July 8th, 2020 AT 5:58 PM
Tiny
4DRTOM
  • MECHANIC
  • 467 POSTS
Hello Headrick,

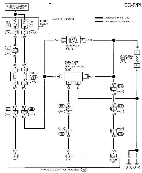
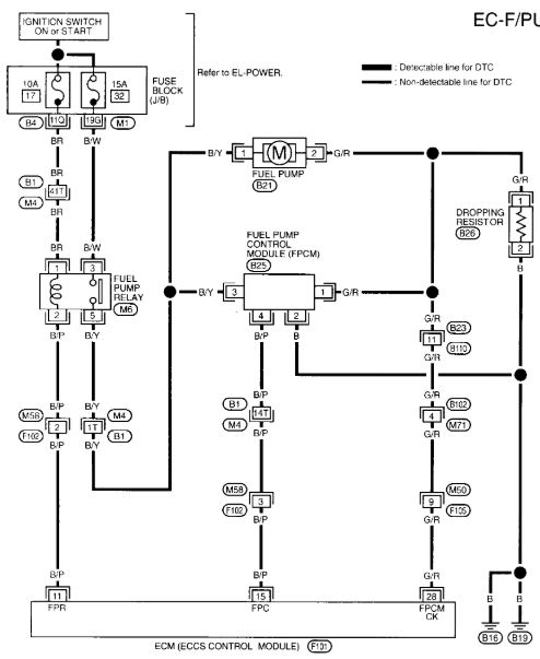
I see you've replaced a few things trying to get this car running. When you say the starter is dragging what do you mean exactly? Regardless your going to need to verify you have fuel pressure in the system and spark. Can you hear the fuel pump turn on when you put the key in the on position? I've attached the diagram for the fuel system. If you don't hear it turn on go right to the fuse then the relay to make sure there all okay. Does you engine have coil packs? I believe it does, Is this the twin cam engine?
Let me know, Tom
Was this
answer
helpful?
Yes
No
Wednesday, July 8th, 2020 AT 6:16 PM

Please login or register to post a reply.