Saturday, November 29th, 2025 AT 7:38 PM
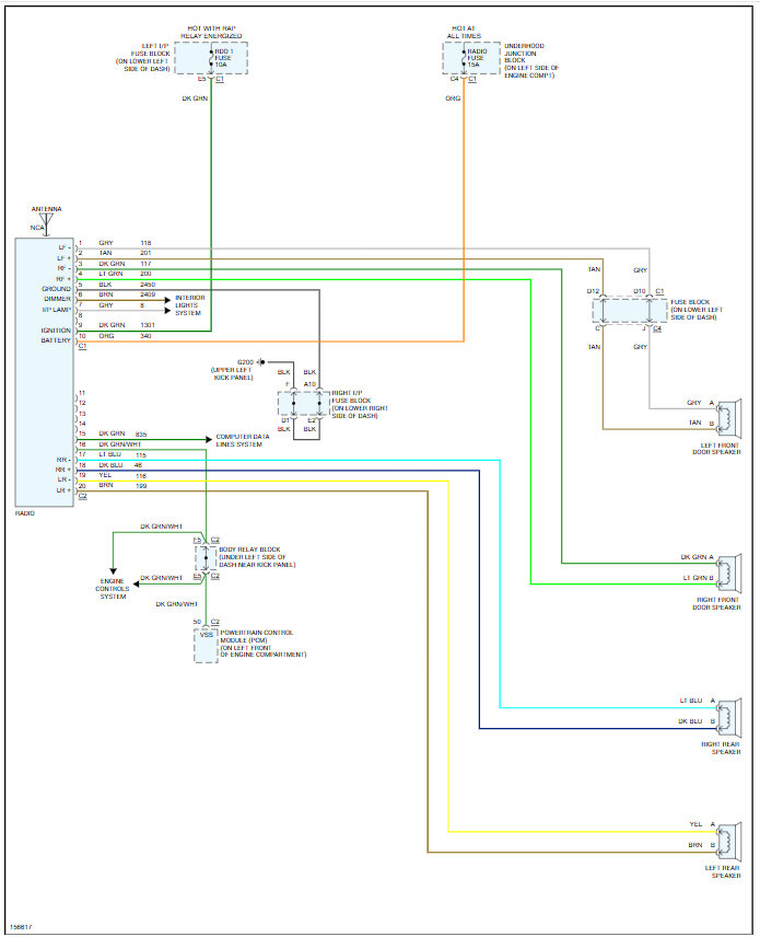
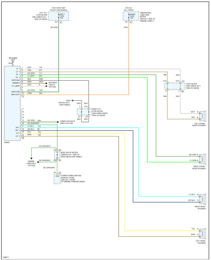
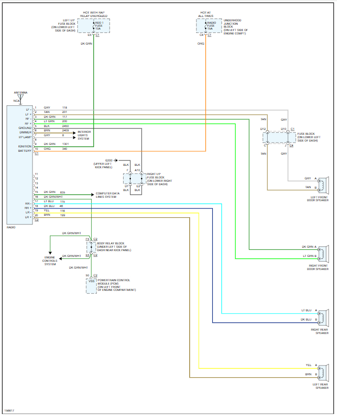
Can you send me a wiring diagram for the non-Bose system with rear subwoofer. Changing rear door speakers and need the wiring colors/schematic. Thanks







