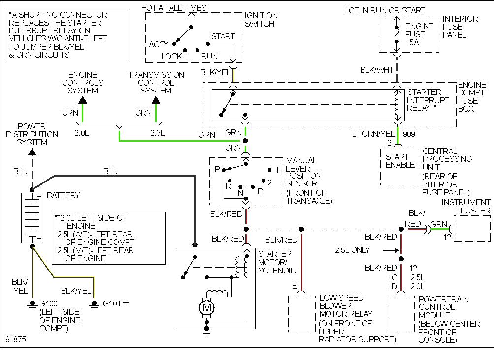
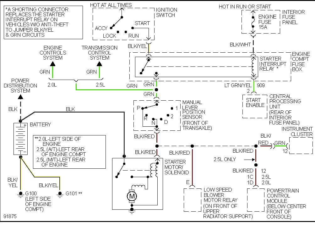
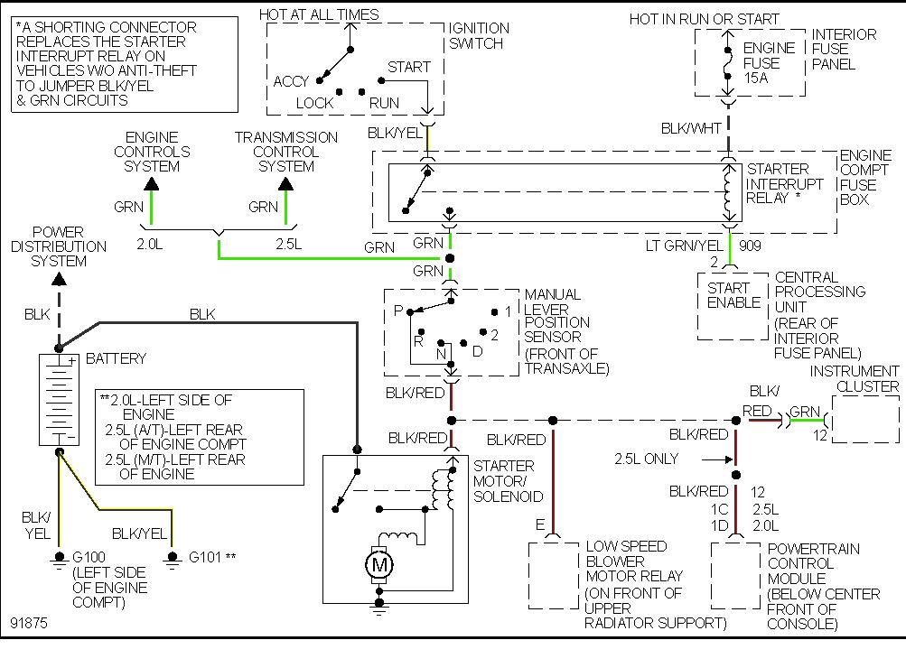
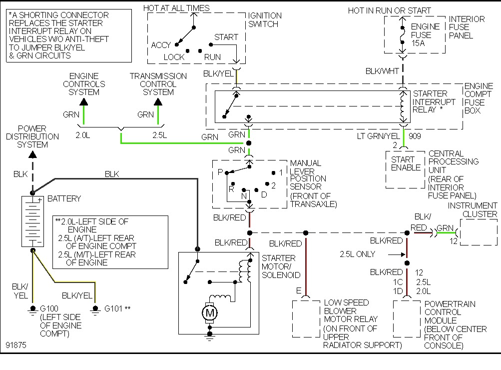
I have a1993 Ford Probe GT with an aftermarket alarm system (pursuit). Over the years I suspected that the alarm system was draining the battery when the car sat for a week or greater. I decided to remove the alarm system all together. I removed the main alarm control box, starter cut off relay, sensor and associated wire harness. In the engine compartment in the fuse box there is an open connector with a wire jumpered from NC to COM in the (Start Relay) H301 slot. Now that I want to use the car without an alarm should I leave that jumper in that slot or purchase an H301 start relay. Now I suspect this may of been used if the car came equipped with a factory installed alarm system as this most likely would be the starter/cut off relay.
The reason I ask I did go ahead and install an H301 relay in it's place and the engine did not start. All I heard was a loud clicking sound. Now I suspect I wiped out the IGN main relay (FS11). When I turn the key nothing happens and testing with a multimeter all the pins are open. I do have interior lights in the car so I know that I'm receiving 12VDC.
Thank you,
Bill
Saturday, May 18th, 2013 AT 8:52 AM

