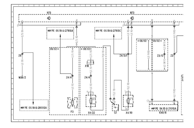
Friday, October 13th, 2023 AT 8:07 PM
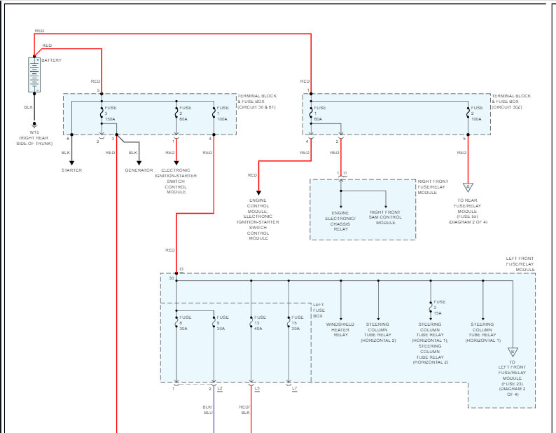
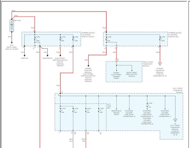
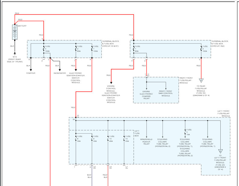
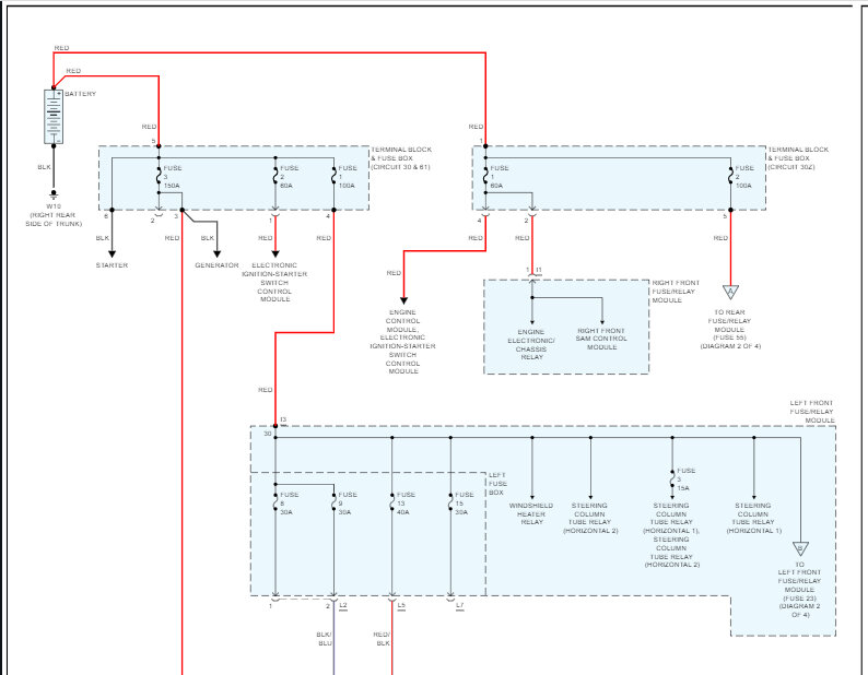
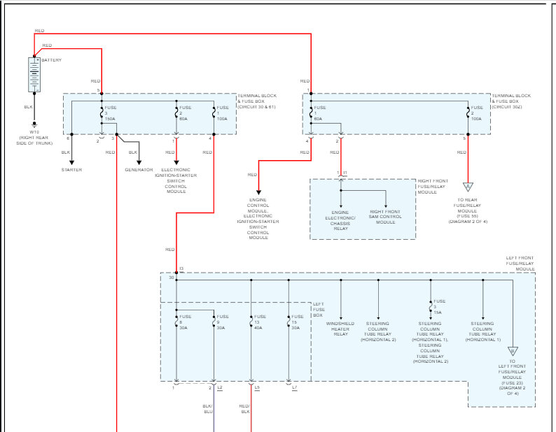
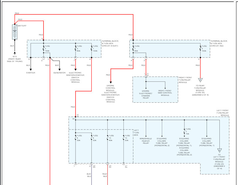
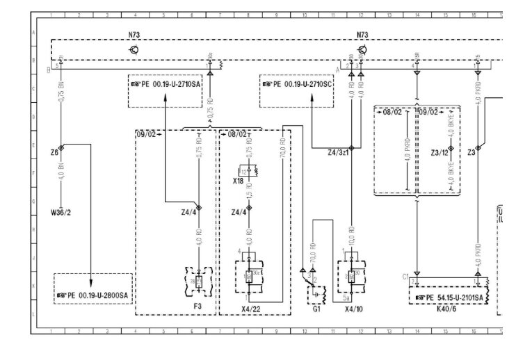
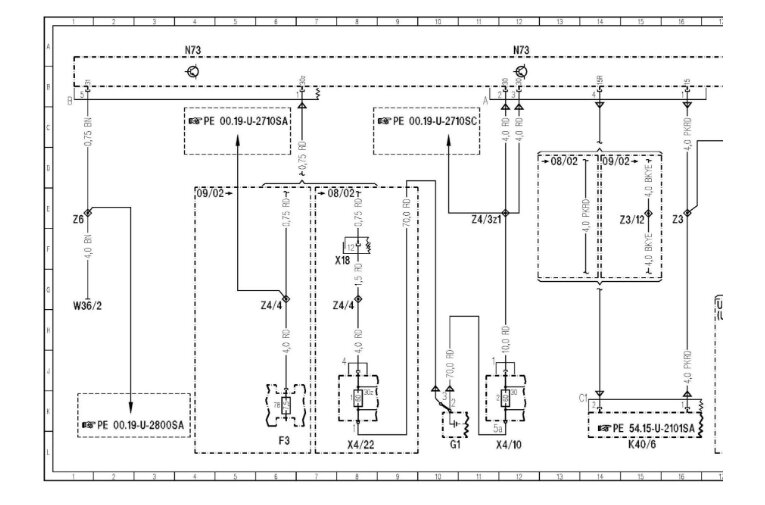
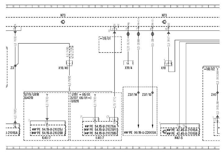
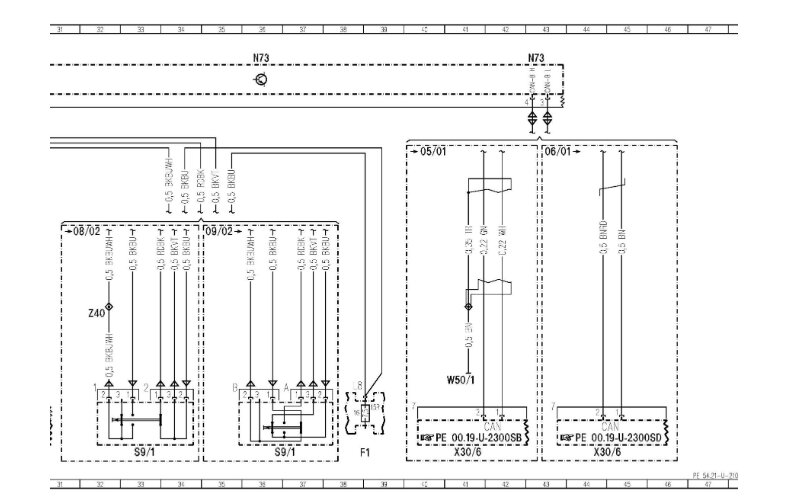
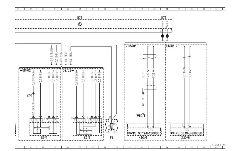
I was going to install a car alarm on my car listed above and I was just wondering the wiring diagram so I can install my alarm. Such as my ignition wires my tach wire factory alarm wires you know etc, etc, thank you.











