Saturday, July 5th, 2025 AT 8:13 PM
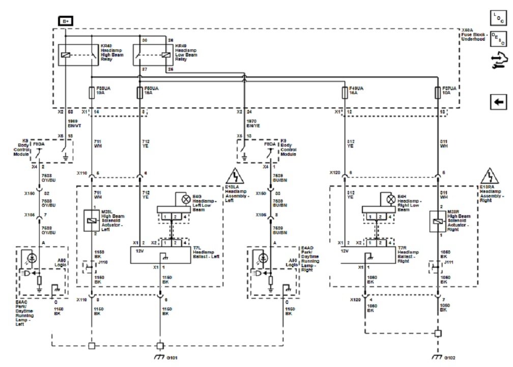
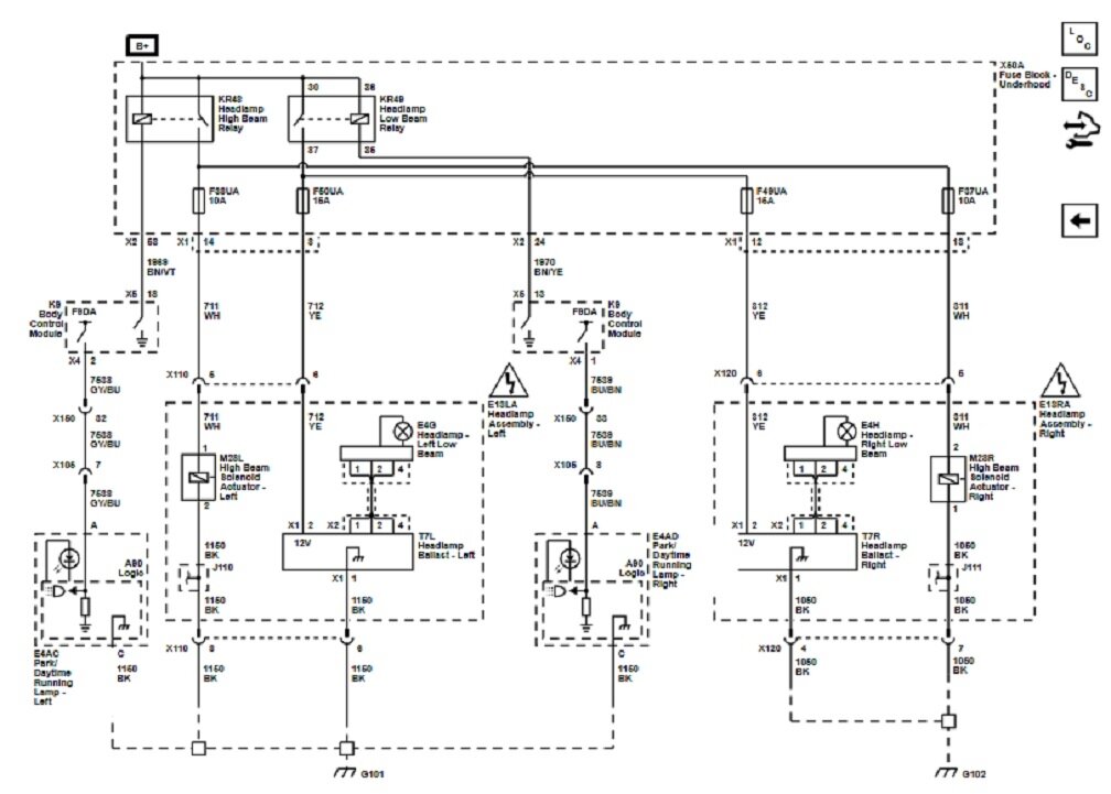
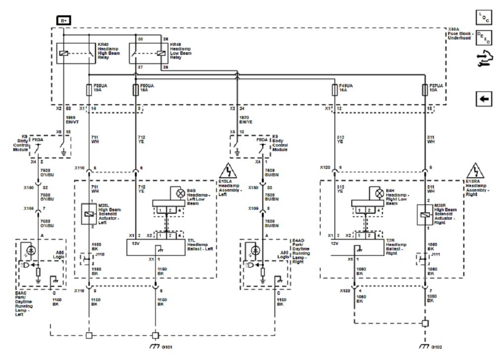
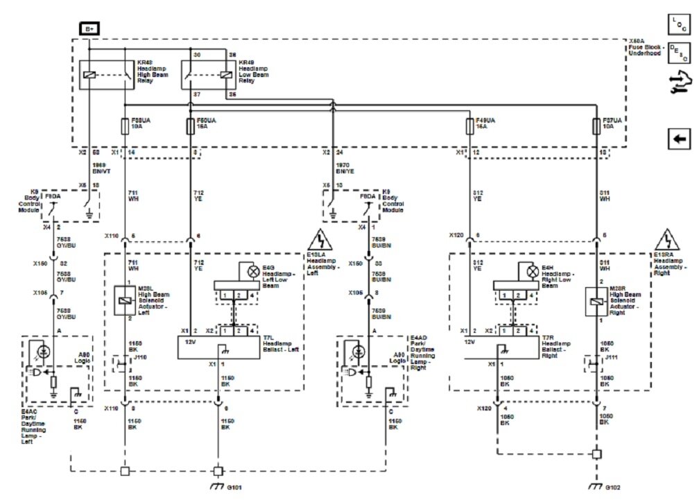
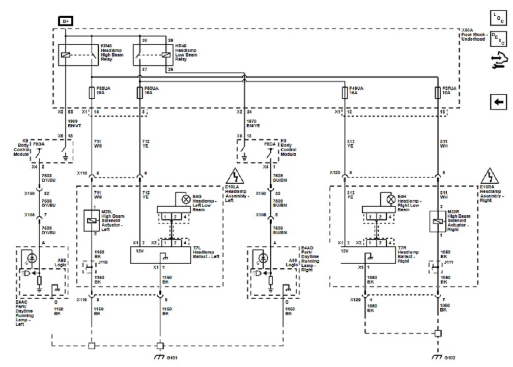
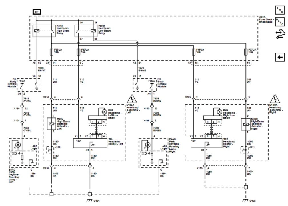
Driver headlight, driver taillight, and whole dash (gauges, radio, ac-heater, none of it) has power. I’ve checked fuses and relays; they are all good. I’ve used a multimeter and determined the driver headlight connection is not good. I’ve tried tracing the ground and can’t find it. Chevy wants to charge $400-some-odd dollars for a wiring diagram. If all these things share a ground, couldn’t I just run a new ground from a new headlight connector and that be it? What do I do? :(


