Tuesday, February 3rd, 2026 AT 11:37 AM
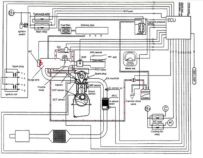
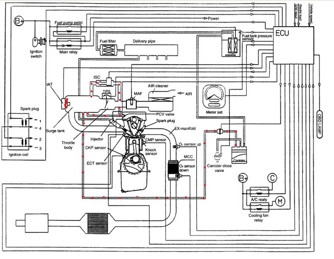
Ok so over the weekend I replaced the coil pack and she’s been running fine but yesterday I stopped at a friends house and when I went to leave she started right up but as soon as I put it in R to leave is bogged out and died tried it a few more times and same thing every time the check engine light came on so I connected my friends OBD2 scanner and it showed two codes a P0032 and P0507 also took pictures of the live feed readings which I’ll attach




