Random misfire, code P0300

Tiny
CHRISCHAMBERS
  • MEMBER
  • 1997 CHEVROLET CHEYENNE
  • 4.3L
  • V6
  • 2WD
  • MANUAL
  • 248,000 MILES
I have the truck listed above C1500 with a 5 speed 4.3 liter vortec that I just recently bought. It ran fine for about 2 weeks then started blowing white/grayish smoke out if the tailpipe and smelt of raw gas strong. Service engine soon light came on and started blinking I plugged in my code reader and got a few codes, p0300 being one, but the “primary fix” said mass air flow sensor. I replace that with a brand new one and it helped some, but not much. I cleared codes and hook it up again and now I’m just getting the random misfire code (P0300) I then replace all spark plugs (one of them had oil and gas on the tip) and just today replaced all spark plug wires. After doing that it made it 20 times worse. Still missing, still blowing smoke and dripping gas out of exhaust, hesitating and will barely pull. I can put it in neutral and it will come to a complete stop, almost as if the e-brake is on. Still sounds as if a plug is spattering. I don’t know what else to do. Would also like a firing diagram for my engine to double check the spark plug wiring
Wednesday, May 13th, 2020 AT 9:45 PM

1 Reply

Tiny
ASEMASTER6371
  • MECHANIC
  • 52,796 POSTS
Good morning,

These systems have a fuel pressure regulator on the fuel injection spider under the upper intake housing. The regulator fails and draws in raw fuel and makes the mixture very rich and the result is the condition you have.

I attached the description and the procedure for replacing it along with pictures for you to follow.

Roy

REMOVAL PROCEDURE

CAUTION: Use care in removing the fuel injectors to prevent damage to the electrical connector terminals, the injector filter, and the fuel nozzle.

NOTE: The fuel injector is serviced as a complete assembly only.

CAUTION: Also since the injectors are electrical components, these injectors should not be immersed in any type of liquid solvent or cleaner as damage may occur.

1. Disconnect the negative battery cable.
2. Relieve the fuel system pressure. Refer to Fuel Pressure Release Procedure.
3. Remove the Upper Manifold Assembly. Refer to Engine Mechanical.
4. Remove the Fuel Meter Body Assembly. Refer to Fuel Meter Body Assembly.

INSTALLATION PROCEDURE
1. Install the fuel meter body assembly. Refer to Fuel Meter Body Assembly.
2. Install the upper manifold assembly. Refer to Engine Mechanical.
3. Connect the negative battery cable.

REMOVAL
1. Disconnect the negative battery cable.
2. Remove the air cleaner box.
3. Remove the air intake duct.
4. Remove the wiring harness connectors and brackets and move aside.
5. Remove the throttle linkage and cruise control cable (if equipped).
6. Remove the fuel lines and bracket at the rear of the lower intake manifold.
7. Remove the PCV hose at the upper intake manifold.
8. Remove the ignition coil and bracket.
9. Remove the purge solenoid and bracket.

NOTE: Mark the location of all the studs for proper reassembly.

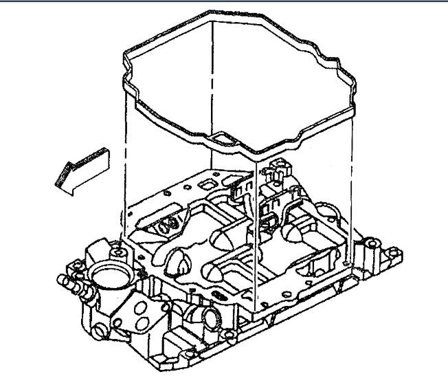
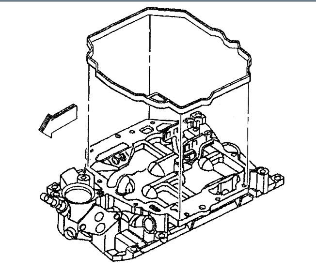
10. Remove the upper intake manifold bolts and studs.
11. Remove the upper intake manifold.
12. Clean old pieces of gasket form the gasket surfaces.
13. Inspect the manifold for cracks, broken flanges, and gasket surface damage.

INSTALL

imageOpen In New TabZoom/Print

1. Install the upper intake manifold gasket.

ImageOpen In New TabZoom/Print

2. Install the upper intake manifold. Use care not to pinch the injector lines between the upper and lower intake manifolds.
3. Install the upper intake manifold bolts. Note the marks made at disassembly for proper stud location. Install the two corner studs first in order to help align the two halves.
Tighten the bolts to 10 Nm (83 inch lbs.).
4. Install the purge solenoid and bracket.
5. Install the ignition coil and bracket.
6. Install the PCV hose at the upper intake manifold.
7. Install the fuel lines and bracket at the rear of the lower intake manifold.
8. Install the throttle linkage and cruise control cable (if equipped).
9. Install the wiring harness connectors and brackets.
10. Install the air cleaner box and intake duct.
Connect the negative battery cable.
Fill the cooling system if necessary.
Was this
answer
helpful?
Yes
No
Thursday, May 14th, 2020 AT 4:20 AM

Please login or register to post a reply.