Sunday, April 2nd, 2023 AT 3:04 PM
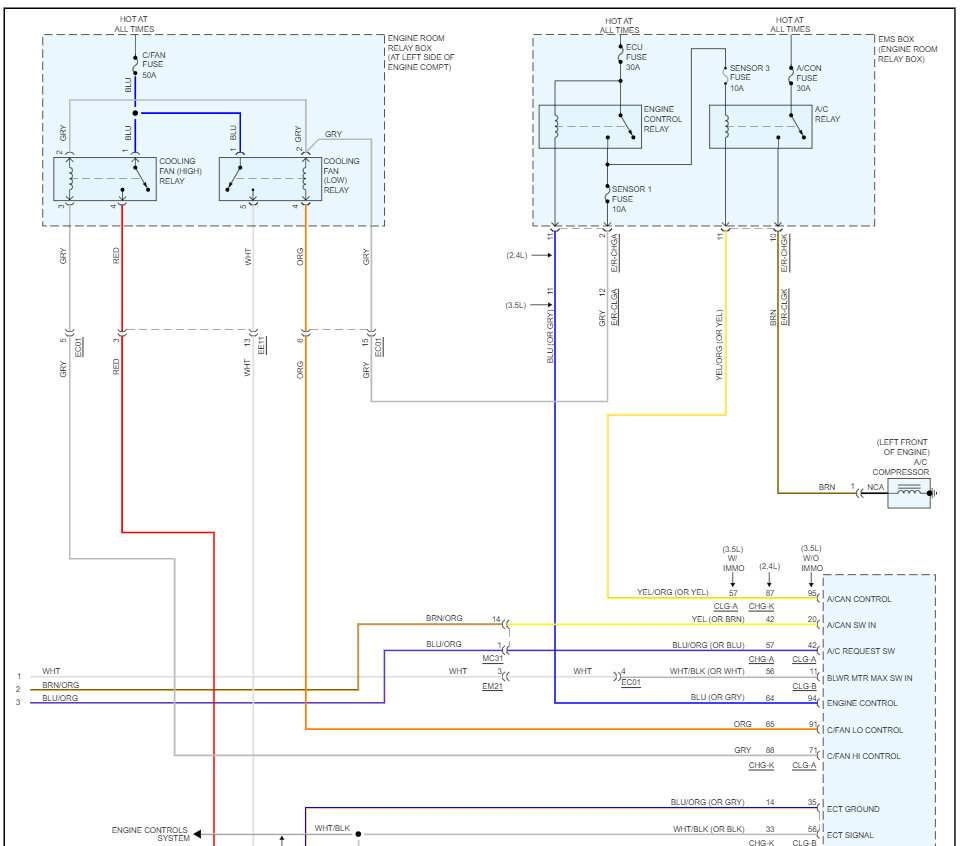
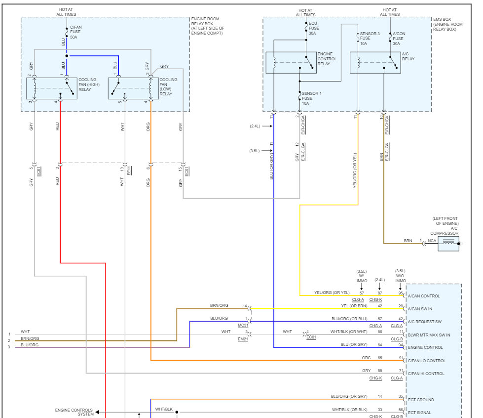
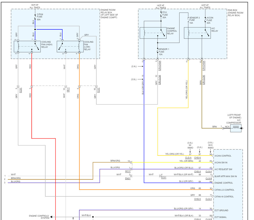
When I measure voltage on the orange and brown wire to the compressor clutch, I get 4.8v. If I go to the engine fuse relay box (Drivers side) Type 1 and jump the ACON relay so that 12 volts is getting across I still get 4.8 volts at the compressor clutch. Even when the relay is pulled out, I still get 4.8v to compressor clutch. I was able to find the orange and brown clutch wire in the harness on top of the engine and got continuity from the compressor to it. But I cannot find orange brown wire at ACON relay. I pulled the box, unplugged and inspected the wires below the relays. There is pink and brown but no orange and brown. Cannot get continuity from compressor clutch to ACON relay.










