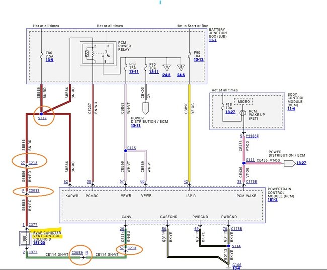
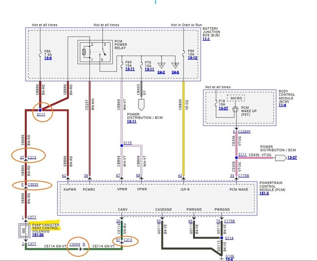
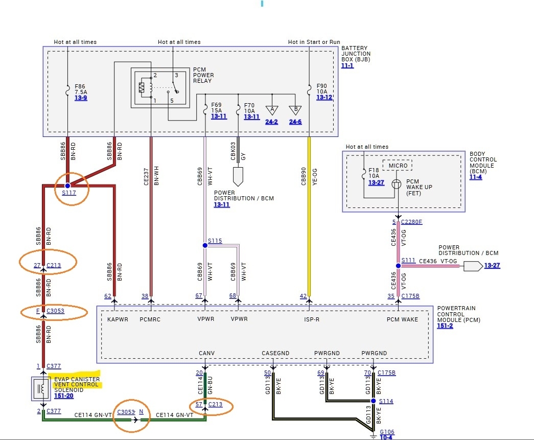
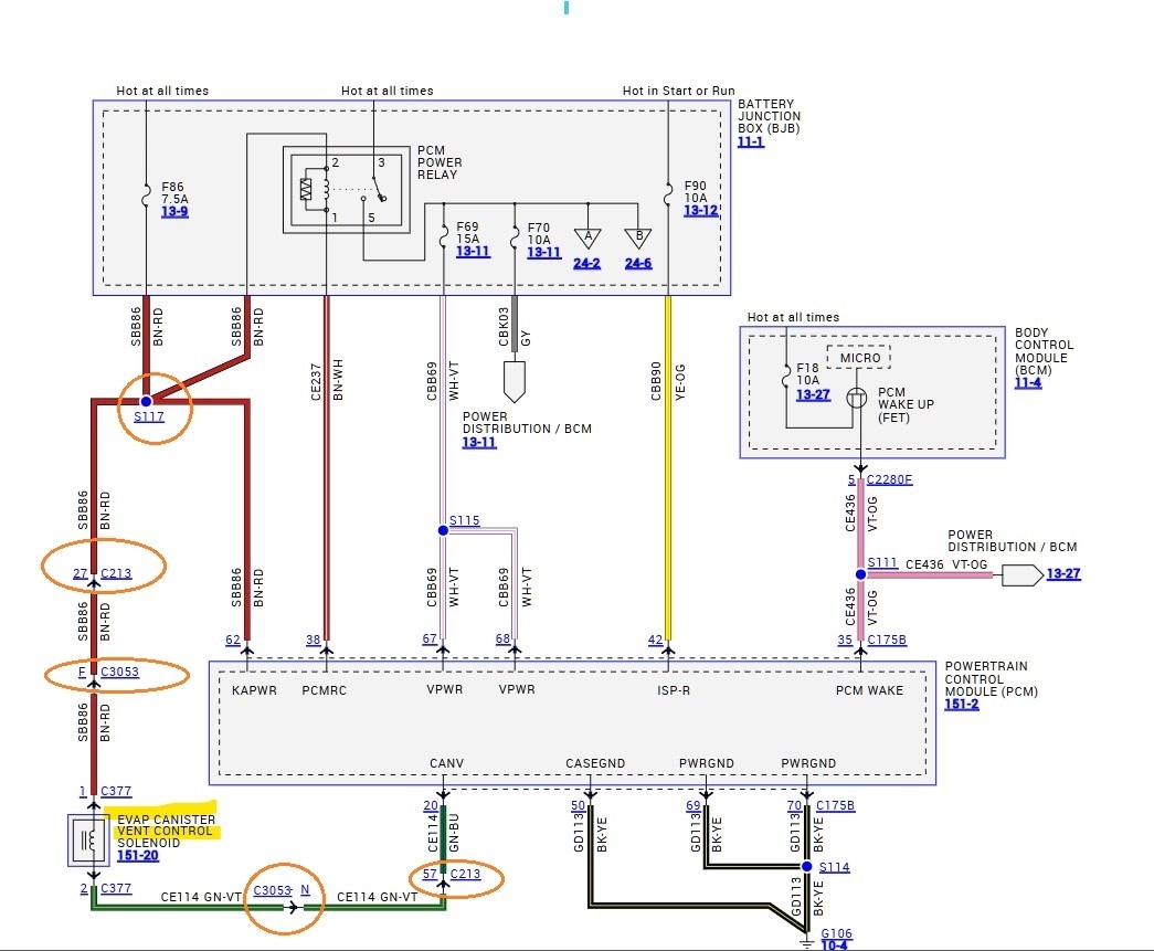
I checked it, and it works, but I think I may have a broken wire somewhere along the line. I was wondering if anyone here could point me in the right direction on how to get the wiring diagram for the AVAP system so I can trace it.
thanks in advance.
Monday, April 21st, 2025 AT 6:48 AM











