Compressor not engaging

Tiny
GILLUM2267
  • MEMBER
  • 2000 FORD EXPLORER
  • 4.0L
  • 6 CYL
  • 4WD
  • AUTOMATIC
  • 180,000 MILES
Air to speed control stopped working. Compressor not engaging. No air.
Wednesday, May 15th, 2019 AT 5:39 PM

6 Replies

Tiny
KASEKENNY
  • MECHANIC
  • 18,907 POSTS
Hi Gillum,

Can you clarify what the issue is? Are you not getting any air out of your vents when you turn the blower motor on or are you not getting cold air because the compressor is not engaging. Both? When you say compressor not engaging, no air is a little confusing as to what your issue is. Thanks.
Was this
answer
helpful?
Yes
No
+1
Thursday, May 16th, 2019 AT 3:42 PM
Tiny
GILLUM2267
  • MEMBER
  • 3 POSTS
The air and heat was fine then a few hours later the fan does not blow air on any speed and the compressor is not engaging. The fuses appear to be okay. The fan in the back was blowing. The fan doesn’t blow on any setting heat or air. What would cause both fan and compressor to stop at the same time?
Was this
answer
helpful?
Yes
No
Friday, May 17th, 2019 AT 6:44 AM
Tiny
KASEKENNY
  • MECHANIC
  • 18,907 POSTS
Okay. Do you have auto HVAC system? I am going to assume you do because that is the only thing I can seem to connect these things with.

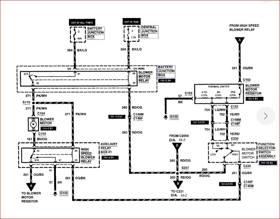
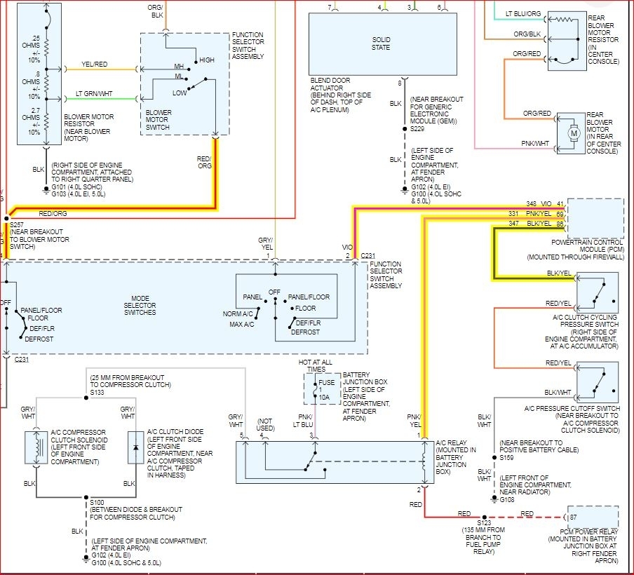
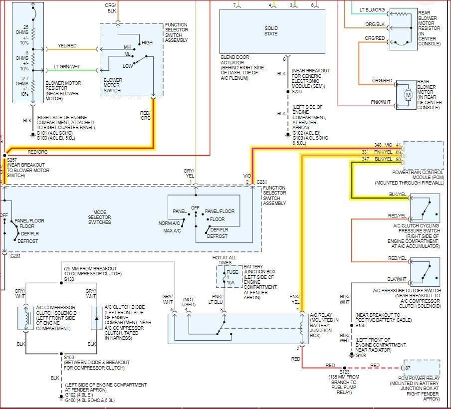
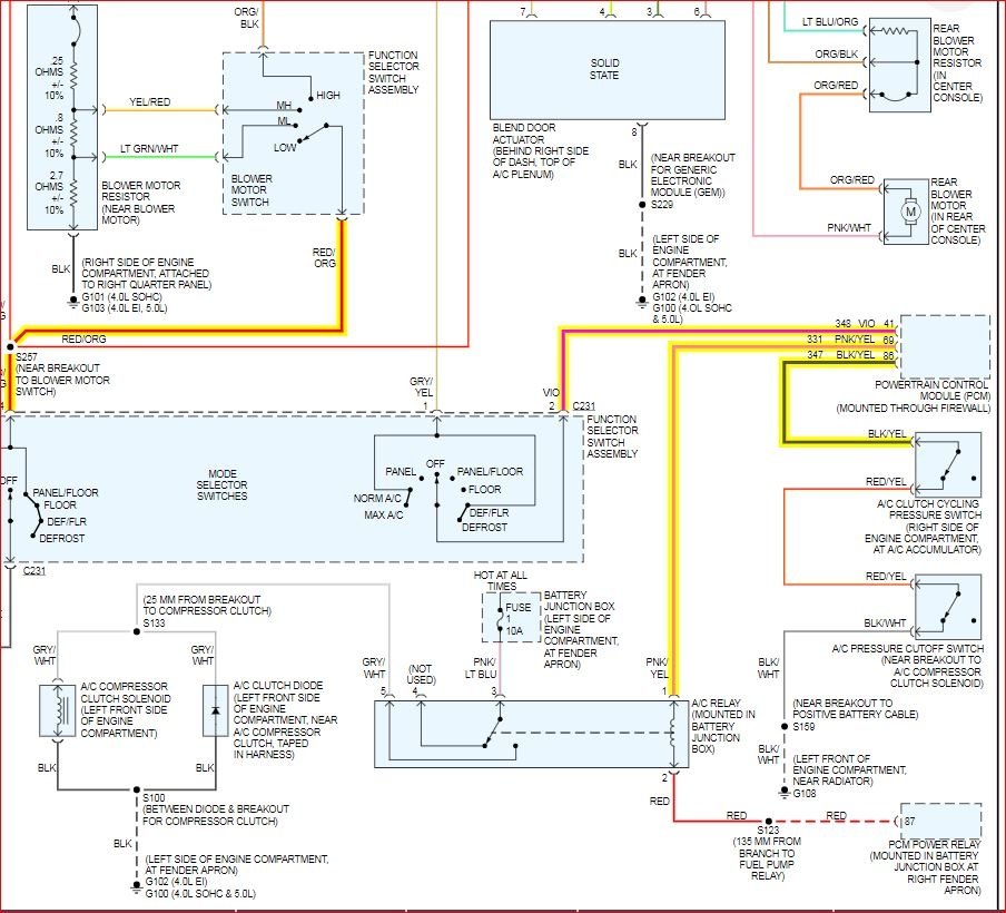
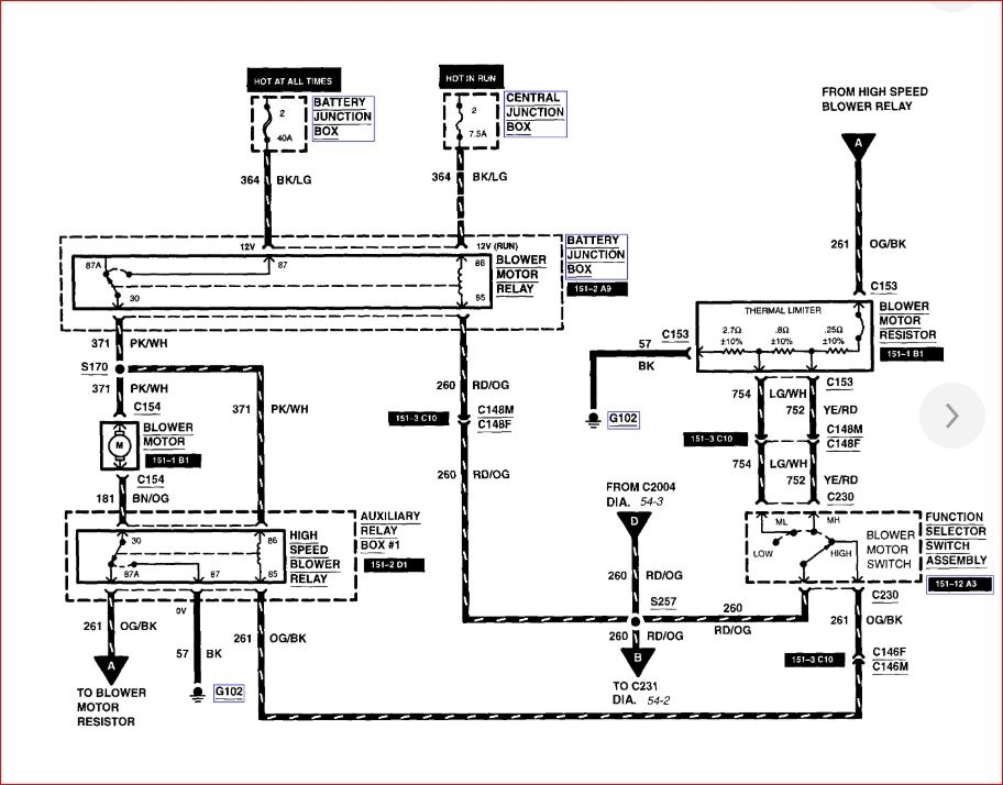
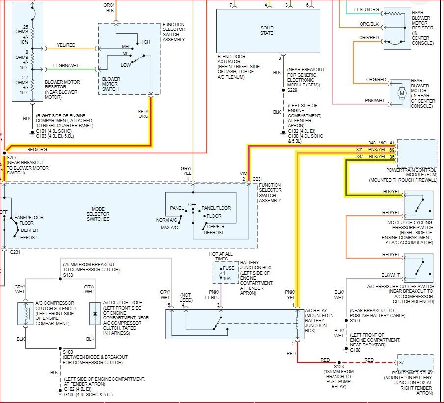
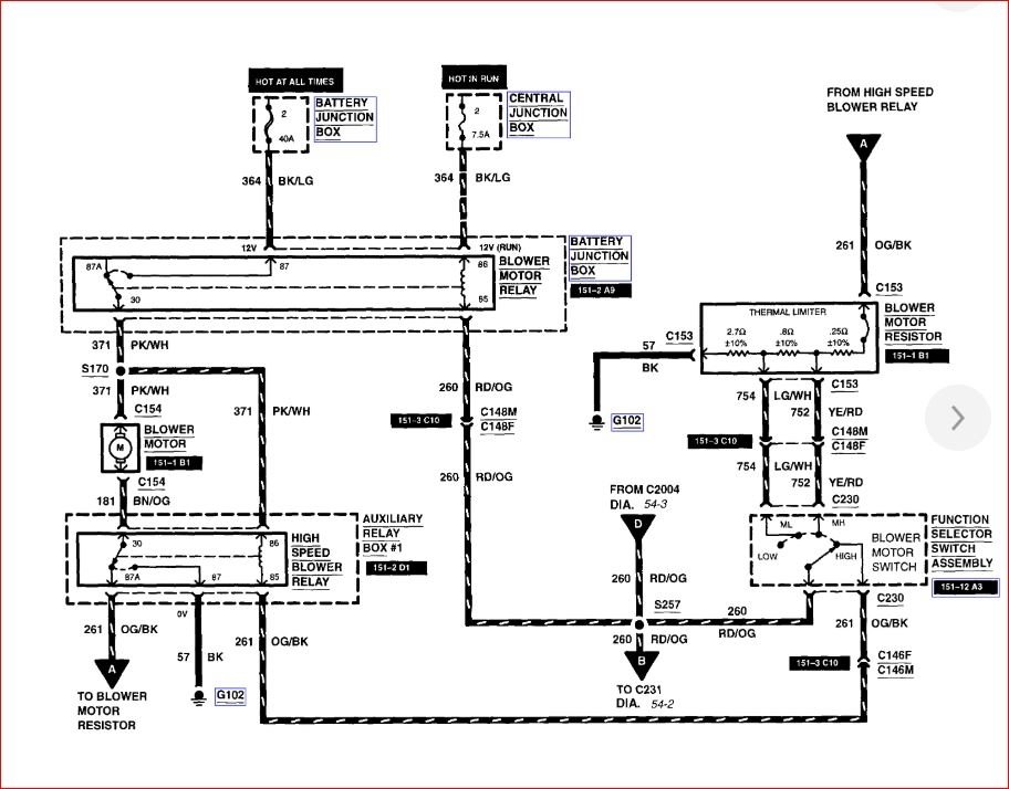
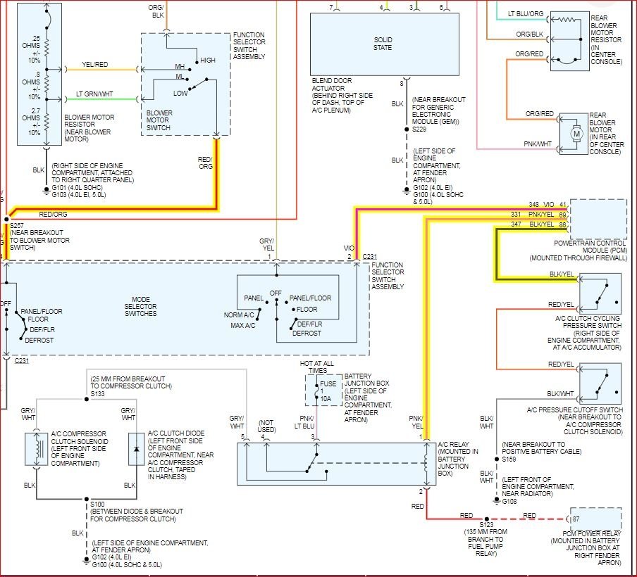
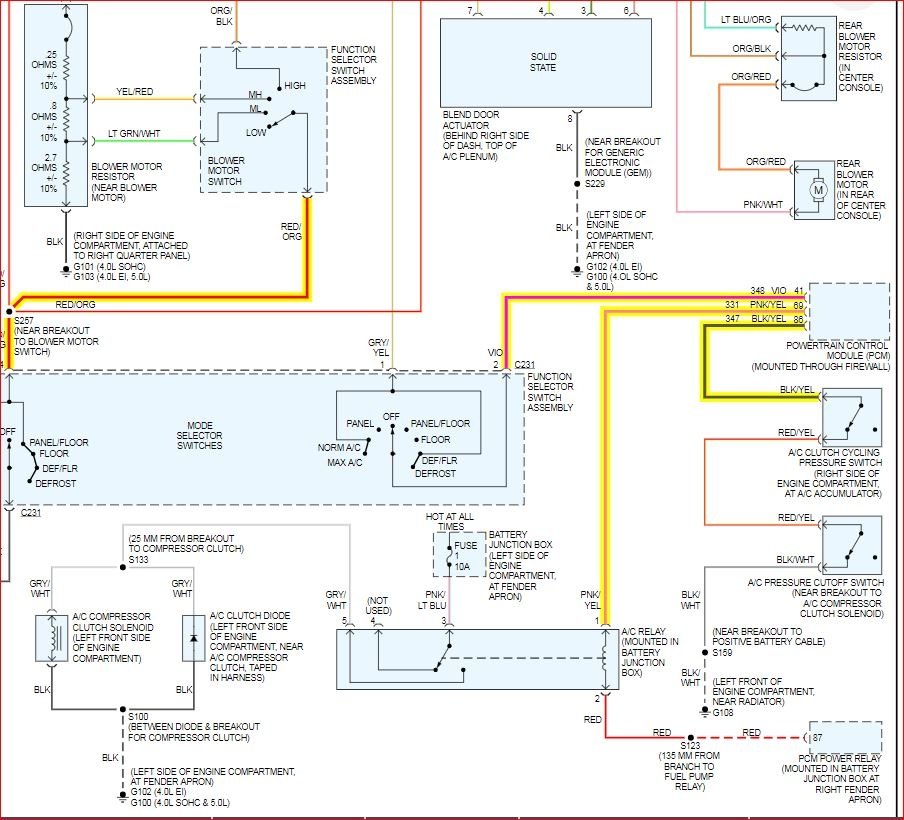
See attached for the detail on this system. In short, the EATC module uses various input sensors to control both the clutch engagement and blower speed.

Let me know if you do and we can go from there because if you have manual system, then I am going to have to dig pretty deep because I don't see how both are related as it seems they are.
Was this
answer
helpful?
Yes
No
Friday, May 17th, 2019 AT 11:10 AM
Tiny
GILLUM2267
  • MEMBER
  • 3 POSTS
It is a manual system.
Was this
answer
helpful?
Yes
No
Friday, May 17th, 2019 AT 3:18 PM
Tiny
KASEKENNY
  • MECHANIC
  • 18,907 POSTS
There is absolutely no correlation between the blower motor and the AC compressor on a manual AC system. When you turn the blower motor speed switch from low to high, it simply sends voltage through a resistor and that regulates the fan speed.

The AC compressor is controlled by the PCM which looks at various input sensors. However, the PCM does not control your blower motor. Again, that is a switch input directly to the blower motor.

Is there any chance you are referring to the engine cooling fan by the radiator? If not, I am sorry but this just makes no sense to me which means I would address them as separate conditions.

Let's find out why the compressor is not cycling first. Have you tested your AC pressures? A compressor will not run if the system is low on freon. Let's start there and then move onto the blower fan once the compressor is running because the compressor should come on even if your blower motor is not working.

https://www.2carpros.com/articles/car-air-conditioner-not-working-or-is-weak
Was this
answer
helpful?
Yes
No
Friday, May 17th, 2019 AT 6:11 PM
Tiny
KASEKENNY
  • MECHANIC
  • 18,907 POSTS
I may have been mistaken. It looks like the blower info is an input to the PCM but it look like the PCM is a pass through. The blower switch uses the Mode Selector switch as a pass through to get its info to the PCM. The PCM then controls the AC compressor.

This is a stretch but if the PCM has an issue or one of these input sensors to the PCM has failed, it is possible to have the blower fan and compressor inoperable. The rear blower is completely separate which makes sense as to why that still worked.

It would be a new one on me but it is possible that the PCM is causing this issue. I just don't see how a sensor issue would cause this.
Was this
answer
helpful?
Yes
No
Friday, May 17th, 2019 AT 6:54 PM

Please login or register to post a reply.