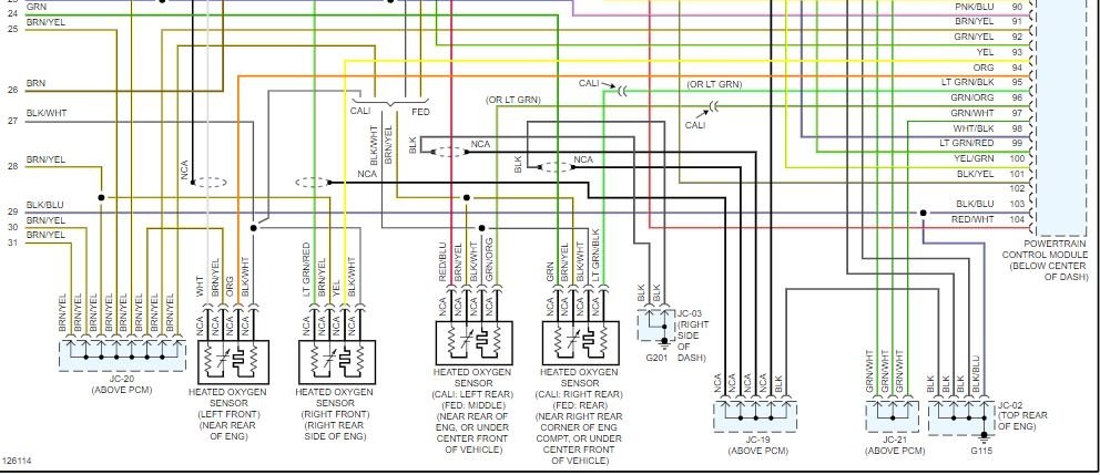
Did it all over again. Second one lasted one month, third about six months, fourth about ten months. Which was back in March of 2019. Tore out and replaced alternator just to find out it was my computer. The ECM had a bad ground, so I sent it off got it back and still not working. Sent it back and a microprocessor was bad. Blue Streak got a whole different one and nothing. My vehicle still is not charging and I cannot afford the mechanic again. Is there any way to bypass the ECM controlled internal voltage regulator with an external one?
Any and all help will be appreciated.
Thanks for helping.
Bobby B
Friday, September 20th, 2019 AT 7:24 PM


















