CAN Bus System, do Toyota Hilux, Prado or SUVs have can Bus system on them?

Tiny
MBIR
  • MEMBER
  • 2016 TOYOTA LAND CRUISER PRADO
  • 132,654 MILES
Help me locate them. If schematic diagrams were available, I would need them.
Wednesday, January 31st, 2024 AT 10:16 PM

1 Reply

Tiny
KEN L
  • MASTER CERTIFIED MECHANIC
  • 55,030 POSTS
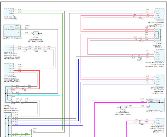
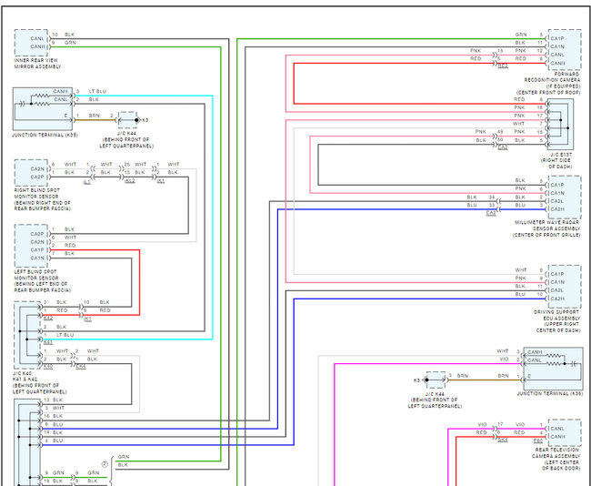
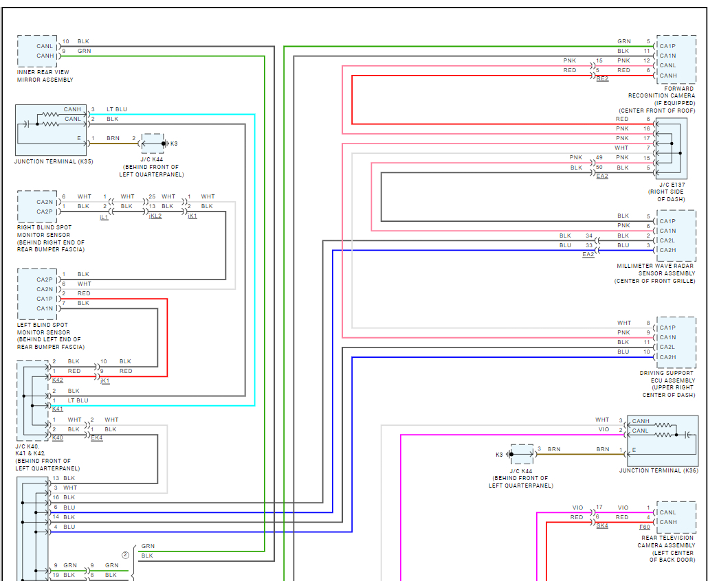
The CAN BUS system involves network modules and connects most of the car's modules and computers together so information can be shared between them and work together. Here is how to run codes in the CAN BUS and I have included the wiring diagrams that make up the system so you can see how it works and which components are in the system as well. You can get a CAN scanner (Controller Area Network) which will work on most cars from Amazon.

Here is a video to show you how:

https://youtu.be/u-4syLc-ifQ

and

https://www.2carpros.com/articles/can-scan-controller-area-network-easy

Check out the images (below). Let us know if you need anything else.
Was this
answer
helpful?
Yes
No
Thursday, February 1st, 2024 AT 12:27 PM

Please login or register to post a reply.