Can Bus fault?

Tiny
ANDRIN ATEM
  • MEMBER
  • 2006 BMW 320I
  • 2.5L
  • 4 CYL
  • 2WD
  • AUTOMATIC
  • 167,540 MILES
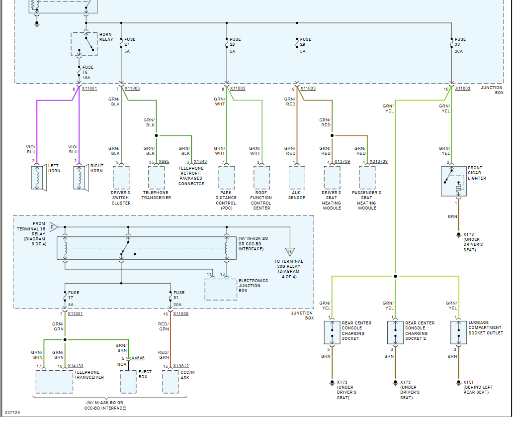
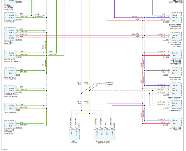
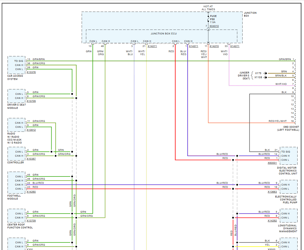
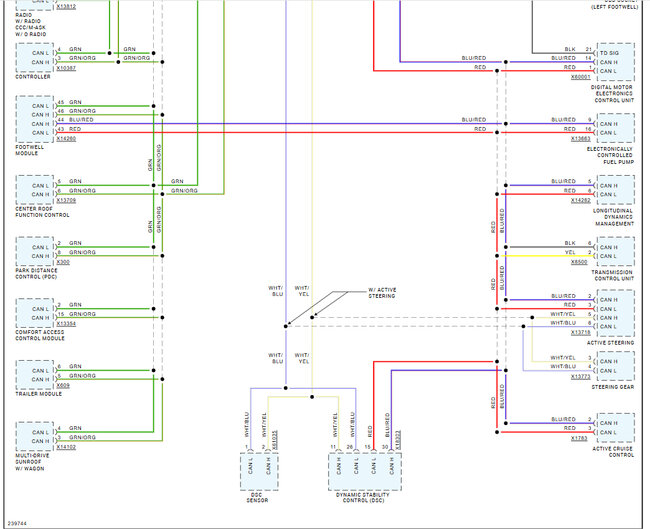
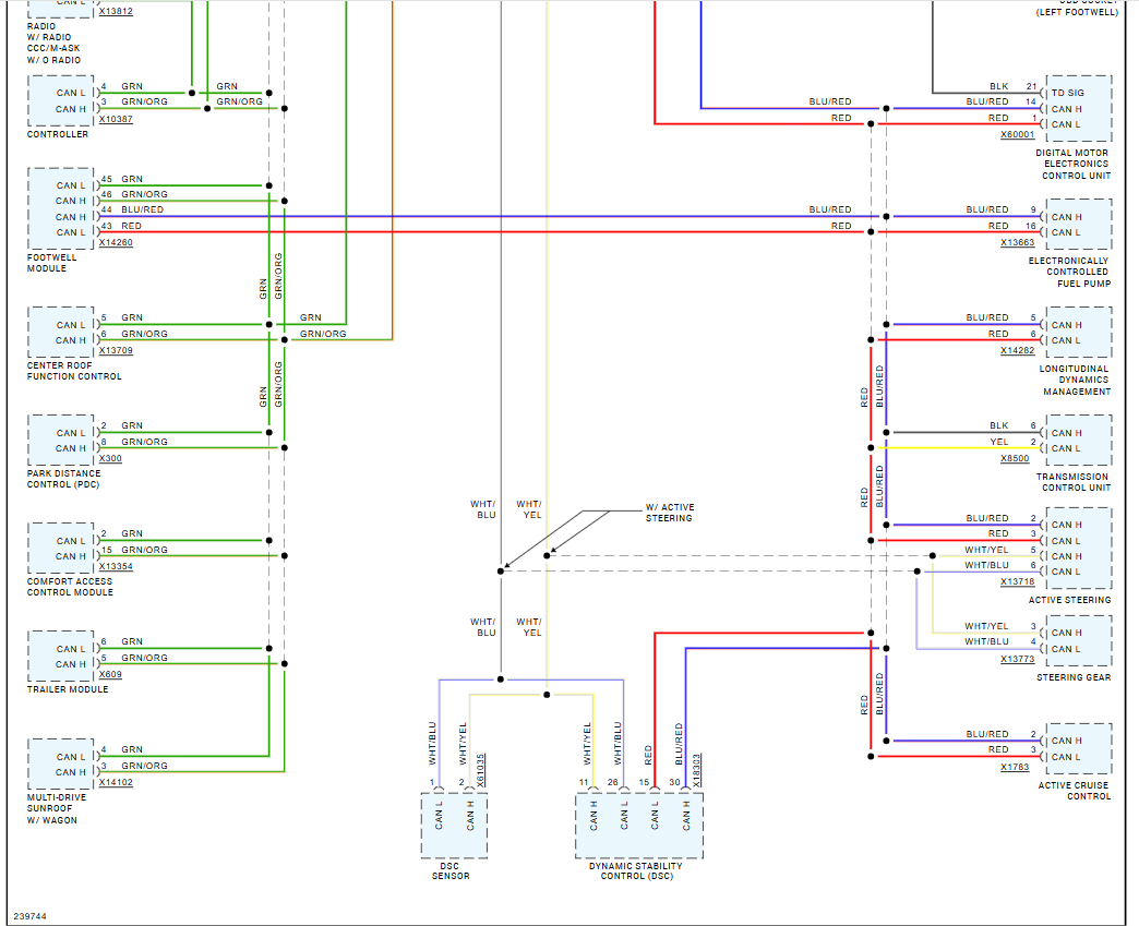
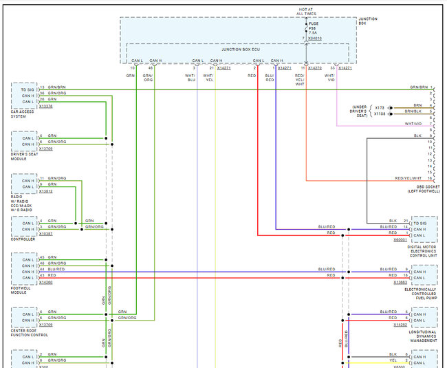
Hi Ken, I have this BMW with no communication on either module, a network can bus diagram will be a wonderful solution for me to further understand what has short the network down.

A diagram on this gate way network system will be a huge breakthrough for me.
WBAVA71056PS04834
Tuesday, January 7th, 2025 AT 2:37 PM

17 Replies

Tiny
KEN L
  • MASTER CERTIFIED MECHANIC
  • 55,281 POSTS
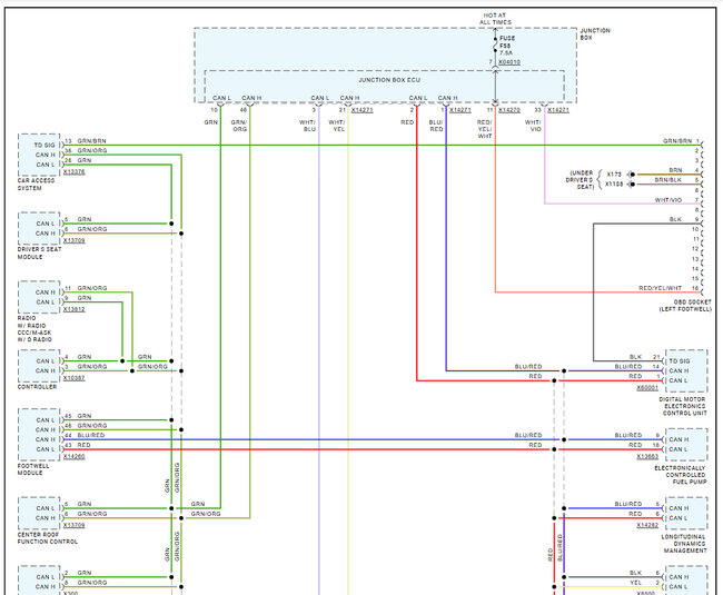
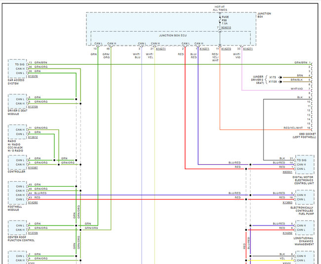
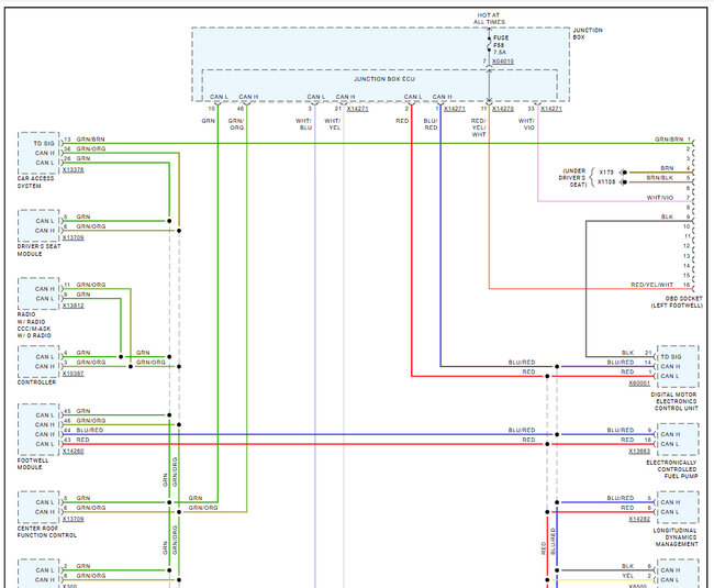
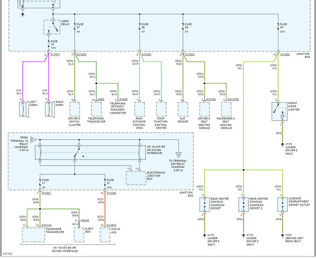
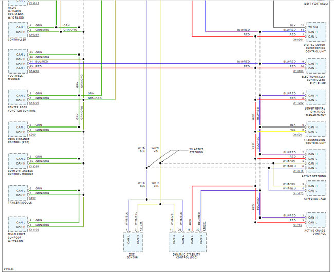
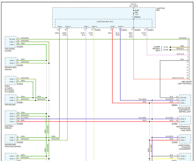
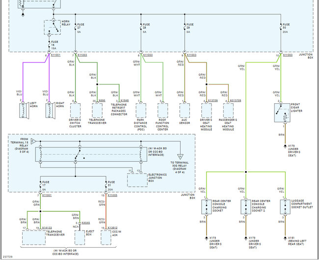
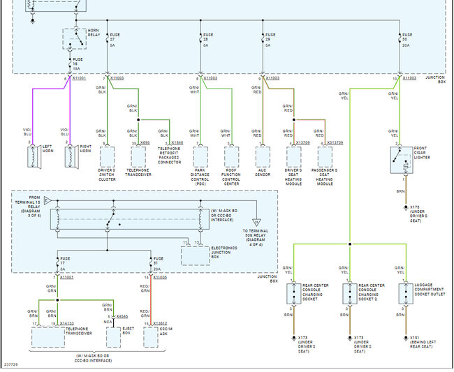
Is this a euro car? The VIN didn't work but here are the CAN bus wiring diagrams with the data connector so you can see how the system works. Check out the images (below). Let us know if you need anything else.
Was this
answer
helpful?
Yes
No
Thursday, January 9th, 2025 AT 11:00 AM
Tiny
ANDRIN ATEM
  • MEMBER
  • 420 POSTS
Diagram is on point Ken, I truly appreciate, I am replacing the Gate way module. Thank you so much, this means all.
Was this
answer
helpful?
Yes
No
Friday, January 10th, 2025 AT 12:56 PM
Tiny
KEN L
  • MASTER CERTIFIED MECHANIC
  • 55,281 POSTS
I don't see the gateway module in the CAN system?
Was this
answer
helpful?
Yes
No
Saturday, January 11th, 2025 AT 9:12 AM
Tiny
ANDRIN ATEM
  • MEMBER
  • 420 POSTS
It use the Lin network system not the Can, the gate way is same as the Junction box, after replacing it, the car could start freely, and the board opens at all times.
Was this
answer
helpful?
Yes
No
Saturday, January 11th, 2025 AT 11:09 AM
Tiny
ANDRIN ATEM
  • MEMBER
  • 420 POSTS
I replaced the gate way module and the problem was resolved, though I had to clone the module, using my mini prog to read the eeprom and write back on the replacement gateway module.
Was this
answer
helpful?
Yes
No
Saturday, January 11th, 2025 AT 11:10 AM
Tiny
ANDRIN ATEM
  • MEMBER
  • 420 POSTS
You sent two diagrams, the first diagram shows the gateway module as the junction box, this is a Europe made, so am use to solving this, with the diagram you sent made it even more easy for my son to solve without me being present.
Was this
answer
helpful?
Yes
No
Saturday, January 11th, 2025 AT 11:12 AM
Tiny
DOCHAGERTY
  • MECHANIC
  • 9,603 POSTS
Realoem. Com sez this is a British spec car.
Was this
answer
helpful?
Yes
No
+1
Monday, January 13th, 2025 AT 6:45 AM
Tiny
ANDRIN ATEM
  • MEMBER
  • 420 POSTS
Hi Ken, Can we get 2carpros to support us in our traning school and workshops in Cameroon? I am also looking for sponsorers who can open a whole new page of Mechatroic in Cameroon. Many Africans are willing to grow but we do not yet have such sponsors to meet standards.
Was this
answer
helpful?
Yes
No
Monday, January 13th, 2025 AT 12:09 PM
Tiny
KEN L
  • MASTER CERTIFIED MECHANIC
  • 55,281 POSTS
That sounds great, unfortunately we are not in a position to sponsor anyone at this time. All we can off is the website and our service.
Was this
answer
helpful?
Yes
No
+1
Tuesday, January 14th, 2025 AT 9:50 AM
Tiny
ANDRIN ATEM
  • MEMBER
  • 420 POSTS
Thank you, I will make use of the services, they mean too much for us and takes us through.
Was this
answer
helpful?
Yes
No
Tuesday, January 14th, 2025 AT 2:26 PM
Tiny
ANDRIN ATEM
  • MEMBER
  • 420 POSTS
Please can I have an active steering lock diagram for the above and the location of the steering column module for the e90 320i BMW 2006.

Recently noticed the steering lock does not release, sometimes it does and most times it does not.
Was this
answer
helpful?
Yes
No
Wednesday, January 15th, 2025 AT 1:06 AM
Tiny
KEN L
  • MASTER CERTIFIED MECHANIC
  • 55,281 POSTS
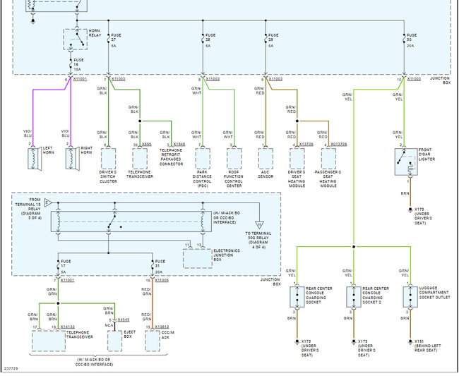
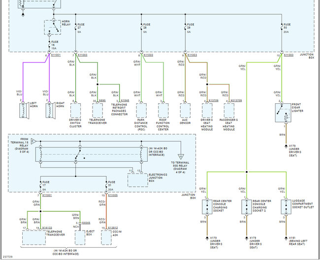
I think this is what you need, check out the images (below). Please upload pictures or videos in your response of any problems so we can see what to help you with.
Was this
answer
helpful?
Yes
No
Wednesday, January 15th, 2025 AT 10:21 AM
Tiny
ANDRIN ATEM
  • MEMBER
  • 420 POSTS
Okay, copied! I will upload videos, but what I am experiencing currently is, the steering lock does not release when the key is inserted into the slut, and the is no communication between the scan tool and the modules, but the VCI is powered on but no communication, I have checked the can bus and the Kline, there is no short to ground.
Was this
answer
helpful?
Yes
No
Wednesday, January 15th, 2025 AT 12:49 PM
Tiny
ANDRIN ATEM
  • MEMBER
  • 420 POSTS
Hi Ken, I found the problem and everything is okay. The main problem was a cable that leaves the battery sensor, it had some kind of a short I can’t really tell for now, but as I unplugged it, that car starts every minute and every second of the day. Thanks very much for all efforts and diagrams you provided.
Was this
answer
helpful?
Yes
No
Thursday, January 16th, 2025 AT 7:58 AM
Tiny
ANDRIN ATEM
  • MEMBER
  • 420 POSTS
This is the image, the bit serial data interface was what caused the car not to start.
Was this
answer
helpful?
Yes
No
Thursday, January 16th, 2025 AT 8:26 AM
Tiny
KEN L
  • MASTER CERTIFIED MECHANIC
  • 55,281 POSTS
Glad you could get it fixed, thanks for letting us know. Please use 2CarPros anytime we are here to help.
Was this
answer
helpful?
Yes
No
Thursday, January 16th, 2025 AT 9:53 AM
Tiny
ANDRIN ATEM
  • MEMBER
  • 420 POSTS
Thank you Ken.
Was this
answer
helpful?
Yes
No
Thursday, January 16th, 2025 AT 10:02 AM

Please login or register to post a reply.