Camshaft timing

Tiny
MAILIBU1955
  • MEMBER
  • 2007 CHEVROLET COBALT
  • 2.2L
  • 4 CYL
  • FWD
  • AUTOMATIC
  • 24,000 MILES
Timing procedure on it 2.2 engine. I'm replace cam gears and chain. (Engine jumped timing.)Is this a interference engine?
Thursday, April 7th, 2016 AT 8:29 AM

3 Replies

Tiny
HMAC300
  • MECHANIC
  • 48,601 POSTS
Yes it's interference the procedure ot do this is quite lengthy so you'll have to get a manual or rent one from us and print out
Was this
answer
helpful?
Yes
No
Thursday, April 7th, 2016 AT 1:14 PM
Tiny
MAILIBU1955
  • MEMBER
  • 76 POSTS
Thank you, I have a manual coming.
Was this
answer
helpful?
Yes
No
-1
Thursday, April 7th, 2016 AT 1:17 PM
Tiny
KEN L
  • MASTER CERTIFIED MECHANIC
  • 55,322 POSTS
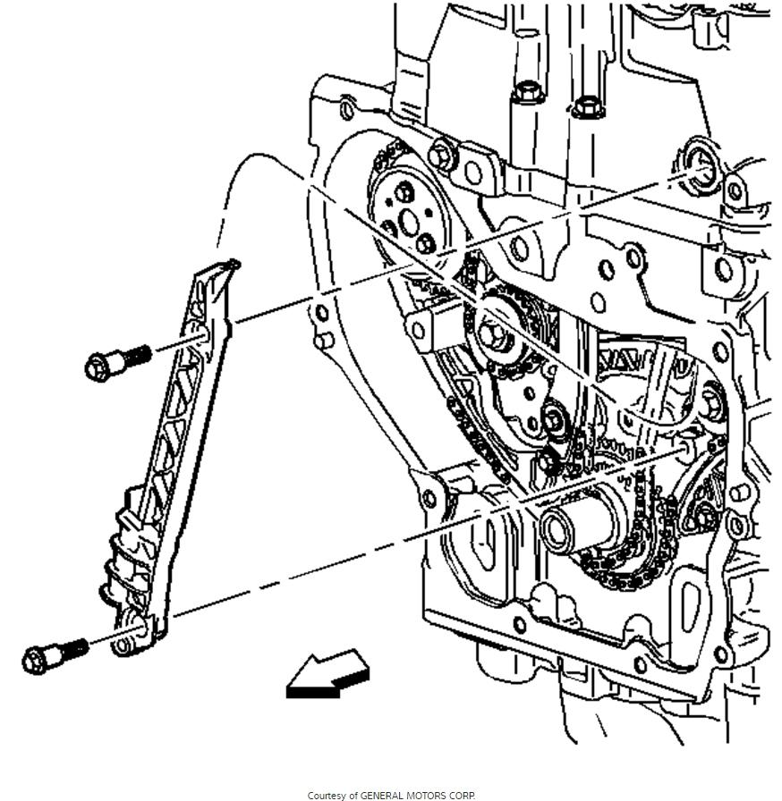
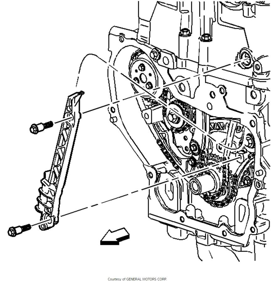
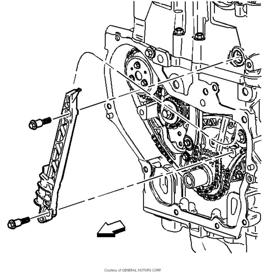
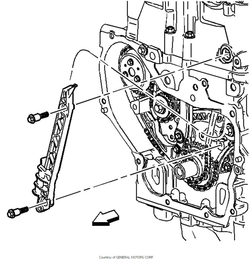
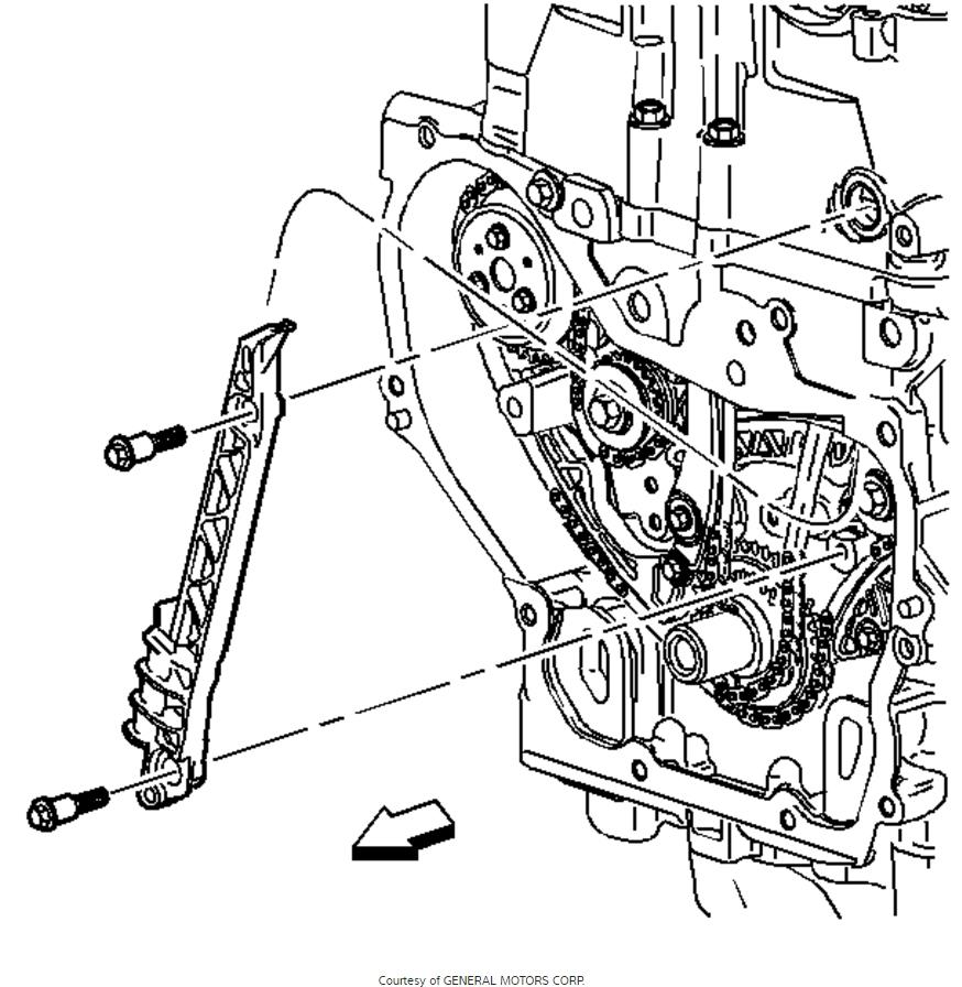
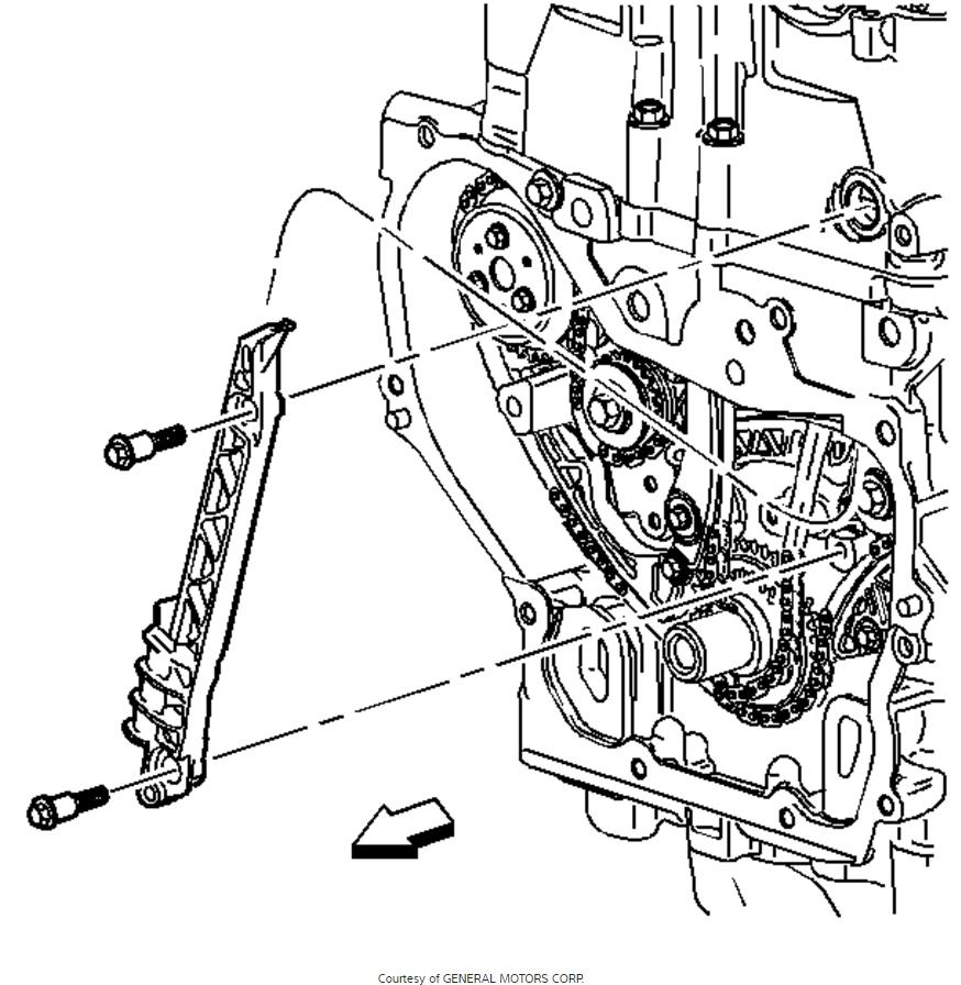
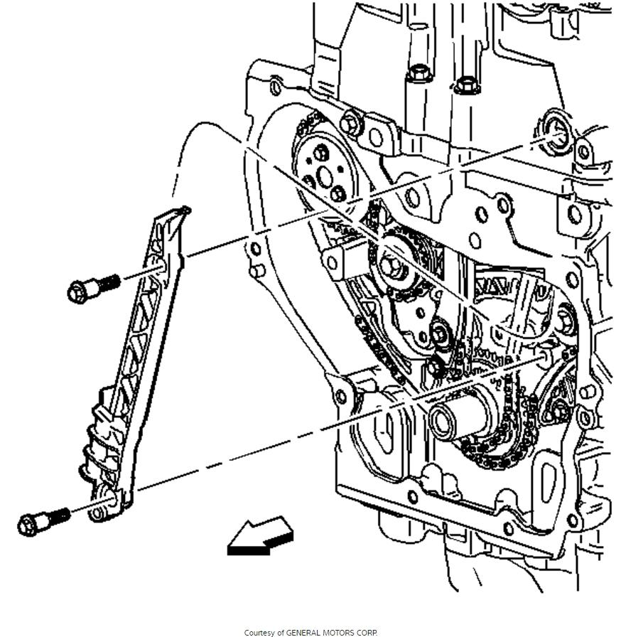
If you want to get started with the repair I found these diagrams for you, if the valves hit the pistons which is likely you will need to remove the head and send it for a valve job, also check the pistons for damage as well, please get back to us on what you find.
Was this
answer
helpful?
Yes
No
+1
Wednesday, April 13th, 2016 AT 12:42 PM

Please login or register to post a reply.