HOME
ASK A QUESTION
REPAIR GUIDES
BECOME A MEMBER
LOG IN
Login with Facebook
OR
Remember me
NOT A MEMBER?
FORGOT PASSWORD?
CONTACT US
PRIVACY POLICY
TERMS AND CONDITIONS
☰
Home
Toyota
Vios
Interior
Back Up Camera
Camera reverse disconnect
NORAZAM SHAH YUSOP
MEMBER
2017 TOYOTA VIOS
1.5L
4 CYL
2WD
AUTOMATIC
8,500 MILES
When put for gear reverse the camera does not display on screen. How to fix it?
Monday, August 21st, 2017 AT 4:08 PM
1 Reply
KEN L
MASTER CERTIFIED MECHANIC
55,090 POSTS
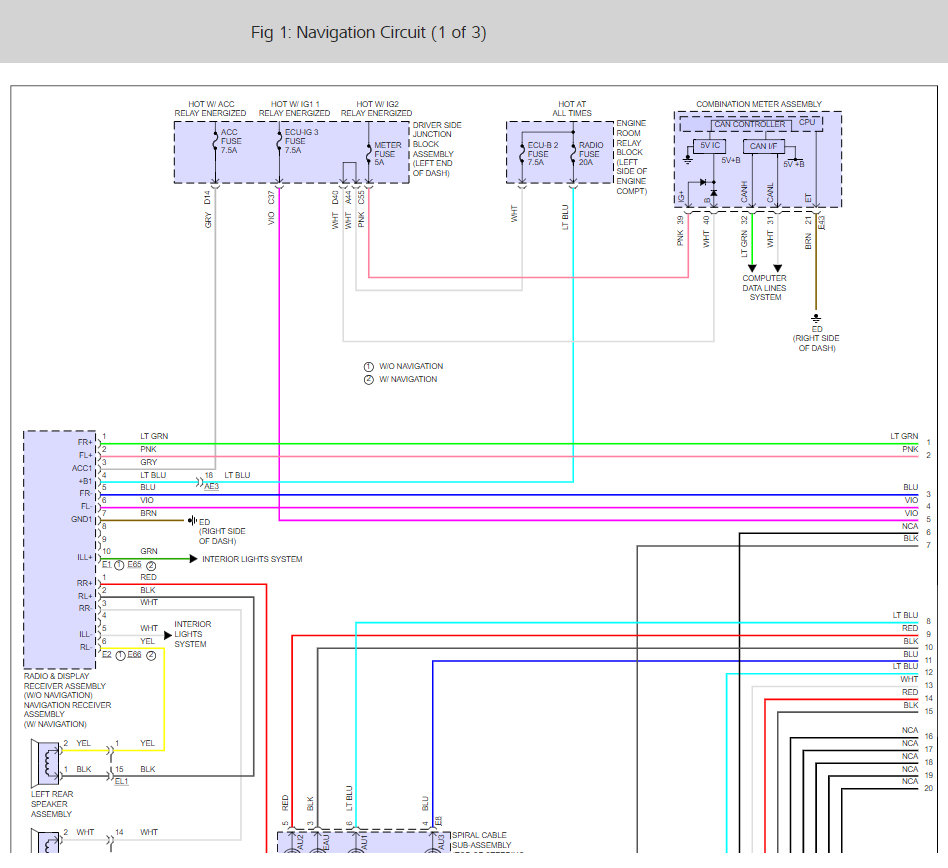
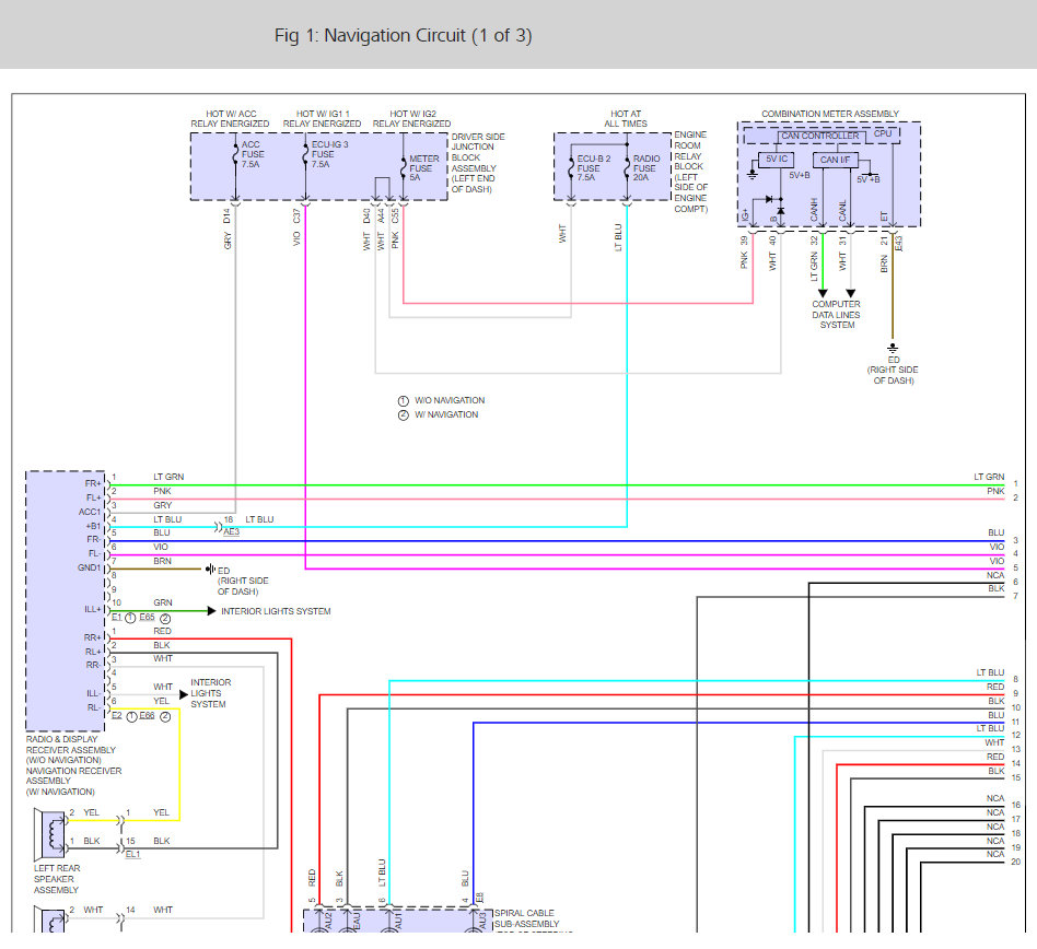
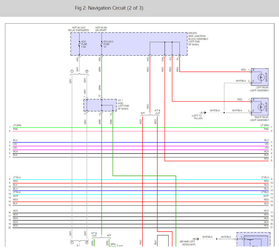
I would start by checking the fuses. the system could have had a surge which knocks out the fuse.
Here is a guide and some diagrams (below) that will help us get the problem fixed:
https://www.2carpros.com/articles/how-to-check-a-car-fuse
and
https://www.2carpros.com/articles/how-to-use-a-test-light-circuit-tester
Please let us know what happens.
Cheers, Ken
Images (Click to make bigger)
Was this
answer
helpful?
Yes
No
Tuesday, August 22nd, 2017 AT 2:26 PM
Please
login
or
register
to post a reply.
Ask a Car Question. It's Free!
How to Use a Test Light
Blend Door Actuator Replacement
Seat Switch Replacement