Need the exact location of the camshaft and crankshaft position sensor?
1997 TOYOTA CAMRY
100,000 MILES • 2.2L • 4 CYL • 2WD • AUTOMATIC
PACIFICISLANDER
MEMBER
239 POSTS
FOLLOW
Need the exact location of the camshaft and crankshaft position sensor-Ty
Sep 16, 2022 at 3:32 PM
Advertisement
STRAILER
CAR REPAIR CONTRIBUTOR
54,254 POSTS
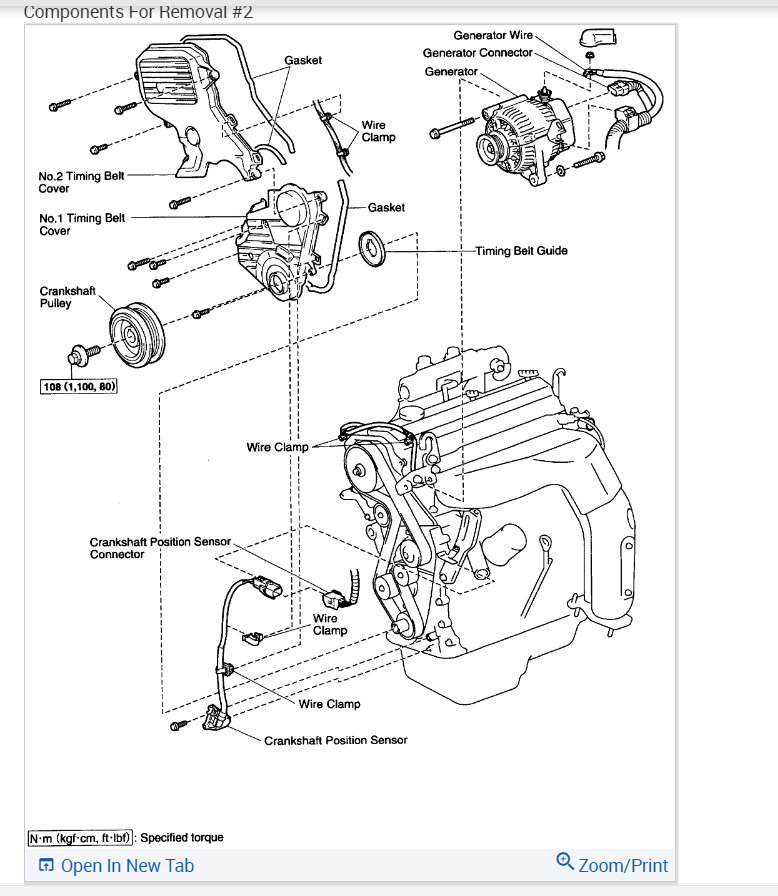
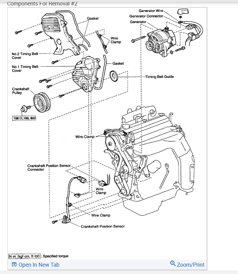
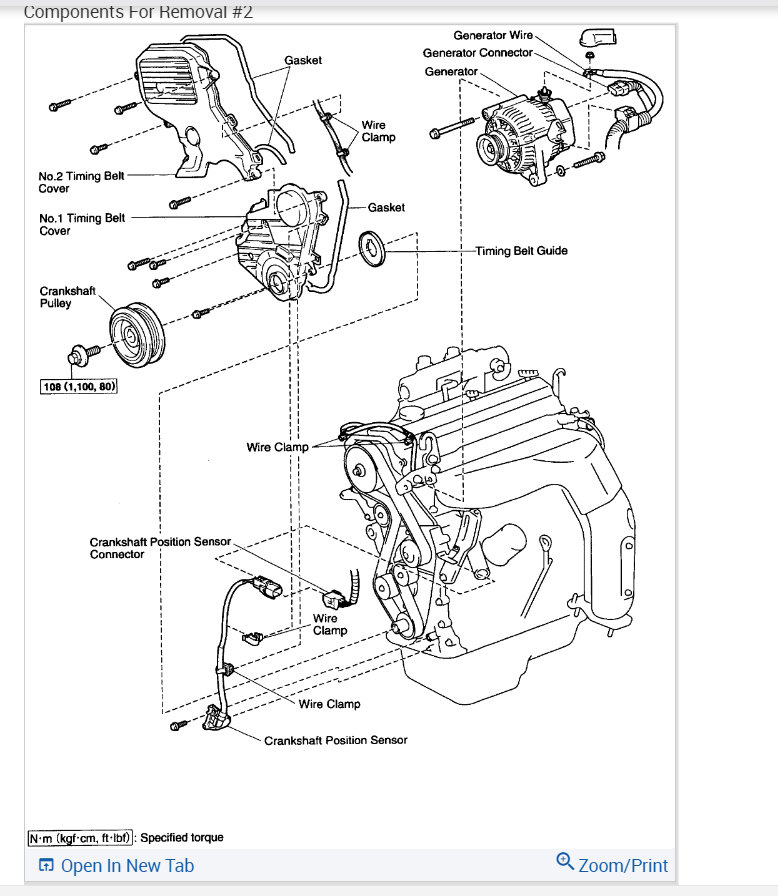
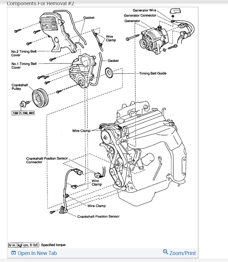
Both the camshaft sensor and the crankshaft sensor are on the front of the engine. The crankshaft sensor requires the removal of the timing belt and cover. Check out the images (below). Please let us know if you need anything else to get the problem fixed.
Images (Click to enlarge)
Sep 19, 2022 at 1:12 PM
Advertisement
Repair Safety Notice: This information is for general instructional purposes only. Vehicle repair can be dangerous. Verify all information, follow manufacturer service procedures, use proper tools and safety equipment, and consult a qualified repair shop when needed.