Hello it looks like you have 3 fans.....
Thanks for the donation
Blower Motor and Fan Replacement (LHD)
REMOVAL PROCEDURE

Remove the right side sound insulator.
Pull back the carpet near the blower motor.
Remove the IP compartment.
Remove the dash integration module from bracket.
Remove the two rear dash integration module bracket screws.
Reposition the dash integration module bracket to allow for removal of the blower motor.

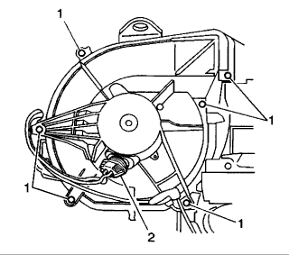
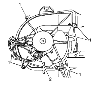
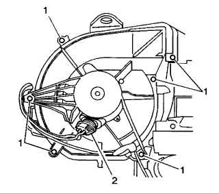
Disconnect the electrical connector (2) from the blower motor.
Remove the blower motor retaining screws (1).
Rotate and remove the blower motor from vehicle.
INSTALLATION PROCEDURE

Install the blower motor. Blower motor will need to be rotated to install into the housing.
Install the blower motor retaining screws (1).
Connect the electrical connector (2) to the blower motor.

Reposition the dash integration module bracket to its original position.
Install the two rear dash integration module bracket screws.
Install the IP compartment.
Reposition the carpet.
Install the right side sound insulator.

Remove the left sound insulator.
Disconnect the electrical connector (2) from the blower motor.
Remove the blower motor retaining screws (1).

Rotate the blower motor.
Remove the blower motor from vehicle.
INSTALLATION PROCEDURE


Install the blower motor retaining screws (1).
Connect the electrical connector (2) to the blower motor.
Install the left sound insulator.
Blower Motor and Fan Replacement - Auxiliary
REMOVAL PROCEDURE

Remove the left (1) and right console side panels.
Disconnect the console harness connector.
Disconnect the rear blower motor assembly electrical connectors.
Disconnect the air duct from the rear blower motor.

Remove the rear blower motor retaining bracket nuts.
Remove the bolts retaining the rear blower bracket to the IP.
Remove the rear blower motor retaining bracket studs.
Remove the rear blower motor insulator from under the rear blower motor assembly.
Push the rear blower motor assembly down.
Push the rear blower motor assembly forward to disengage the rear air duct.
Remove the rear blower motor assembly out the passenger side of console.
INSTALLATION PROCEDURE

Install the rear blower to its original position.
Engage the rear air duct.
Install the rear blower motor insulator under the rear blower motor assembly.
Install the rear blower motor retaining bracket studs.
Install the bolts retaining the rear blower bracket to the IP.
Install the rear blower motor retaining bracket nuts.

Connect the air duct to the rear blower motor.
Connect the rear blower motor assembly electrical connectors.
Connect the console harness electrical connector.
Remove the left (1) and right console side panels.
Find a car repair manual for your car - Repair Questions
Hope this helps
Sunday, October 19th, 2008 AT 7:54 PM