REMOVAL PROCEDURE

Disconnect the negative battery cable.
Remove the accessory drive belt.
Remove the radiator.
Remove the air conditioning condenser.
Raise and suitably support the vehicle.
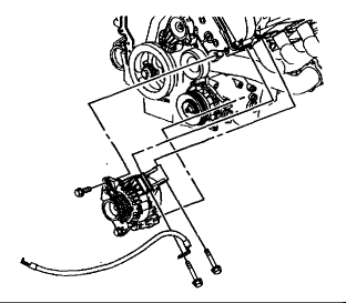
Disconnect the coolant outlet hose (1) from the generator.

Disconnect the coolant inlet hose (1) from the generator.

Disconnect the following electrical connections from the generator:
*Regulator
*Battery output
*Heated windshield (if equipped).

Remove the generator fasteners from the generator.
Remove the generator from the vehicle.
INSTALLATION PROCEDURE

Install the generator to the engine. NOTE : Refer to Fastener Notice in Cautions and Notices.
Install the generator fasteners. Tighten Tighten the generator fasteners to 50 N.m (37 lb ft) .

Connect the following electrical connections to the generator:
*Regulator
*Battery output
Tighten
Tighten the battery output cable to 20 N.m (15 lb ft) .
Heated windshield (if equipped).

Connect the coolant inlet hose to the generator.
Connect the coolant outlet hose to the generator.
Lower the vehicle.
Install the radiator.
Install the air conditioning condenser.
Install the accessory drive belt.
Connect the negative battery cable.
https://www.2carpros.com/kpages/auto_repair_manuals_alldata.htm
Wednesday, July 28th, 2010 AT 12:30 AM