Monday, January 19th, 2009 AT 4:07 PM
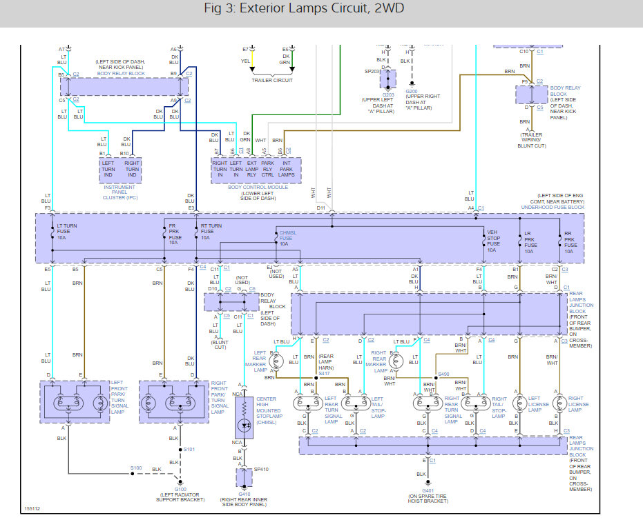
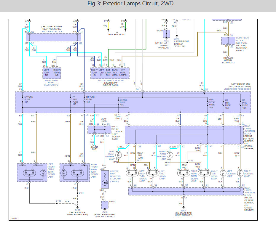
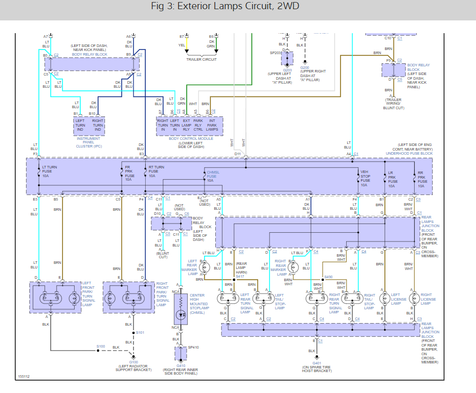
Hi, I have a 02 escalade ext and the lights for the gauges don't work, I've already checked the fuses, and the message center screen doesn't work at all either, also the lights and the numbers on the stereo and the letters or numbers on the trip computer (the one that says driver 1, fuel economy... ) Doesn't work most of the time and never at night but they do work after I run the truck for a little bit on the day........ What I want to know is if I can fix this by replacing the whole gauges and can I fix the other problem with the trip computer and the radio, what should I check and how I really cant afford to take it to a dealer or a decent shop... Thanks








