Wednesday, August 27th, 2008 AT 11:59 AM
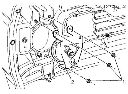
I have a replacement assembly for the drivers side foglight but cant decide the easiest way to get to it to replace it. Any help would be most appreciated



