Monday, November 2nd, 2009 AT 10:46 AM
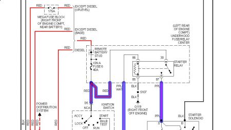
OK, this one has me stumped. A few weeks ago our Escalade wouldn't turn over. When the key was turned I would hear a loud click coming from the starter, nothing else. Eventually one of the clicks will catch and the truck will fire right up. It will only happen after it has been sitting overnight. On occassion, if I just hold the key in the start position it will fire after a 4-5 second delay. I have changed the starter, the starter relay and the fuel pump. Once it has started, it fires right up every time for the rest of the day. When it doesn't turn over by key, it also will not start by remote. I just get the same clicking sound. If it's not the starter, the relay or the fuel pump, what else could it be that would affect the key and remote when starting?




