Coil spring removal and installation is basically the same as lower control arm removal and installation, however, lower control arm does not need to be removal from vehicle completely to remove coil spring
LOWER CONTROL ARM
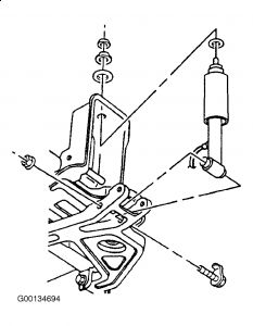
Removal & Installation
Raise and support vehicle.
Remove the tire and wheel assemblies.
Support the inboard end of the lower control arm with a transmission jack.
Position the brackets on the jack in order to securely hold the control arm.
Remove stabilizer link lower attachment.
Remove the shock absorber lower attachment..
Remove the inboard lower control arm nuts and bolts.
Slowly lower the transmission jack in order to relieve the spring pressure.
Pull the lower control arm outboard bolt, if you are removing the control arm.
NOTE:In order to insure proper orientation of the spring, rest the spring (without insulators) on a flat surface. The spring will stand up straight when resting on its lower end, but will lean or tip when resting on its top end.
NOTE:Perform a rear wheel alignment if you loosened the inner lower control arm fasteners.
To install, reverse removal procedures.
Perform a rear wheel alignment whenever inner lower control arm fasteners are loosened




Wednesday, September 23rd, 2009 AT 3:50 PM