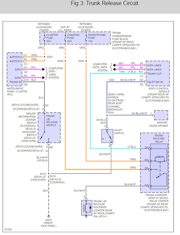
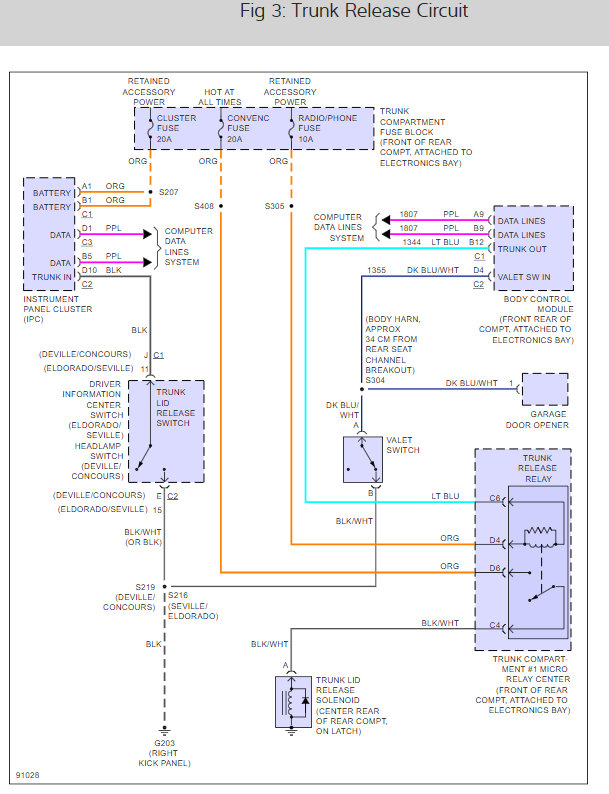
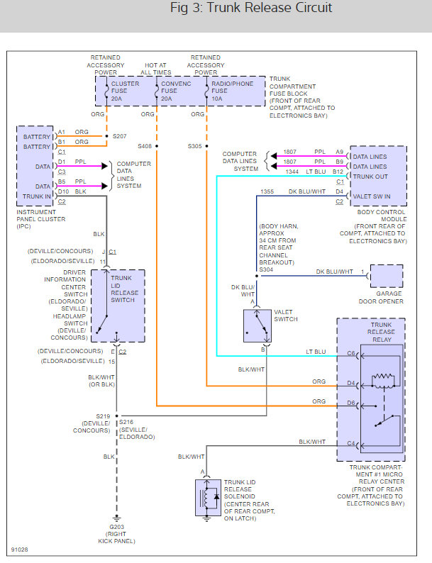
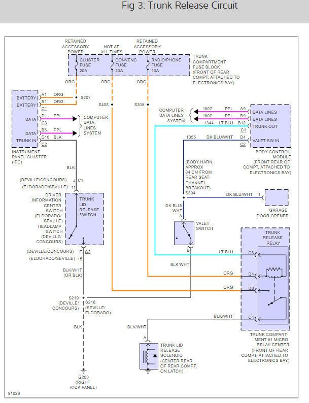
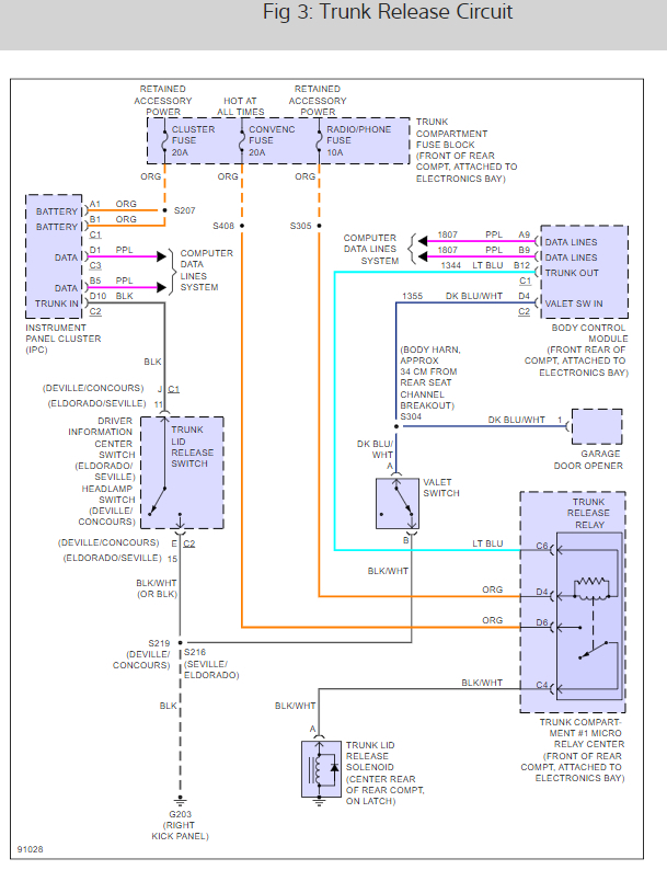
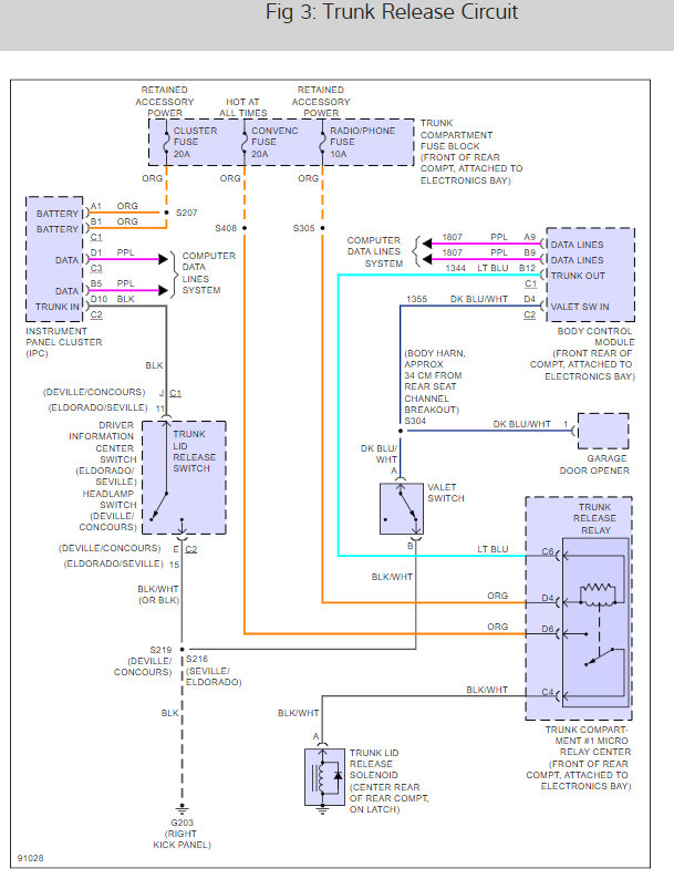
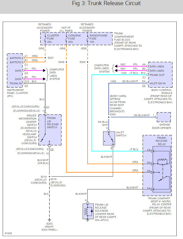
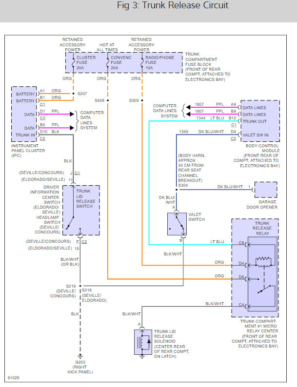
Thursday, February 26th, 2009 AT 5:27 PM
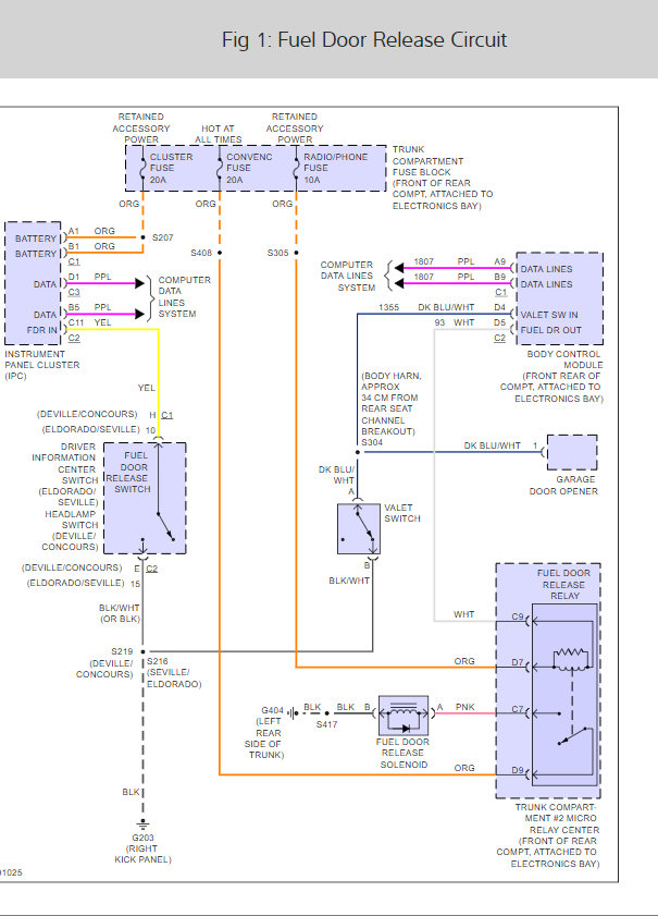
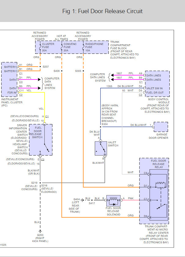
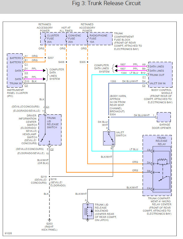
Trunk & Fuel Door will not release, when I push the dash release buttons. I checked for power at fuel door release solenoid, while button was being pressed, test light did not light. Checked fuses, and they were good, however cannot find relay for fuel door and trunk release solenoids.


