Cable came off of my power window

Tiny
BOOGIE SIZEMORE
  • MEMBER
  • 2001 BUICK CENTURY
  • V6
  • 2WD
  • AUTOMATIC
  • 35,000 MILES
My battery had ran down and I tried to roll up my window and the cable came loose. Need help reconnecting it.
Monday, January 13th, 2020 AT 12:01 AM

1 Reply

Tiny
ASEMASTER6371
  • MECHANIC
  • 52,796 POSTS
Good morning,

There is no putting it back.

The regulator has to be replaced. There is no repair kit for the cable coming out.

Roy

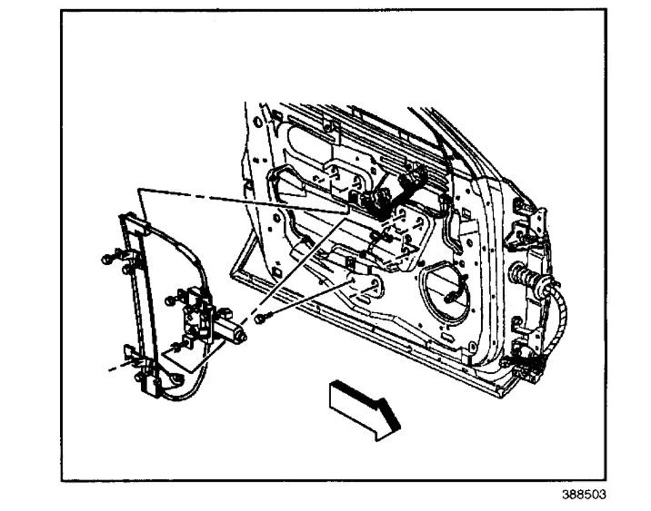
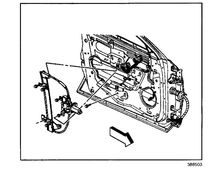
REMOVAL PROCEDURE

imageOpen In New TabZoom/Print

1. Remove the trim panel.
2. Remove the water deflector.
3. Raise the window far enough in order to gain access through the door inner panel to the window to regulator bolts (2).
4. Remove the window to regulator bolts.
5. Raise the window to the full up position.
6. Tape the window in the full up position.
7. Disconnect the electrical connector.

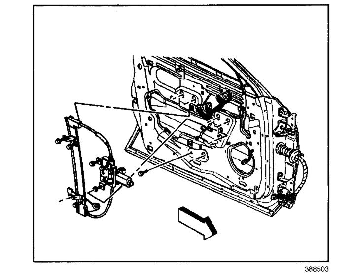
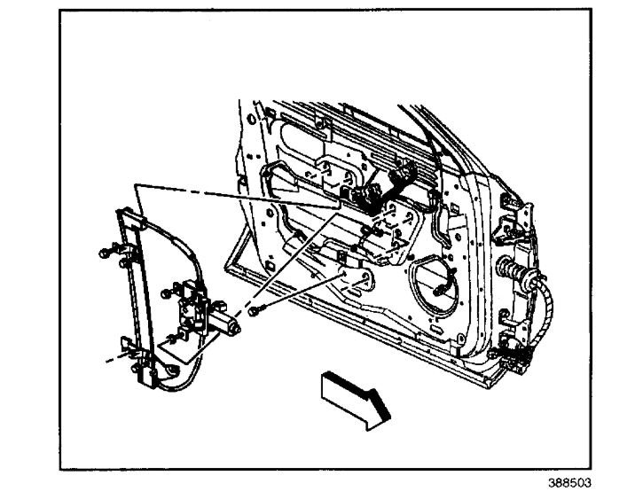
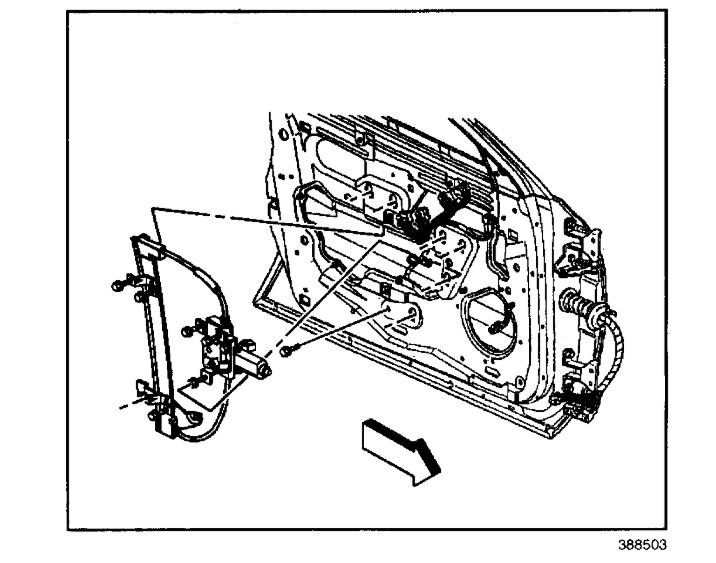
ImageOpen In New TabZoom/Print

8. Remove the four regulator mounting bolts.
9. Remove the three regulator motor bolts.
10. Remove the regulator from the door.
11. Remove the electrical connector.
12. Remove the regulator from the door.
Was this
answer
helpful?
Yes
No
Monday, January 13th, 2020 AT 2:01 AM

Please login or register to post a reply.