Cabin blower fan not working properly

Tiny
DWADKE
  • MEMBER
  • 2001 HONDA CIVIC
  • 1.7L
  • 4 CYL
  • 2WD
  • MANUAL
  • 125,000 MILES
Cabin blower motor speed keeps changing even on full speed. When turned off, fan remains on until key is shut off. Sometimes fan does not come on at all at any speed.
Tuesday, February 22nd, 2022 AT 11:01 AM

15 Replies

Tiny
JACOBANDNICKOLAS
  • MECHANIC
  • 110,194 POSTS
Hi,

The first thing we need to do is check the wiring connector at the blower motor and the speed controller.

The blower motor is located under the dash on the passenger side. If you look at the pic below, it shows the connectors I need you to inspect.

When checking them, make sure there is no evidence of the connector overheating, wiring damage, and make sure the connectors are in good condition and not loose.

Let me know what you find or if you have other questions.

Take care,

Joe

See pic below.
Was this
answer
helpful?
Yes
No
Tuesday, February 22nd, 2022 AT 8:25 PM
Tiny
DWADKE
  • MEMBER
  • 11 POSTS
All connectors and wire look good. In addition, I used a multimeter after disconnecting the blower motor connector and found that I got 12V at one of the 2 pins. The other must be ground. So, I removed the Power Transistor Module connector and then reconnected the blower motor connector. I used a jumper wire to give it ground, bypassing the Transistor, and the blower began to turn, but not at full speed. Hence, I think the bearings may be shot. Any ideas?
Was this
answer
helpful?
Yes
No
Wednesday, February 23rd, 2022 AT 9:32 AM
Tiny
JACOBANDNICKOLAS
  • MECHANIC
  • 110,194 POSTS
Hi,

If you ran 12v to the blower motor and provided a new ground, it should have run at full speed. It does sound like the blower motor may be going bad. Is there any noise from it when it runs such as a squeal, excessive vibration, or squeaking?

Let me know.

Joe
Was this
answer
helpful?
Yes
No
Wednesday, February 23rd, 2022 AT 6:52 PM
Tiny
DWADKE
  • MEMBER
  • 11 POSTS
No noise. But I gave it ground now again and the motor does not turn at all. Must be the motor. But then why did it not shut off when the speed control originally was set to off?
Was this
answer
helpful?
Yes
No
Thursday, February 24th, 2022 AT 5:44 AM
Tiny
JACOBANDNICKOLAS
  • MECHANIC
  • 110,194 POSTS
Hi,

That is a very good question. It may have been a short in the switch, the blower motor transistor, or simply a short to power.

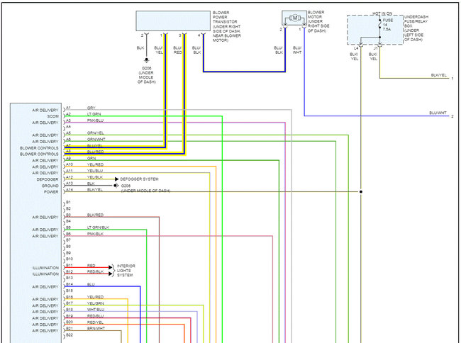
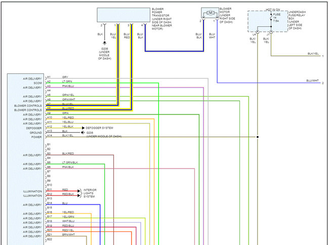
Take a look at pic 1 below. There should be two wires at the blower motor connector. The blue with a white tracer receives power from the blower motor relay. There should also be a blue wire with a black tracer. That is the ground. It runs to the transistor, and based on the speed selection, the transistor provides a ground path through different levels of resistance to change the motor speed.

Now, if you supplied 12v to the blue/white wire and ground to the blue/black wire, the fan should run full speed. Is that happening?

Also, the remaining pics are the wiring schematic for the circuit. I thought you may want to see if and use it as a reference.

Let me know.

Joe

See pics below.
Was this
answer
helpful?
Yes
No
Thursday, February 24th, 2022 AT 6:12 PM
Tiny
DWADKE
  • MEMBER
  • 11 POSTS
Like I said, now the motor does not turn at all when the key is on and ground is supplied at the blue/black wire. So definitely the motor. But is there a way to test if there is a switch or power transistor short?
Was this
answer
helpful?
Yes
No
Friday, February 25th, 2022 AT 5:47 AM
Tiny
JACOBANDNICKOLAS
  • MECHANIC
  • 110,194 POSTS
Hi,

Okay. When I check an electric motor, I always like to supply both the ground and power. That way I know there is nothing other than that could prevent it from operating.

As far as the test is concerned, I attached everything below. The diagnostics cover the switch, relay, power transistor, wiring, and blower motor.

Let me know if this helps.

Take care,

Joe

See pics below.
Was this
answer
helpful?
Yes
No
Friday, February 25th, 2022 AT 5:40 PM
Tiny
DWADKE
  • MEMBER
  • 11 POSTS
I got an aftermarket GPD Blower Motor today and tested it with a 9 V battery. Works great. Tried to fit it. Two screws went in tight and the third goes in crooked. So I did not tighten the third. Put the blower connector back on, but left the Power Transistor connector off. Gave it ground like before. The jumper wire arced a bit confirming current passing through the blower motor. But the Blower Fan did not come on. Could it be that it is slightly crooked and touching inside as it is not a perfect fit? Thanks.
Was this
answer
helpful?
Yes
No
Saturday, March 5th, 2022 AT 3:42 PM
Tiny
JACOBANDNICKOLAS
  • MECHANIC
  • 110,194 POSTS
Hi,

If you are running power directly to the motor, it certainly would be possible that it's being prevented from turning. Remove the motor and see if it will run.

Joe
Was this
answer
helpful?
Yes
No
Saturday, March 5th, 2022 AT 6:19 PM
Tiny
DWADKE
  • MEMBER
  • 11 POSTS
I removed two screws from the blower motor and jiggled it slightly. Then it seated better and then I re-screwed the two screws. Then I gave it ground and voila it runs. Connected the Power Transistor Module and it all works! The only difference from the original blower that I find is that when the temperature setting is made hotter the sound changes even in a cold or hot car, leading me to believe there may be a restriction in the damper that cuts off the cold air and redirects the engine air. How do I check that? Thanks.
Was this
answer
helpful?
Yes
No
Sunday, March 6th, 2022 AT 8:58 AM
Tiny
JACOBANDNICKOLAS
  • MECHANIC
  • 110,194 POSTS
Hi,

When you change the air temperature request, you are moving the blend air door. That is the likely cause of the sound change. Does the air flow seem to be restricted?

Joe
Was this
answer
helpful?
Yes
No
Sunday, March 6th, 2022 AT 7:21 PM
Tiny
DWADKE
  • MEMBER
  • 11 POSTS
No, the air flow seems to be fine. I just did not hear this sound with the original blower motor. But perhaps this one is pumping more air than the weak original one and hence the sound. Thanks.
Was this
answer
helpful?
Yes
No
Monday, March 7th, 2022 AT 4:37 AM
Tiny
JACOBANDNICKOLAS
  • MECHANIC
  • 110,194 POSTS
Hi,

That is very possible, or it may not be as well insulated. Regardless, let me know if things change or if there is anything I can do to help.

Take care,

Joe
Was this
answer
helpful?
Yes
No
Monday, March 7th, 2022 AT 5:29 AM
Tiny
DWADKE
  • MEMBER
  • 11 POSTS
Joe, thanks for all your help!
Was this
answer
helpful?
Yes
No
Monday, March 7th, 2022 AT 5:37 AM
Tiny
JACOBANDNICKOLAS
  • MECHANIC
  • 110,194 POSTS
Hi,

You are very welcome. Please feel free to come back anytime in the future if you have questions. You are always welcome here.

Take care,

Joe
Was this
answer
helpful?
Yes
No
Monday, March 7th, 2022 AT 6:34 AM

Please login or register to post a reply.