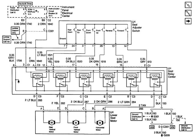
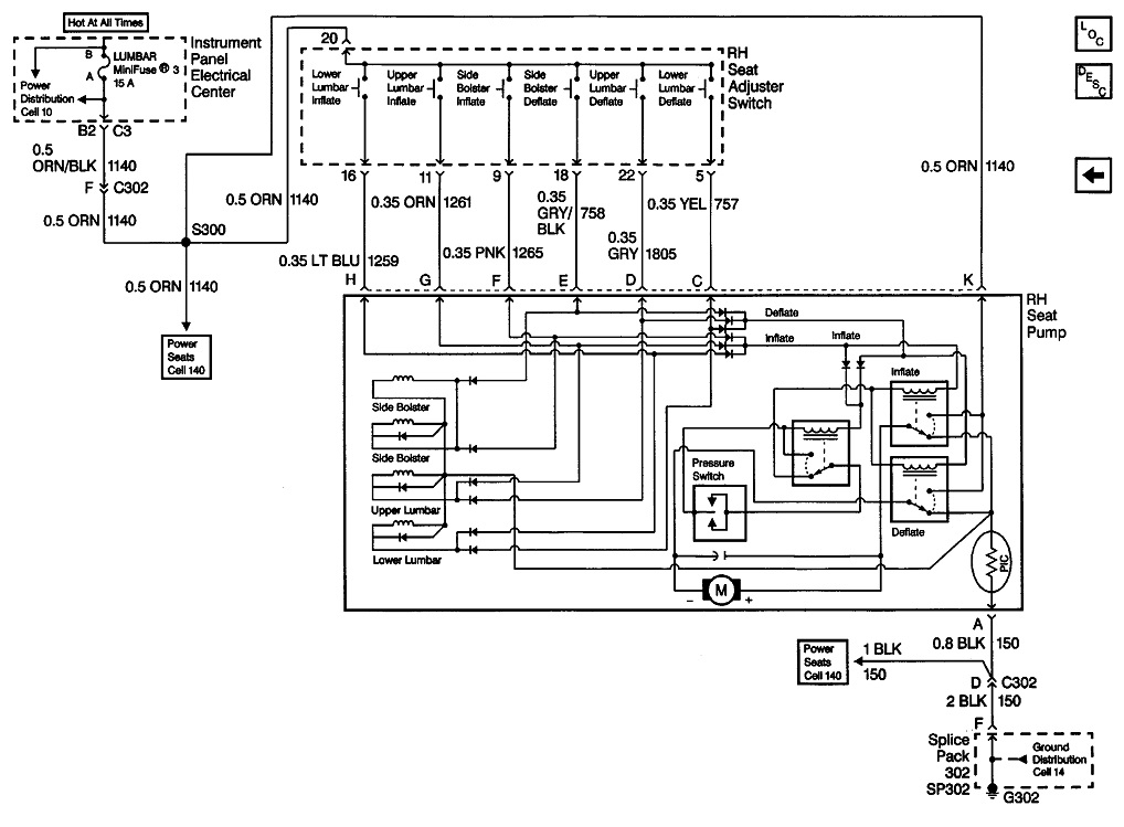
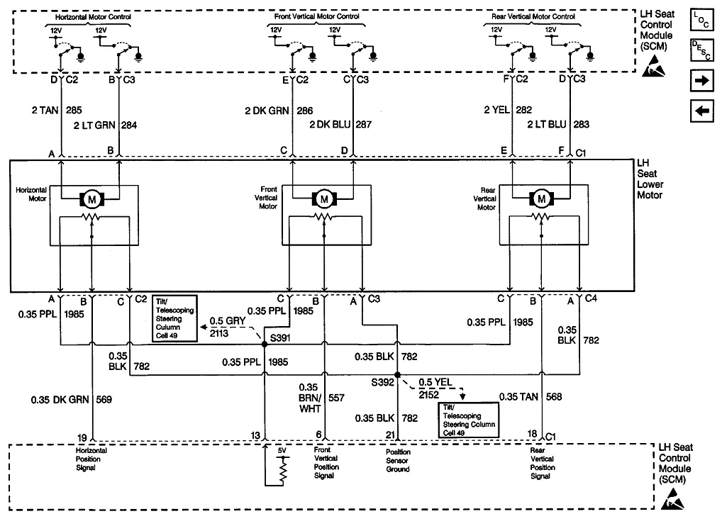
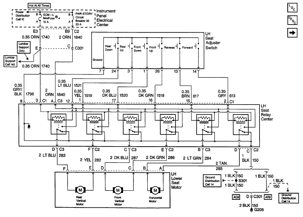
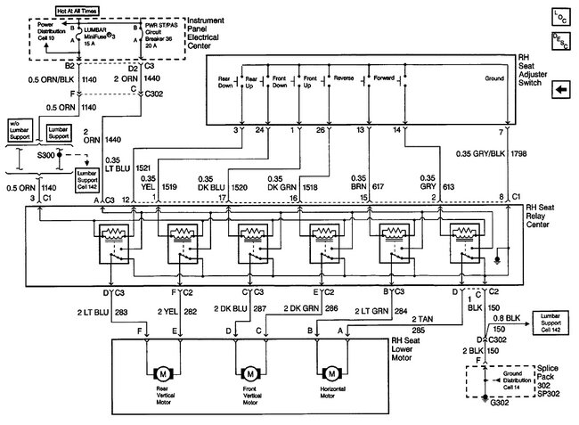
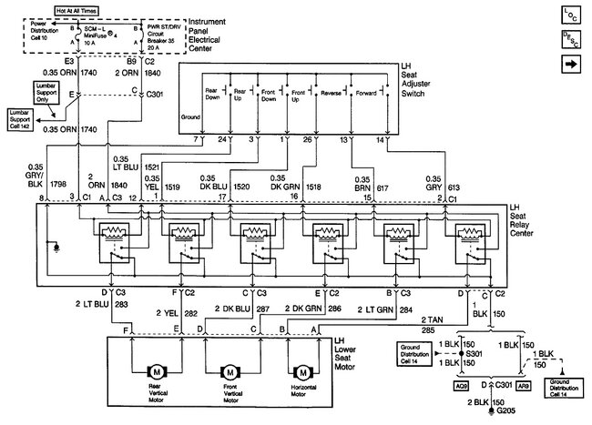
Can I get the diagram for the pin connector for the seat controls?

Tiny
RICCI DANGELO
  • MEMBER
  • 1999 CHEVROLET CORVETTE
  • V8
  • 2WD
  • AUTOMATIC
  • 105,000 MILES
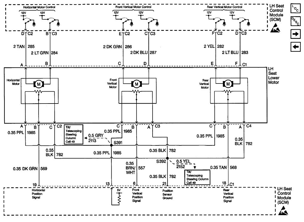
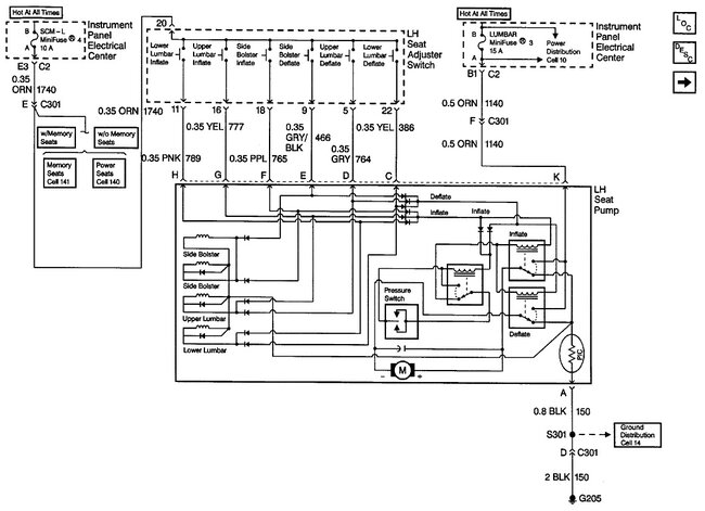
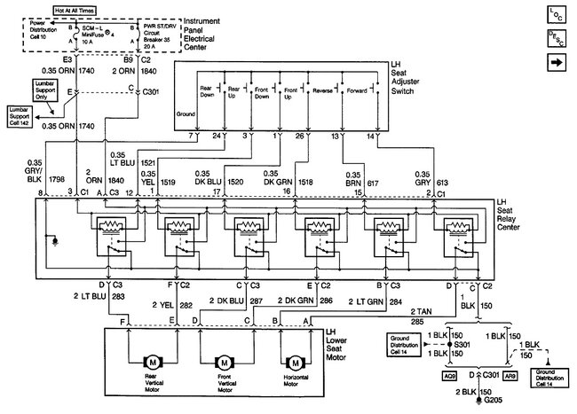
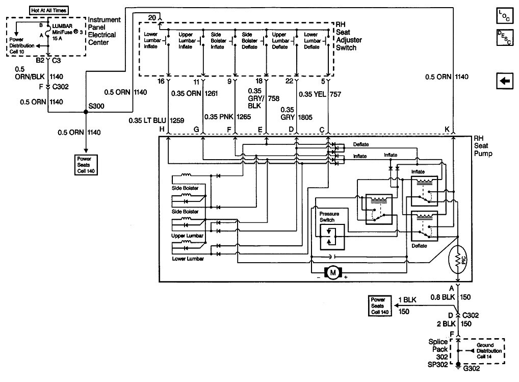
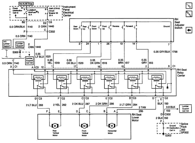
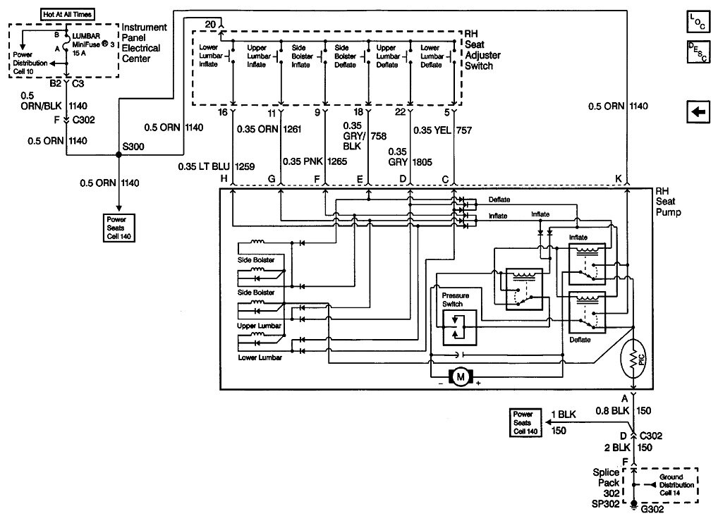
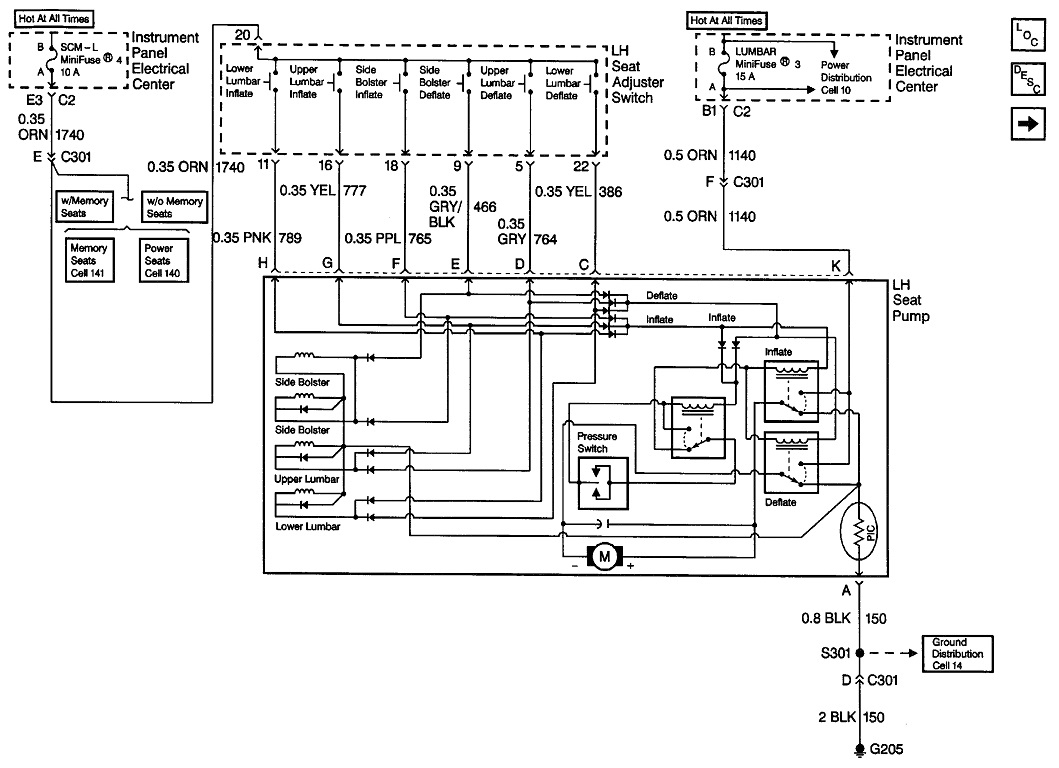
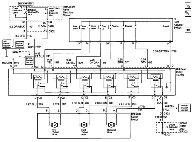
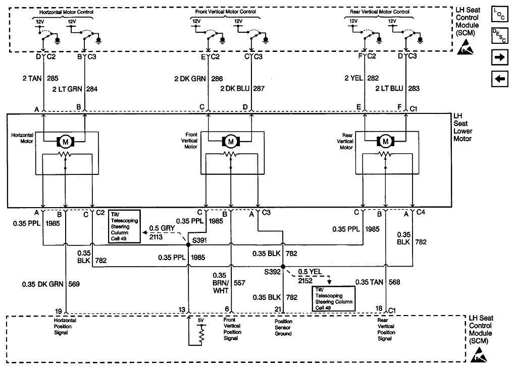
I’m looking for a diagram for the pin connector for the seat controls C5 1999 power seats.
Friday, January 20th, 2023 AT 12:27 PM

1 Reply

Tiny
CARADIODOC
  • MECHANIC
  • 34,448 POSTS
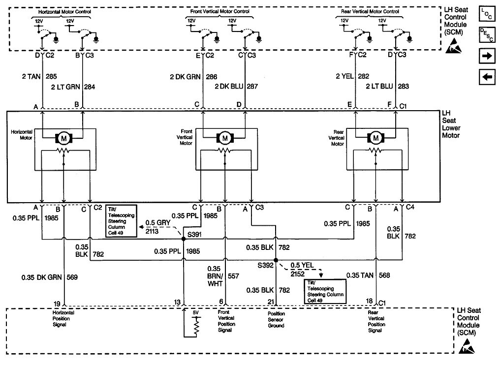
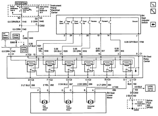
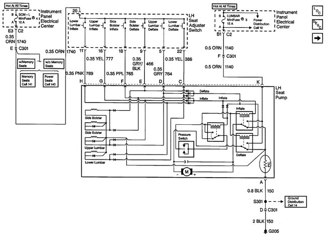
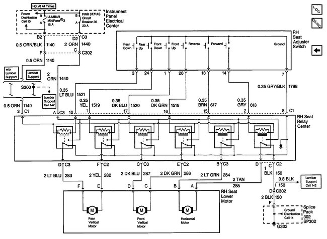
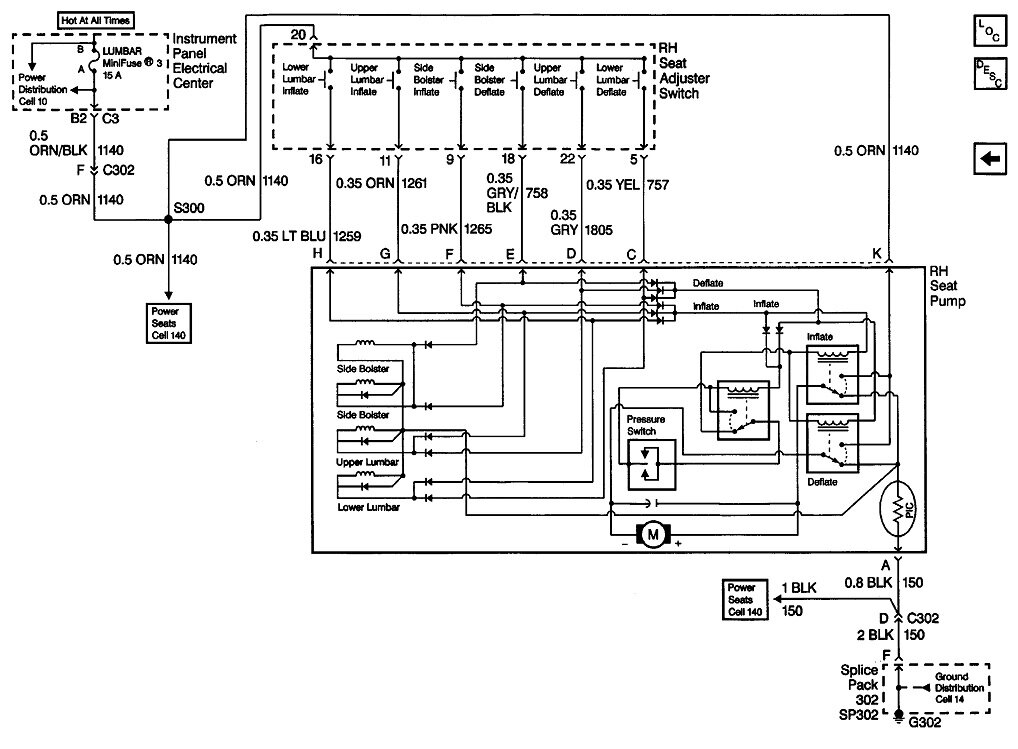
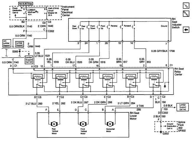
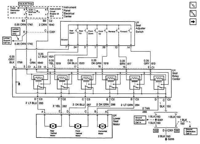
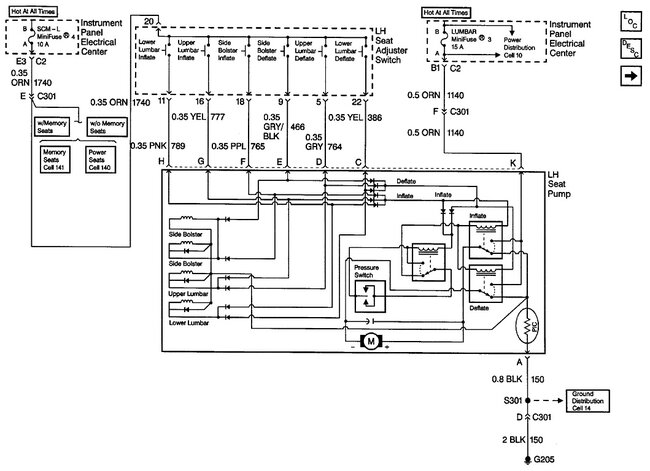
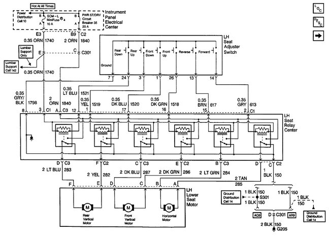
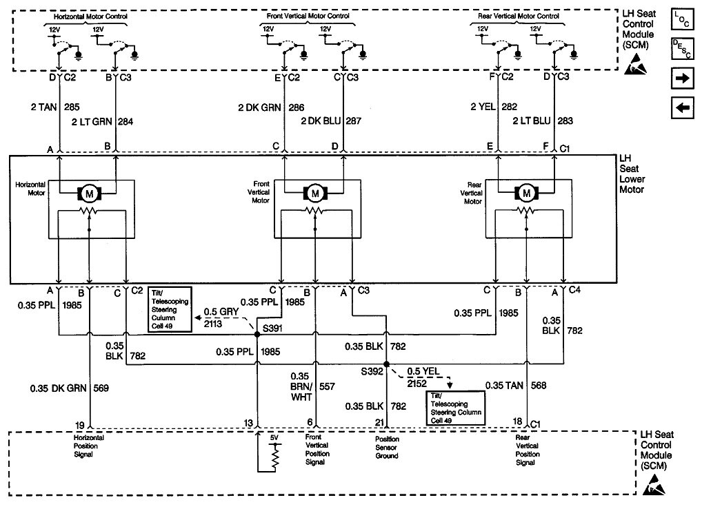
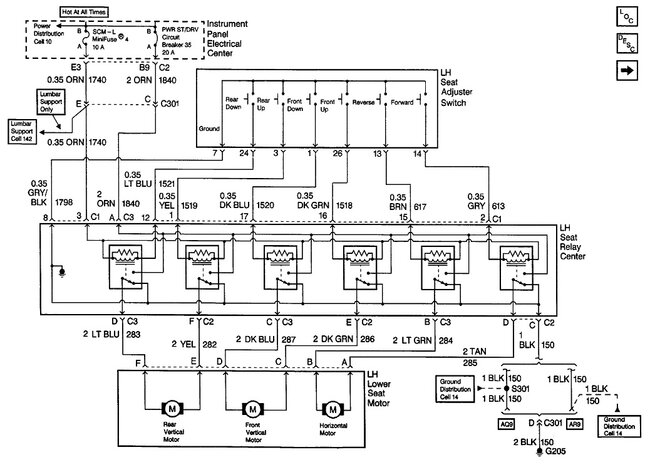
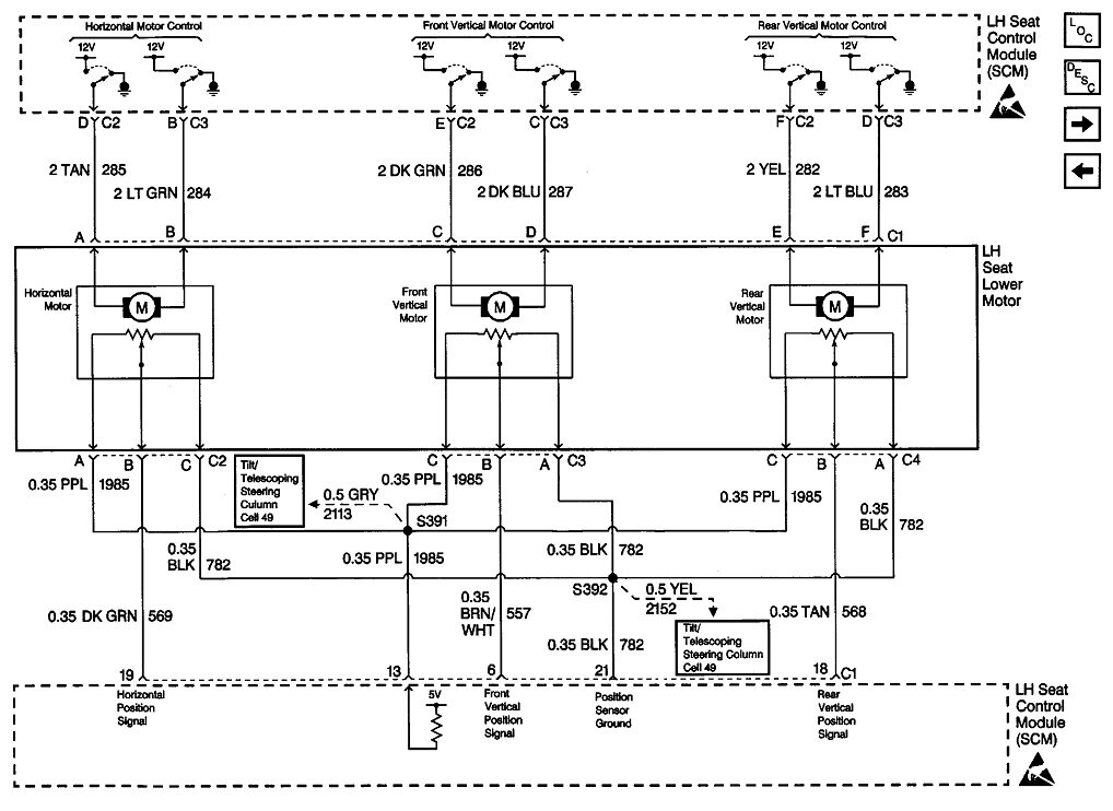
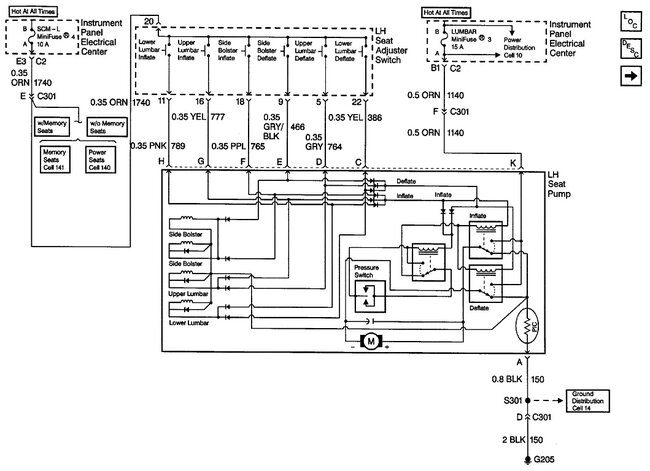
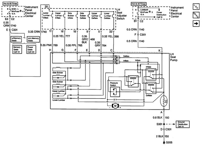
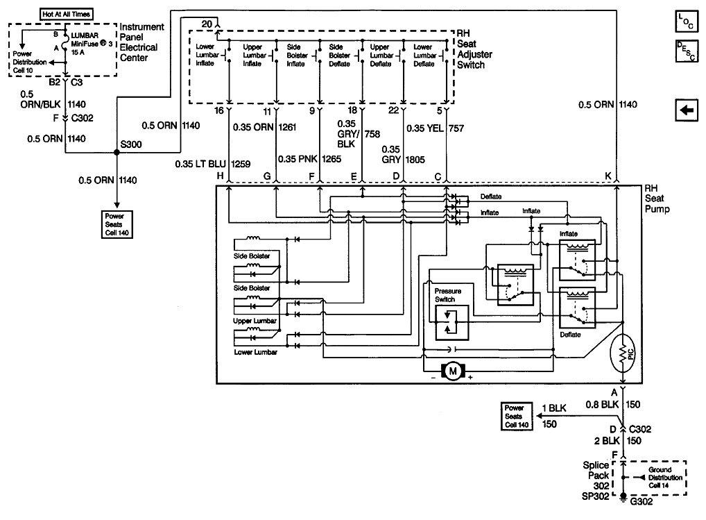
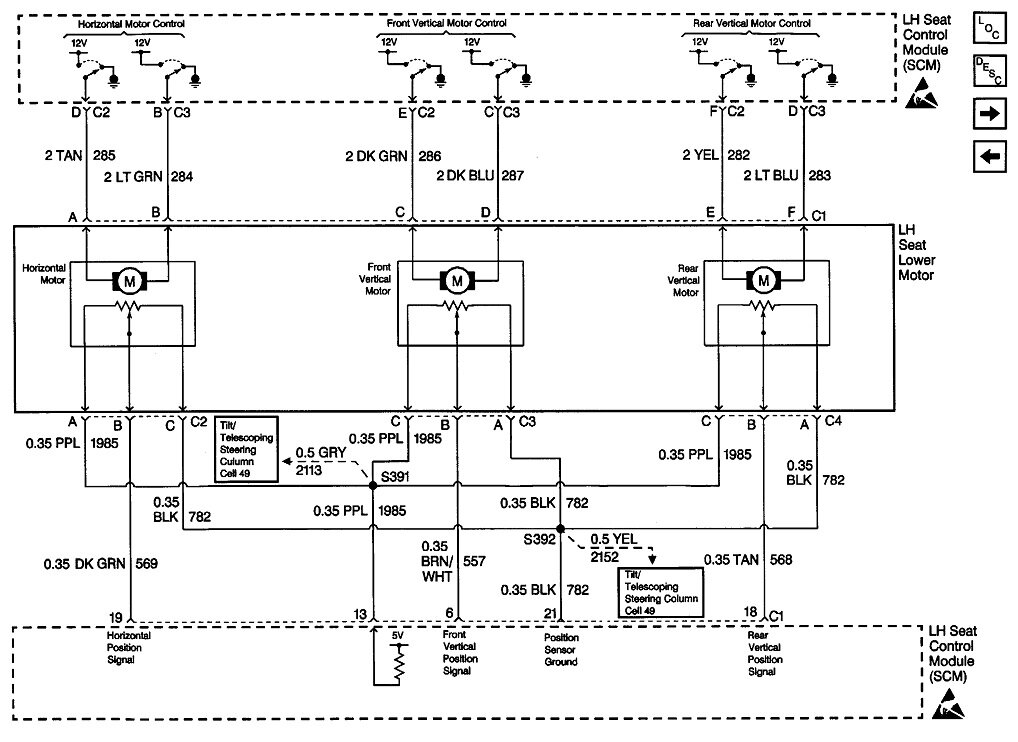
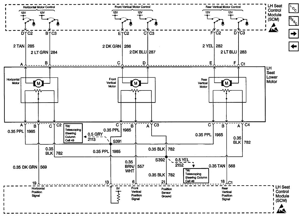
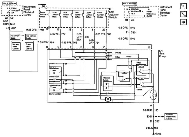
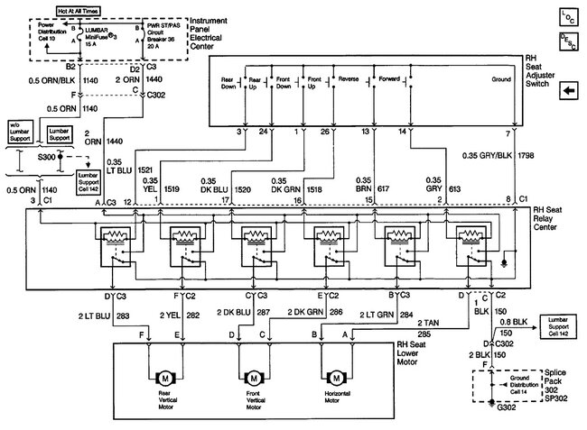
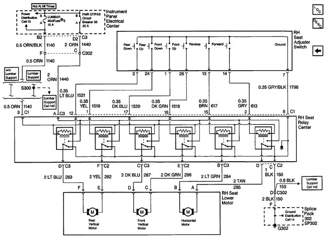
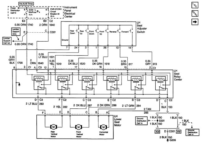
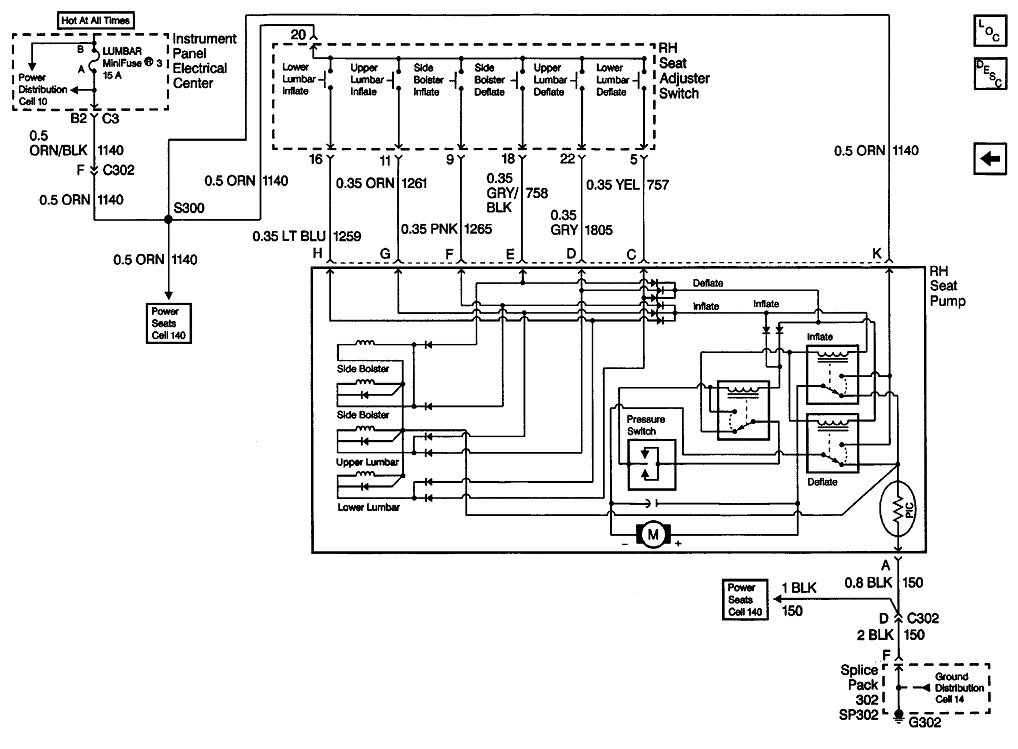
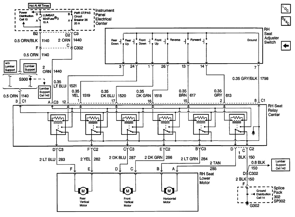
I apologize that there's so many diagrams. I tried to put them in some kind of order, but there really isn't a good way to do that. You'll have to look through all of these. This is everything related to power seats, diagrams and connector views. A couple of the connector views might be duplicates. If they are, it's because they showed up under multiple circuits, but with different names.
Was this
answer
helpful?
Yes
No
+2
Friday, January 20th, 2023 AT 1:37 PM

Please login or register to post a reply.