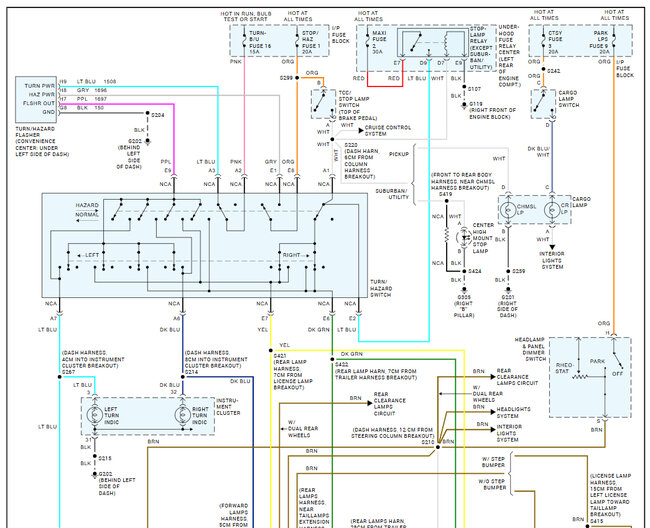
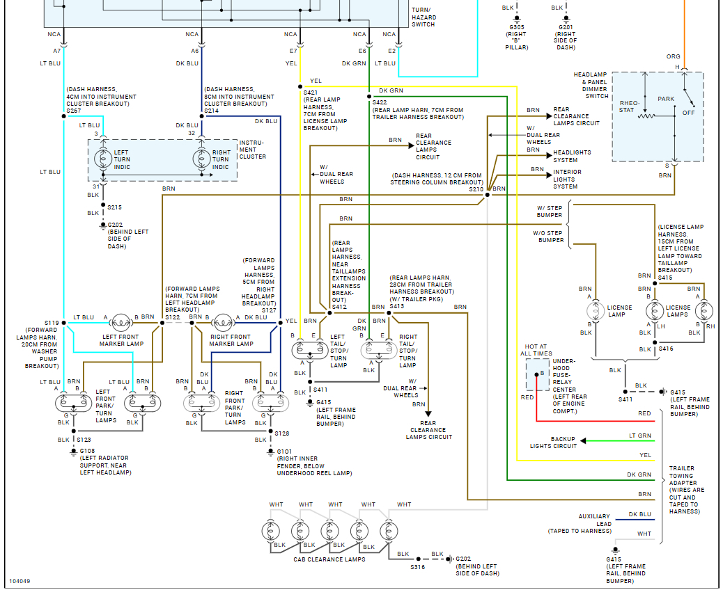
I do not have signal at the multifunction switch. I disconnected the firewall bulkhead to inspect it for damage and there was none. I did find that the light blue wire turns to a dark green wire and runs back through the bulkhead. It then goes along the left hand fender towards the core support. I reconnected the bulkhead and pushed power through the light blue wire and picked it up at that green wire.
I am suspicious that the wiring harness in side the cab has been changed. I'm hoping to get confirmation on that, and help finding a path forward from here. I've seen some pinouts of the bulkhead and am concerned that it's got a suburban harness swapped into the cab.
Tuesday, November 18th, 2025 AT 7:13 AM




