Bulb Warning?

Tiny
SBMISRY
  • MEMBER
  • 2010 VOLKSWAGEN JETTA
  • 2.5L
  • 5 CYL
  • 2WD
  • AUTOMATIC
  • 130,000 MILES
I purchased this vehicle last month. It had a solid yellow bulb warning light on. The dealer changed a rear bulb out on the passenger side. The light remained on. I replaced both corner light bulbs and both amber turn signal bulbs. Light is still on. Any one know of a fix or have fixed this issue?
Thursday, February 9th, 2023 AT 6:35 AM

14 Replies

Tiny
JACOBANDNICKOLAS
  • MECHANIC
  • 110,192 POSTS
Hi,

Have you checked all lights including the brake lamps, turn signal, back up lamps, license plate lamps, and so on?

Let me know.

Joe
Was this
answer
helpful?
Yes
No
Thursday, February 9th, 2023 AT 2:51 PM
Tiny
SBMISRY
  • MEMBER
  • 60 POSTS
Yes, all the bulbs have been changed. I was playing around with a way to clear the bulb light by using the small buttons on the instrument panel. Hit the brake pedal 3 times. And the light went out. But as soon as I put it in reverse it came back. I can't get it to repeat. Not sure if there is a certain way to reset it.
Was this
answer
helpful?
Yes
No
Thursday, February 9th, 2023 AT 3:33 PM
Tiny
JACOBANDNICKOLAS
  • MECHANIC
  • 110,192 POSTS
Hi,

The circuit is designed to recognize low or no voltage at any of the bulbs. Does it indicate a specific light? By any chance, has anyone changed any of the bulbs to LEDs? That will cause this. I did find a technical service bulletin (TSB) related to an issue. I will attach that below in the pics.

Before we jump to that, try this.

1) Turn the key to the run position (engine off).

2) Locate the odometer button at the bottom left of the cluster.

3) Press and hold the button until a "service" message appears and release the button.

4) Press and release the button. A message to the warning lamp should appear.

5) Press the button until you get to the bulb warning lamp.

6) Oonce on the bulb warning lamp indicator, press and hold the button.

7) It should indicate a reset is in progress. Hold it until it indicates reset successful.

8) Release the button and turn the key off.

_______________________________

If that doesn't help, take a look through this TSB and let me know if you feel it is relevant to your issue.

Take care,

Joe

See pics below. The TSB is somewhat technical, but I wanted to make you aware of it.
Was this
answer
helpful?
Yes
No
Thursday, February 9th, 2023 AT 6:22 PM
Tiny
SBMISRY
  • MEMBER
  • 60 POSTS
The low beams have been changed to LED lights by Lasfit. I went and got inline resistors. Light remained. I went and bought 4 h7 night vision halogens. Still had the light on. So, I put the LEDs back in. I'm going to go out and try that reset procedure. By the way do you know the reset procedure for the service message with the wrench?
Was this
answer
helpful?
Yes
No
Thursday, February 9th, 2023 AT 6:48 PM
Tiny
JACOBANDNICKOLAS
  • MECHANIC
  • 110,192 POSTS
Hi,

I attached the directions below. There are three different set-ups based on the vehicle. Basically, the buttons used may look different or be in a different place. All are included.

Let me know if this helps.

Joe

See pics below.
Was this
answer
helpful?
Yes
No
Thursday, February 9th, 2023 AT 7:05 PM
Tiny
SBMISRY
  • MEMBER
  • 60 POSTS
Okay, I've tried this multiple times and can't get anywhere. As far as the TPS goes it sounds kind of like the issue I'm having, however the VIN number range doesn't include mine.
Was this
answer
helpful?
Yes
No
Friday, February 10th, 2023 AT 8:30 AM
Tiny
JACOBANDNICKOLAS
  • MECHANIC
  • 110,192 POSTS
Hi,

If you can't get the bulb indicator to turn off, you may need to get a scan tool that can do it. However, it shouldn't be required.

By chance do you have access to a scan tool designed for VAG?

Joe
Was this
answer
helpful?
Yes
No
+1
Friday, February 10th, 2023 AT 9:14 PM
Tiny
SBMISRY
  • MEMBER
  • 60 POSTS
No. I've been looking online at some, they are so expensive.
Was this
answer
helpful?
Yes
No
Saturday, February 11th, 2023 AT 3:18 AM
Tiny
SBMISRY
  • MEMBER
  • 60 POSTS
I don't have the extra features in the info screen. No adjustment features on the windshield wiper arm, and no adjustments on the steering wheel either. I went from light to light today with a multimeter. All the bulbs are good. However, the orange turn signal bulbs in the headlamp housing are the wrong ones, as well as the small bulbs that are in with the high beams. They both have the wrong bulb number. It has #194 bulbs and is supposed to be the w5w. Funny thing is the Wires seem to have something wrong. Both sides will not go to zero. Down to around 3 to 3.5. All the other lines went to around.8.
What could be causing this?
Was this
answer
helpful?
Yes
No
Saturday, February 11th, 2023 AT 1:47 PM
Tiny
JACOBANDNICKOLAS
  • MECHANIC
  • 110,192 POSTS
Hi,

Were you able to get the correct bulbs? If so, did it make any difference?

As far as the 3v to 3.5v, that is usually the result of a short to power, in this case, it is minimal. However, you are correct. It shouldn't be present if things are turned off.

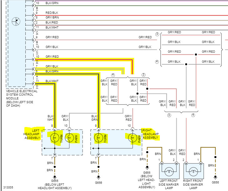
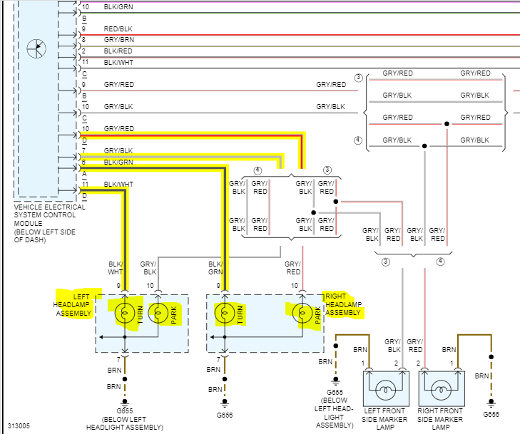
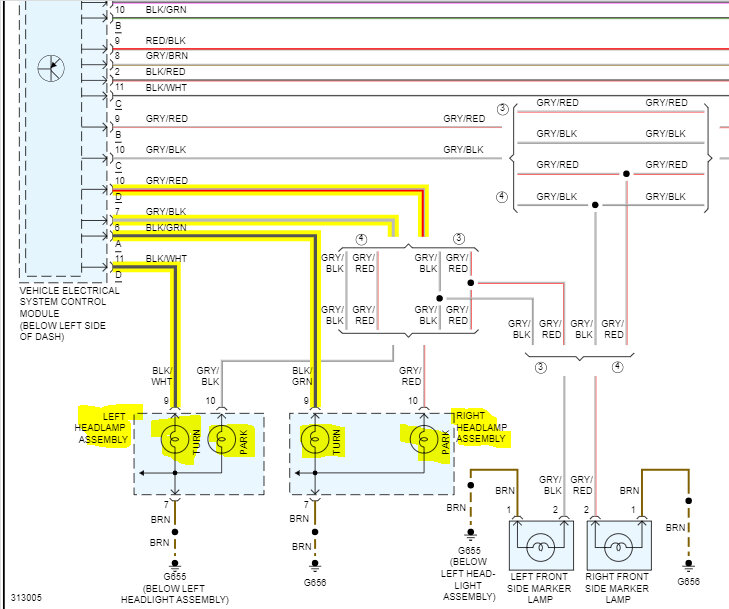
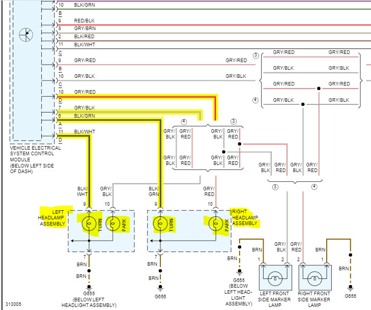
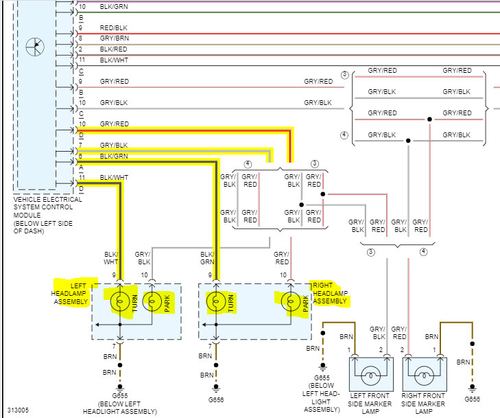
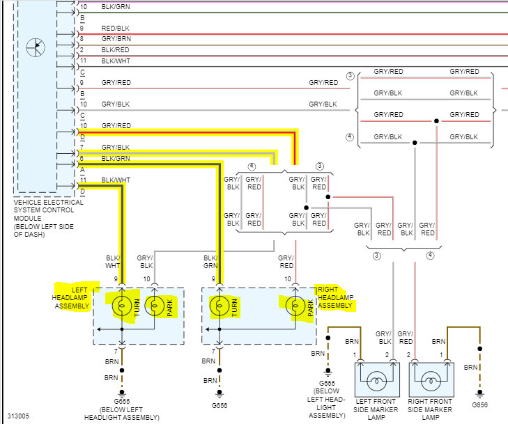
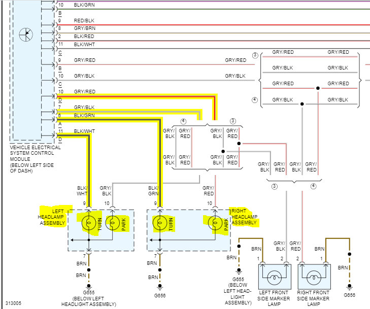
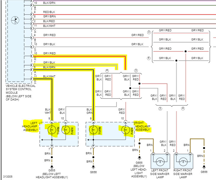
What to do is locate the vehicle electrical control module. It's under the dash on the left. See pic 2 below.

Pic 1 shows the wires to the module from the headlamp assemblies. You need to see if there is power present all the time there or if there is a connector issue. Pic 1 shows the module wiring.

Let me know what you find.

Take care,

Joe

See pics below.
Was this
answer
helpful?
Yes
No
+1
Saturday, February 11th, 2023 AT 9:29 PM
Tiny
SBMISRY
  • MEMBER
  • 60 POSTS
I will try to get the correct bulbs either tomorrow or Monday morning.
Was this
answer
helpful?
Yes
No
Saturday, February 11th, 2023 AT 10:34 PM
Tiny
JACOBANDNICKOLAS
  • MECHANIC
  • 110,192 POSTS
Hi,

Thanks for the update. I have a feeling that it is going to take care of the issues.

Let me know if it does. I'm interested in knowing.

Take care of yourself,

Joe
Was this
answer
helpful?
Yes
No
Sunday, February 12th, 2023 AT 7:45 PM
Tiny
SBMISRY
  • MEMBER
  • 60 POSTS
Okay, sorry, it has taken so long to reply. Life became a little hectic. Anyways picked up a AutoPhix 7610 code reader. Left low beam, right low beam, and high mount brake light. I don't see a high Mount brake light. Can I shut that off and did that car even come with a high mount brake light? The only other code is for the radio because it is not the factory radio it is a Sony so that leads me to my question about adaptation. Is there any way I can like adapt that one in there in place of the factory one?
Was this
answer
helpful?
Yes
No
Friday, February 24th, 2023 AT 6:55 PM
Tiny
JACOBANDNICKOLAS
  • MECHANIC
  • 110,192 POSTS
Hi,

As far as the radio is concerned, to the best of my knowledge, no. It can't perform the same way as the OEM radio.

As for the high-mount brake lamp, it should be at the top of the rear window. See pic 1. Pics 2 and 3 are directions for its removal.

Let me know if it's there.

Take care,

Joe

See pics below.
Was this
answer
helpful?
Yes
No
Friday, February 24th, 2023 AT 9:27 PM

Please login or register to post a reply.