1.Disconnect the negative battery cable for safety purposes.
2.Remove the front upper trim panel. Pry at the side of the panel to disengage the tabs, and carefully pull rearward.
3.Remove the power door lock/window switch from the door panel. After removing any screws, carefully pry upwards on the switch bezel, and unplug the electrical connectors.
4.Disengage the manual lock knob by pulling outward to disengage it from the rod.
5.Remove the door inside handle escutcheon.
6.Carefully pry the reflector from the door panel.
7.If equipped, remove the window regulator handle. Refer to the illustration.
8.Remove all screws from the door panel, including those behind the reflector, and under the armrest.
9.Using a suitable tool, disengage the door panel clips from the door.
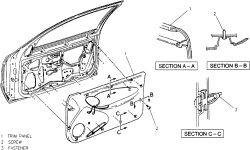
10.Carefully remove the door panel from the vehicle.

To install:
11.Note the relationship of the hooks and clips on the door panel. Carefully place the door panel on the door, making sure the upper and lower hooks are engaged.
12.Press inward on the clips on the door panel, making sure they snap into position.
13.Install all screws to the door panel, including those behind the reflector, and under the armrest.
14.If equipped, install the window regulator handle.
15.Snap the reflector onto the door panel.
16.Install the door inside handle escutcheon.
17.Engage the manual lock knob.
18.Plug in the window switch/door lock panel, and snap it into position on the door panel. Install any retaining screws.
19.Install the front upper trim panel.
20.Connect the negative battery cable.
Friday, April 2nd, 2010 AT 12:52 PM