Serpentine belt replacement

Tiny
RAPJR72
  • MEMBER
  • 2004 BUICK RENDEZVOUS
Engine Mechanical problem 6 cyl Front Wheel Drive Automatic 70000 miles

I would like to know how to change the serpentine belt on my rendezvous. It has the 3400 sfi v6 engine. Is there an automatic belt tensioner I can loosen to get the belt off? Thanks for the help.
Tuesday, August 5th, 2008 AT 1:53 PM

6 Replies

Tiny
OBXAUTOMEDIC
  • MECHANIC
  • 3,711 POSTS
Hello,

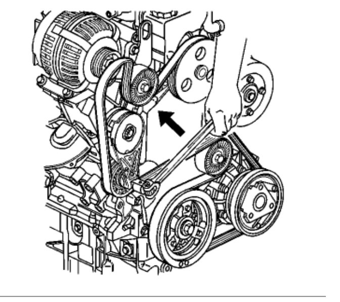
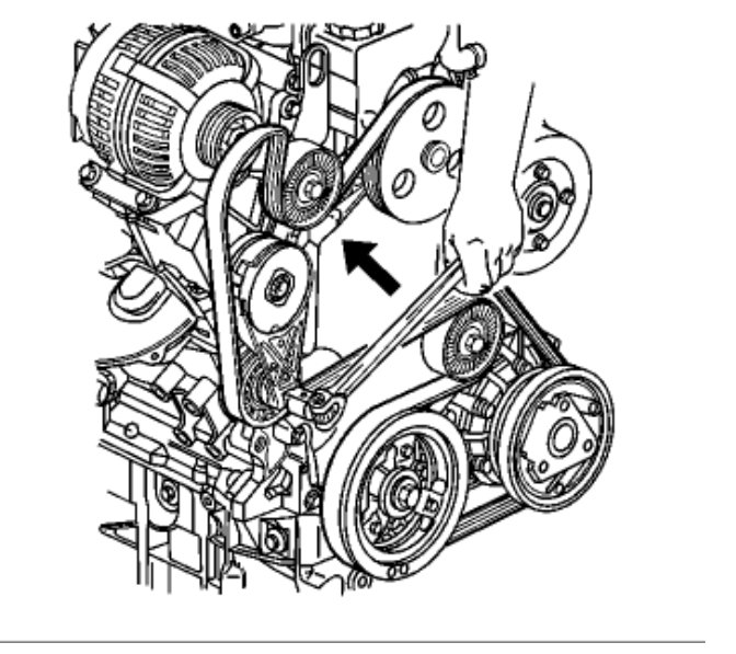
Here is a guide and a link to the diagrams to get the job done. This guide on how to change the belt will give you an idea of what you are in for when doing the repair

https://www.2carpros.com/articles/replace-serpentine-belt

Here is the job for your car

https://www.2carpros.com/diagrams/buick/rendezvous/2004

Here are the serpentine belt diagrams for both 4 and 6 cylinder engines (below)

Please let us know what happens.

Cheers
Was this
answer
helpful?
Yes
No
+1
Tuesday, August 5th, 2008 AT 2:55 PM
Tiny
RAPJR72
  • MEMBER
  • 2 POSTS
Thanks for the pic. I did successfully get the belt off and back on again, although the area is rather confined with MANY sharp edges as my arms can attest. Lol Thanks again for the help. This site rocks!
Was this
answer
helpful?
Yes
No
+4
Wednesday, August 6th, 2008 AT 8:59 AM
Tiny
BILLHENDLER
  • MEMBER
  • 4 POSTS
I replaced the serpentine belt but it is extremely tight and I fear ruining something, is there an adjuster on the alternator or anywhere else?
Was this
answer
helpful?
Yes
No
Wednesday, April 1st, 2020 AT 10:45 AM
Tiny
KASEKENNY
  • MECHANIC
  • 18,907 POSTS
The belt tensioner is solely responsible for holding the proper amount of tension on the belt. So this means I think you need to look at two things. First check the tension on the tensioner. Are you able to move the tensioner or is it so tight that there is no travel on the tensioner?

If not then you need to check the length of the belt. I attached the OEM part number just for you to cross reference the one that you have. I suspect it may be too short if it is in fact too tight.

Let me know if you have questions or what you find with this info. Thanks
Was this
answer
helpful?
Yes
No
+1
Wednesday, April 1st, 2020 AT 5:02 PM
Tiny
BILLHENDLER
  • MEMBER
  • 4 POSTS
After running it and shutting it down the new belt seemed to relax, I pulled it off and back on easily, the tensioner does have a bit of play just not as much as the old belt hence the reason to change it. It's all good now. I even called the store where I bought it just to check the product number which were correct so I'm good and thank you very much for your professional advice and quick response.
Was this
answer
helpful?
Yes
No
Thursday, April 2nd, 2020 AT 6:41 AM
Tiny
KASEKENNY
  • MECHANIC
  • 18,907 POSTS
Awesome. Thanks for the update. I did forget to mention that the belt will relax after it heats up a couple times. Glad you brought that up. I am sure that info will help others that visit this site with this issue. Thanks again. Please come back to 2CarPros in the future.
Was this
answer
helpful?
Yes
No
Thursday, April 2nd, 2020 AT 4:23 PM

Please login or register to post a reply.