2:10 P.M. 2/4/10
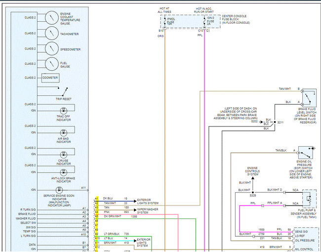
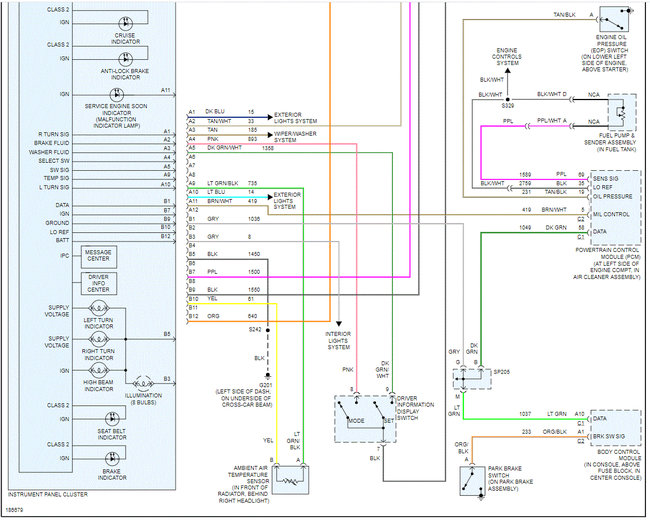
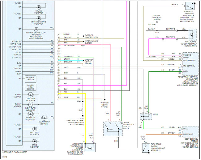
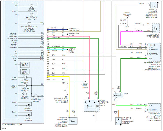
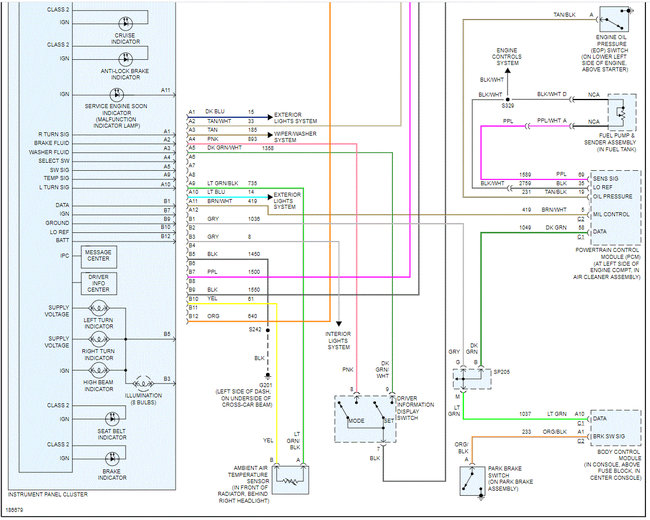
I forgot to mention earlier that I did take it too advanced auto, and autozone as well. No codes were found. That is part of the delima. I also thought that maybe it could have been calling for an oil change. I called the dealer and got the code to turn on the ignition, but not actually start the car, just pump the gas pettle 3 times. So I did that several times and the service engine soon light blinked and would come back on. Is there anything else like the oil changing sensor that would give a service engine soon light. I checked all fluids and made sure they were full. Im clueless.
Thursday, February 4th, 2010 AT 9:01 AM






