2004 Buick Rendezvous AWD

Tiny
STEWARD
  • MEMBER
  • 2004 BUICK RENDEZVOUS
  • 6 CYL
  • AWD
  • AUTOMATIC
  • 102,000 MILES
AWD DISABLE, MESSAGE IS ON IS THIS A HARD JOB TO REPAIR. COULD THIS HAVE BE CAUSED BY NOT CHANGING ALL 4 TIRES AT ONE TIME
Sunday, May 24th, 2009 AT 8:09 PM

1 Reply

Tiny
DENNYP
  • MECHANIC
  • 1,824 POSTS
All 4 tires must have the same rolling circumference in order for this system to work properly. The tires must be replaced as a full set.
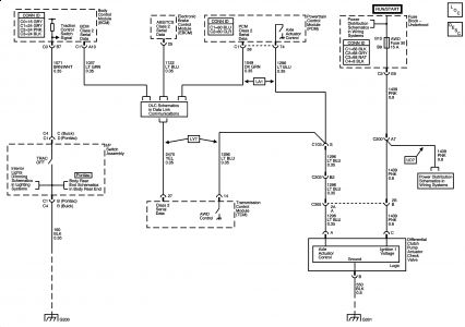
Follow this diagnostic procedure to diagnose the clutch pump actuator.


https://www.2carpros.com/forum/automotive_pictures/102900_646415_1.jpg




https://www.2carpros.com/forum/automotive_pictures/102900_diff_2.jpg

Was this
answer
helpful?
Yes
No
+1
Sunday, May 31st, 2009 AT 5:17 PM

Please login or register to post a reply.