2003 Buick Rendezvous Blower Motor

Tiny
ICE121006
  • MEMBER
  • 2003 BUICK RENDEZVOUS
  • 6 CYL
  • AWD
  • AUTOMATIC
  • 95,000 MILES
My switch for the blower motor just stop working one day. It worked the next day, but now it stopped for good.
Thursday, August 5th, 2010 AT 8:34 AM

10 Replies

Tiny
KHLOW2008
  • MECHANIC
  • 41,814 POSTS
Hi ice121006,

Thank you for the donation.

Do you mean the blower is not working in all speed modes?
Was this
answer
helpful?
Yes
No
+2
Thursday, August 5th, 2010 AT 9:33 AM
Tiny
ICE121006
  • MEMBER
  • 6 POSTS
Yes all speeds are not working.
Was this
answer
helpful?
Yes
No
Thursday, August 5th, 2010 AT 11:59 AM
Tiny
KHLOW2008
  • MECHANIC
  • 41,814 POSTS
The first thing to do is to check if the blower fan motor is faulty.

Give the blower housing behind the glove box some banging with your hands and if the blower starts working, it is time to repace the motor.
Was this
answer
helpful?
Yes
No
+2
Thursday, August 5th, 2010 AT 3:15 PM
Tiny
ICE121006
  • MEMBER
  • 6 POSTS
Thanks for the help.Found the power connector for the blower was loose.Works fine now.
One more thing if i could ask you is when i pulled off the panel to get to the blower motor this part fell out and I could not find where it goes.https://www.2carpros.com/forum/automotive_pictures/558307_photo_1.jpg" alt="
https://www.2carpros.com/forum/automotive_pictures/558307_photo_1.jpg" />


https://www.2carpros.com/forum/automotive_pictures/558307_photo2_1.jpg

Was this
answer
helpful?
Yes
No
+1
Friday, August 6th, 2010 AT 8:24 AM
Tiny
ICE121006
  • MEMBER
  • 6 POSTS
Here is another picture.


https://www.2carpros.com/forum/automotive_pictures/558307_photo_2.jpg

Was this
answer
helpful?
Yes
No
Friday, August 6th, 2010 AT 8:25 AM
Tiny
KHLOW2008
  • MECHANIC
  • 41,814 POSTS
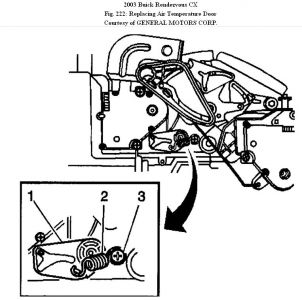
It is the lever for the air temperature door.


https://www.2carpros.com/forum/automotive_pictures/192750_AirTempDoor03BuickFig222_1.jpg

Was this
answer
helpful?
Yes
No
Friday, August 6th, 2010 AT 9:57 AM
Tiny
ICE121006
  • MEMBER
  • 6 POSTS
I guess since it fell out when I removed the panel it goes up there somewere. Where does it exactly go?
And also what does it do? If I leave it off what effect would I have?

Thanks very much for all of your help.
Was this
answer
helpful?
Yes
No
Friday, August 6th, 2010 AT 10:26 AM
Tiny
KHLOW2008
  • MECHANIC
  • 41,814 POSTS
It is for control the air temperature, ie a switch between the heater and A/C. Leait unattached can cause problems with the heater and A/C temperature.

It is on the heater housing at the side. You can see other linkages and levers nearby.

If your vehicle has Auto HVAC then the diagram could be different.


https://www.2carpros.com/forum/automotive_pictures/192750_AirTempDoor03BuickFig76_1.jpg




https://www.2carpros.com/forum/automotive_pictures/192750_AirTempDoor03BuickFig78_1.jpg

Was this
answer
helpful?
Yes
No
+3
Friday, August 6th, 2010 AT 10:44 AM
Tiny
ICE121006
  • MEMBER
  • 6 POSTS
Thank you for all your help.
Was this
answer
helpful?
Yes
No
Friday, August 6th, 2010 AT 12:49 PM
Tiny
KHLOW2008
  • MECHANIC
  • 41,814 POSTS
You're welcome.

Have a nice day.
Was this
answer
helpful?
Yes
No
Friday, August 6th, 2010 AT 2:09 PM

Please login or register to post a reply.