PCV valve location needed

Tiny
POPIRMA
  • MEMBER
  • 2003 BUICK REGAL
  • V8
  • FWD
  • AUTOMATIC
  • 78,500 MILES
How do I find the PCV valve on the 3800 engine? Thanks
Tuesday, November 4th, 2008 AT 11:25 AM

2 Replies

Tiny
JACOBANDNICKOLAS
  • MECHANIC
  • 110,194 POSTS
Hi,

Interestingly, it is somewhat hidden under the fuel injection sight shield. Here are the directions for replacing it. The pics correlate with the directions and show its location.

________________________________

2003 Buick Regal V6-3.8L SC VIN 1
Procedures
Vehicle Powertrain Management Emission Control Systems Positive Crankcase Ventilation Positive Crankcase Ventilation Valve Service and Repair Procedures
PROCEDURES
Positive Crankcase Ventilation (PCV) Valve Replacement (L67)
Removal Procedure

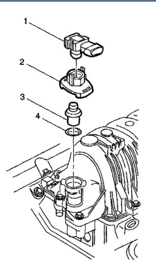
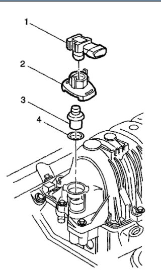
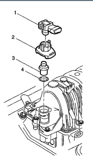
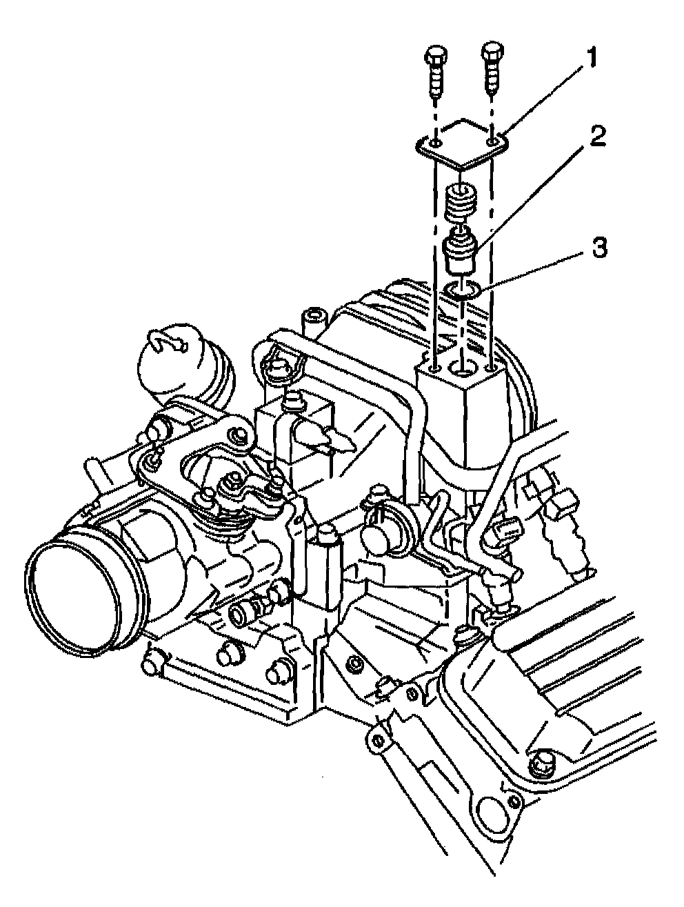
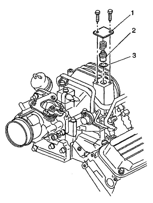
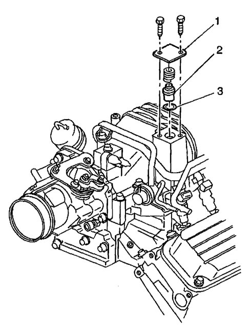
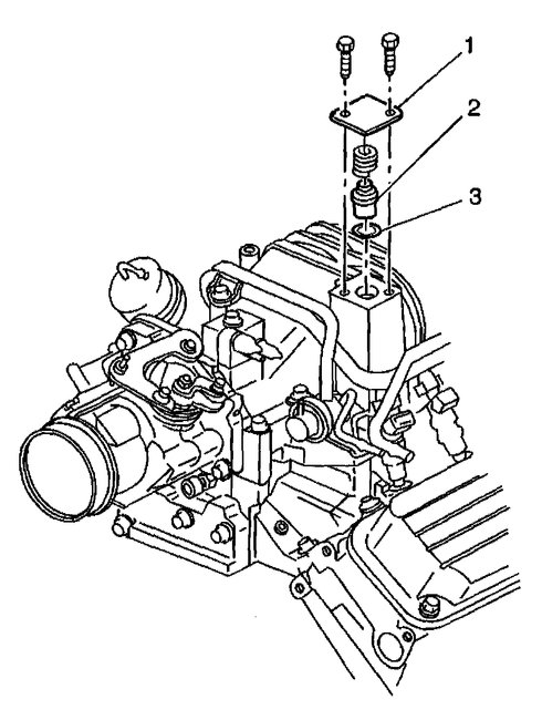
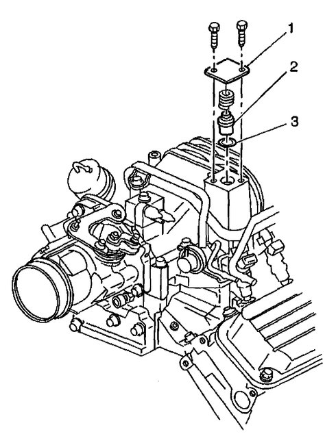
pic 1

1. Remove the fuel injector sight shield.
2. While holding down the PCV valve access cover (1), remove the access cover bolts.
3. Remove the PCV valve access cover (1).
4. Remove the PCV valve (2), the spring, and the O-ring (3) from the supercharger.

Installation Procedure

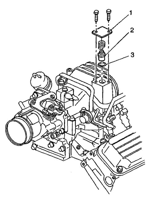
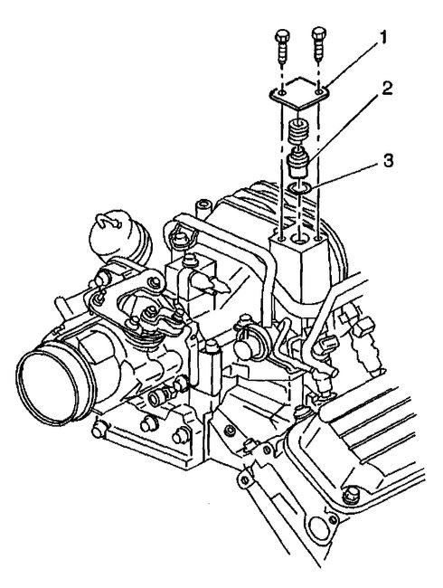
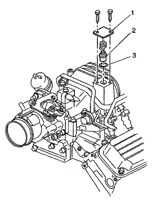
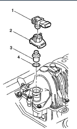
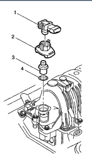
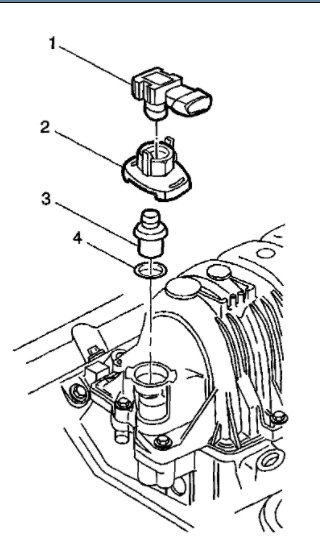
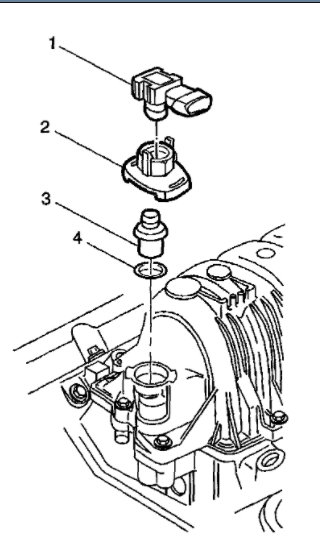
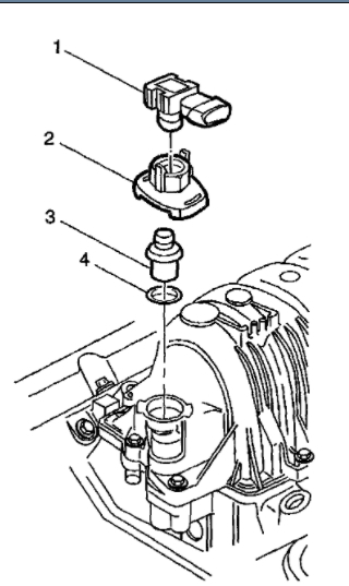
pic 2

1. Install the new O-ring (3), the spring and the PCV valve (2).
2. Install the PCV valve access cover (1).

Notice: Refer to Fastener Notice in Service Precautions.

3. While holding down on the PCV valve access cover, install the access cover bolts.
Tighten the bolts to 10 Nm (89 lb in).
4. Install the fuel injector sight shield.

________________________________________________

I hope this helps. Let me know if you have other questions

Take care and God Bless,

Joe
Was this
answer
helpful?
Yes
No
Thursday, February 4th, 2021 AT 6:26 PM
Tiny
DANNY L
  • MECHANIC
  • 5,648 POSTS
Hello, I'm Danny.

Here is the information on the location and replacement of the PCV valve on your car. I've attached the picture steps below on the location and how to replace the PCV valve on your car. Hope this helps and thanks for using 2CarPros.
Was this
answer
helpful?
Yes
No
Thursday, February 4th, 2021 AT 6:59 PM

Please login or register to post a reply.