Friday, August 3rd, 2007 AT 6:47 PM
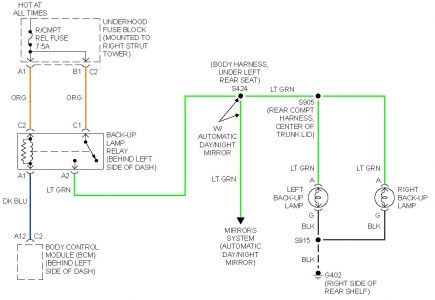
I need to know if the low coolant light has to be reset with a code scanner. The light came on and I topped up the sysyem, but the light stayed on. Where is this sesor located and can it be cleaned? Also my reverse lights will not come on. Bulbs/fuses checked. Tested for power @harness in trunk no juice. Is there a reverse switch. Where?


