Hi rroniger,Welcome to 2carpros and TY for the donation.
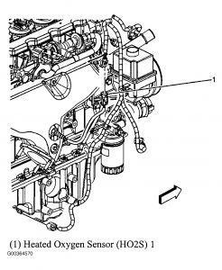
On exhaust manifold, on right side of engine.See diagram below:

HEATED OXYGEN SENSOR REPLACEMENT - POSITION 1
TOOLS REQUIRED
J 39194-B Heated Oxygen Sensor Wrench
REMOVAL PROCEDURE
NOTE:
*Refer to Heated Oxygen Sensor (HO2S) Resistance Learn Reset Notice in Service Precautions.
*Refer to Heated Oxygen and Oxygen Sensor Notice in Service Precautions.

1.Disconnect the heated oxygen sensor (HO2S) electrical connector (1).
2.Remove the HO2S (2) using a J 39194-B.
NOTE: Refer to Excessive Force and Oxygen Sensor Notice in Service Precautions.
INSTALLATION PROCEDURE
IMPORTANT: Use special anti-seize compound on the heated oxygen sensor threads. The compound consists of graphite suspended in fluid and glass beads. The graphite burns away, but the glass beads remain, making the sensor easier to remove. New service sensors already have the compound applied to the threads. If you remove an oxygen sensor and if for any reason you must install the same oxygen sensor, apply the anti-seize compound to the threads before reinstallation.

1.Coat the threads of the heated oxygen sensor with the anti-seize compound P/N 5613695, or the equivalent if necessary.
2.Install the heated oxygen sensor (2) using a J 39194-B.
NOTE: Refer to Component Fastener Tightening Notice in Service Precautions.
Tighten the HO2S to 41 N.m (30 lb ft) .
3.Connect the HO2S electrical connector (1).
Monday, October 25th, 2010 AT 11:22 AM