Thermostat Replacement
*Tools Required
*J 38185 Hose Clamp Pliers
Removal Procedure

1.Remove the engine cover.
2.Drain the cooling system.
3.Using the J 38185 loosen and move the inlet radiator hose clamp at the thermostat housing.
4.Remove the inlet hose from the housing.
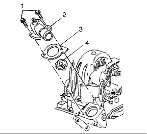
5.Remove the thermostat housing bolts (1).
6.Remove the thermostat housing (2).
7.Remove the thermostat (4).
8.Clean the gasket mating surfaces and the housing and intake port.
Installation Procedure

1.Install the thermostat (4).
2.Install the thermostat housing (2) and a new gasket (3). Notice: Refer to Fastener Notice in Service Precautions.
3.Install the thermostat housing bolts (1).
*Tighten the thermostat housing bolts to 20 Nm (15 ft. lbs.).

4.Install the inlet radiator hose and clamp.
5.Refill the cooling system.
6.Install the engine cover.
Wednesday, January 13th, 2010 AT 12:56 AM