It's my wife's car.
The parking brake pedal is stuck in the up position and will not move. I was the one who was driving when it broke. We were in Florida on our way home to Michigan when I stopped to get some gas. I pressed the pedal down in a normal fashion and it stuck. I pressed it several times hard and finally it released but it was then stuck in the up position and has been for 8 months.
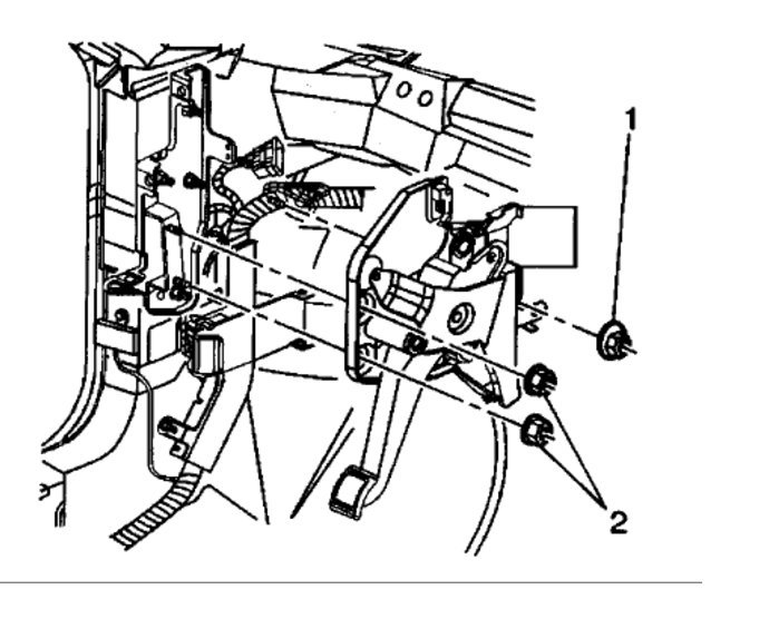
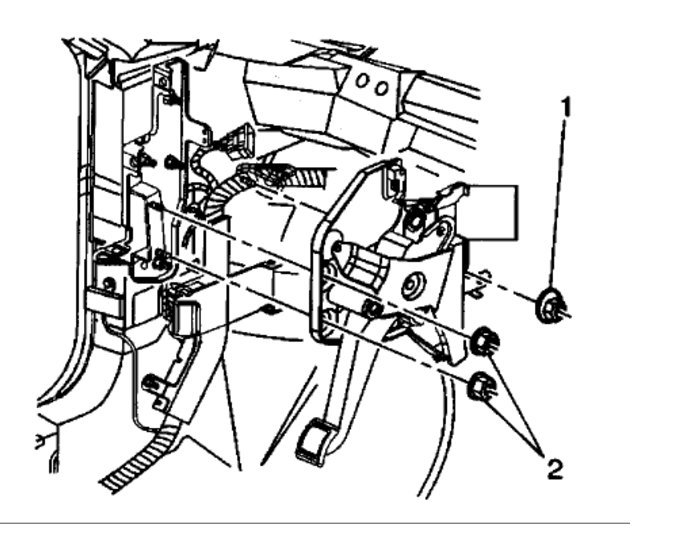
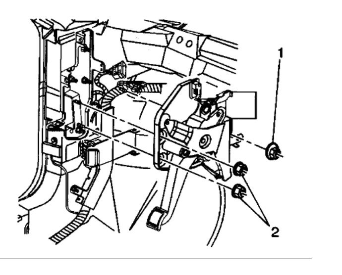
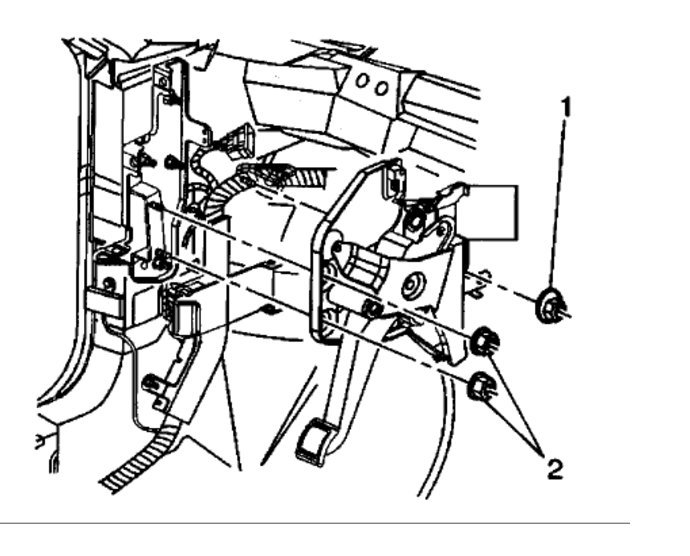
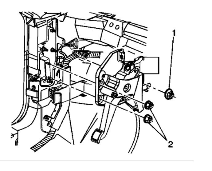
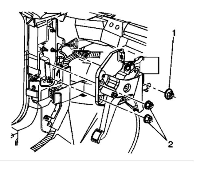
I had Midas look at it. The cables and parking brake systems are fine and not jammed. It's just the pedal that's jammed. They said it is a terrible job to fix and would cost a fortune. They just threw up their hands and said don't worry about it.
Is it as hard as they say it is to replace that pedal assembly?
Living in Michigan, we don't use the parking brake very much in the winter but it would be nice to know it was there and working if we needed to.
Thanks.
Norm
Saturday, December 27th, 2008 AT 9:40 PM





