1.Disconnect the negative battery cable.
2.Remove the coolant recovery reservoir and position it aside.
3.Remove the serpentine drive belt from the power steering pump assembly.
4.Detach the ignition control wiring harness near the pump assembly.
5.Disconnect the inlet and outlet hoses from the pump assembly.
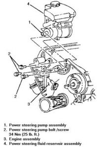
6.Unfasten the pump retaining bolts/screws.
7.Remove the pump assembly from the vehicle.
8.Remove the power steering pump pulley from the pump assembly.
9.Remove the reservoir assembly from the pump.

To install:
1.Attach the reservoir to the pump assembly.
2.Install the pulley to the pump.
3.Position the pump to the engine and secure with the retaining bolts/screws. Tighten the bolts/screws to 25 ft. lbs. (34 Nm).
4.Connect the inlet and outlet hoses to the power steering pump.
5.Attach the ignition control wiring harness at the pump assembly.
6.Install the serpentine drive belt over the power steering pump pulley.
7.Install the coolant recovery reservoir.
8.Connect the negative battery cable.
9.Fill and bleed the power steering system.
Sunday, January 24th, 2010 AT 1:08 AM