Hello -
Is this the information you are looking for?

Important: The wheel bearing in the rear wheel hub is integrated into one unit. The hub is non-serviceable. If the hub and/or bearing is damaged, replace the complete hub and bearing assembly.
Raise and suitably support the vehicle. Refer to Vehicle Lifting.
Remove the tires and wheels. Refer to Tire and Wheel Removal and Installation.
Remove the rear caliper and bracket. Refer to Brake Caliper Bracket Replacement - Rear in Brakes and Traction Control.
Remove the brake rotor. Refer to Brake Rotor Replacement - Rear in Brakes and Traction Control.
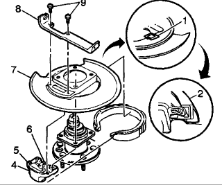
Remove the ABS electrical connector from the wheel speed sensor (1).

Remove the rear wheel hub and park brake assembly.

Remove the park brake lever bracket (8).
Remove the park brake actuator (6).
Installation Procedure

Install the park brake lever bracket (8).
Install the park brake actuator (6).

Install the rear wheel hub and park brake assembly to the knuckle. Notice: Refer to Fastener Notice in Service Precautions.
Install new rear wheel hub-to-knuckle bolts.
Tighten the hub mounting bolts to 75 Nm (55 ft. lbs.)

Install the ABS electrical connector from the wheel speed sensor (1).
Install the brake rotor. Refer to Brake Rotor Replacement - Rear in Brakes and Traction Control.
Install the rear caliper and bracket. Refer to Brake Caliper Bracket Replacement - Rear in Brakes and Traction Control.
Install the tires and wheels. Refer to Tire and Wheel Removal and Installation.
Lower the vehicle.
Friday, November 28th, 2008 AT 11:54 AM