Power window wiring please?

Tiny
CARL XU
  • MEMBER
  • 1999 BUICK CENTURY
  • 6 CYL
  • 2WD
  • AUTOMATIC
  • 93,000 MILES
No power to circuit breaker, I'd like to know the wiring diagram from the breaker to Power source.

Thank you! Carl
Sunday, June 1st, 2008 AT 9:34 PM

20 Replies

Tiny
JDL
  • MECHANIC
  • 16,098 POSTS
If your vehicle has ( retained accessory power, rap ), the voltage to the circuit breaker comes from the accessory timed delay relay, the voltage to the relay comes from ign 2 maxi fuse 60 amp, should be under the hood. I didn't look to see what else that fused circuit controlled. As far as a blown fuse, I don't usually get that lucky. Check out the diagrams (Below). Please run this test and get back to us.
Was this
answer
helpful?
Yes
No
Monday, June 2nd, 2008 AT 4:31 PM
Tiny
HAZGRAY
  • MEMBER
  • 10 POSTS
  • 1994 BUICK CENTURY
  • 6 CYL
  • FWD
  • AUTOMATIC
  • 131,000 MILES
Hi,
I recently bought a 1994 Buick Century. The front Power windows will not work. I bought a new motor and removed the front passenger drive motor. I tested the old one and found it to be really weak. I have lubed the track and moved on. At the switch on the passenger side I only get voltage for the Power Locks. I get nothing for the windows. I have checked the "circuit breaker" for continuity-it's fine. I get voltage at the fuse pannel for the windows (the rear ones work fine). My Chil#on manual is dissapointingly vauge on this subject.? Are there any fusible links involved in this system? Does the passenger side switch rely on the driver side switch for voltage? Any bases I haven't covered? Throw be a bone, please. I.E. Test points etc.
Was this
answer
helpful?
Yes
No
Tuesday, August 4th, 2020 AT 12:34 PM (Merged)
Tiny
SERVICE WRITER
  • MECHANIC
  • 9,123 POSTS


https://www.2carpros.com/forum/automotive_pictures/30961_buicen_1.jpg



Based on the diagram, I would say the passenger switch relies on the master switch.

However electrical is not my strong point.
Was this
answer
helpful?
Yes
No
+2
Tuesday, August 4th, 2020 AT 12:34 PM (Merged)
Tiny
HAZGRAY
  • MEMBER
  • 10 POSTS
Thanks for the quick reply. I'm a bit of a retard when it comes to electrical diagrams. Ask me to rebuild a SB Chevy, no problem. Tell me to install an am Radio and my-you know what-puckers right up! Based on your diagram, which points should I "jump" over to supply the passenger side directly with power? Your diagram is much more enlightening than the chilton B&W garbage. The resolution is a bit weak in this format. Are the "up and down" legs going to the passenger side switch assy. GRY and DK BLU?

Thanks,
:
Was this
answer
helpful?
Yes
No
+2
Tuesday, August 4th, 2020 AT 12:34 PM (Merged)
Tiny
SERVICE WRITER
  • MECHANIC
  • 9,123 POSTS
Thank you for the donation, I sent you the diagram in full. IF there are anything that is still not clear, I can try to help.
Was this
answer
helpful?
Yes
No
+2
Tuesday, August 4th, 2020 AT 12:34 PM (Merged)
Tiny
HAZGRAY
  • MEMBER
  • 10 POSTS
What can I say, I think that you have done all you can. The rest is up to me. I do sincerely appreciate your help. I only regret that I have but (0) points to award you! (How do I earn points anyway?). Rest assured that as soon as I do have some points to divy out, your name will be at the top of the list. BTW is the info you gave me available to the average Joe? I will always try and fix something myself before going to the dealership. No offense, I just can't afford $95 per hour labor.
Was this
answer
helpful?
Yes
No
+2
Tuesday, August 4th, 2020 AT 12:34 PM (Merged)
Tiny
SERVICE WRITER
  • MECHANIC
  • 9,123 POSTS
The info is available at the link on my signature.

For the hell of it, click on "give feedback" and see what it does. Supposedly, you have 5 points, but it just isn't recognized. Don't ask about the logic of it.

Good luck, post an update.
Was this
answer
helpful?
Yes
No
+3
Tuesday, August 4th, 2020 AT 12:35 PM (Merged)
Tiny
HAZGRAY
  • MEMBER
  • 10 POSTS
No dice on my points. I now show 0.2 points. I'll definately keep you posted.
Was this
answer
helpful?
Yes
No
+2
Tuesday, August 4th, 2020 AT 12:35 PM (Merged)
Tiny
MASTERTECHTIM
  • MECHANIC
  • 4,750 POSTS
Heres one thing I find on a lot of these window problems. Using a razor blade cut open the rubber boot between the door and vehicle. I usually find the wiring broken from years of opening and closing. Just food for thought
Was this
answer
helpful?
Yes
No
+2
Tuesday, August 4th, 2020 AT 12:35 PM (Merged)
Tiny
HAZGRAY
  • MEMBER
  • 10 POSTS
The boots on this car will pop out. I'll give it a shot. It is a real pain in the neck lying upside-down with my head on the floormat and my feet on the driveway! Oh, how I LUST for a lift!
Was this
answer
helpful?
Yes
No
+2
Tuesday, August 4th, 2020 AT 12:35 PM (Merged)
Tiny
SERVICE WRITER
  • MECHANIC
  • 9,123 POSTS
LOL. Bigger toys. Bigger problems!

That's a great point Tim makes and would fit well on the situation.
Was this
answer
helpful?
Yes
No
+1
Tuesday, August 4th, 2020 AT 12:35 PM (Merged)
Tiny
HAZGRAY
  • MEMBER
  • 10 POSTS
Thanks to all. The problem is solved. The large ground wire going through the driver side door was broken. A 5 cent connector solved the problem. Later, I'm going to post a "lessons learned" rundown for future viewers.

Aut viam, invenium aut faciam!

I think it goes
Was this
answer
helpful?
Yes
No
+1
Tuesday, August 4th, 2020 AT 12:35 PM (Merged)
Tiny
SERVICE WRITER
  • MECHANIC
  • 9,123 POSTS
Looking forwad to that post.

Can't asy I've heard of that saying, but I like it.
Was this
answer
helpful?
Yes
No
+1
Tuesday, August 4th, 2020 AT 12:35 PM (Merged)
Tiny
HAZGRAY
  • MEMBER
  • 10 POSTS
Recap:
I bought a 1994 Buick Century with faulty front power windows. No movement at all. After getting a quote to have the work done, I decided to tackle the job myself. I bought a Chilton and jumped right in.
Now for the lessons learned:
1) Don't bother with the Chilton manual. In the past they were at the top in my book. Now I have extra toilet paper.
2) Donate to 2carpros. The info I got here was top notch. So much so, that I'm sure I would still be bangin' my knuckles if it were not for the knowlege I got here.
3) Test your fuse and power at the fuse.
4) Test your window motor(s). After you have taken off the door pannel, bare a small section of the wires leading to your power window motor and connect a 12v battery to them. You will find out if the motor is any good.
5) Slice open the boot leading from the body of the car to your door. This is where I found my problem. The large ground wire (black) was broken. It is the largest wire going through the hole, which makes sense because any break in the insulation of that wire will focus stress at that point when you open and close your door.
6) Start the process at the drivers side. The switch on this side feeds the entire passenger side. A broken wire, bad switch or any other Gremlin here will throw you off on the passenger side.
7) Lubricate the track and "Tape" that raise and lower the window. When I first put my hands on the tape and tried to close the window manualy, it would not budge. I liberaly hosed it down with "The 9th Wonder Of The World" WD-40. Then I drenched it with white lithium grease, the kind in the spray can. I was able to raise and lower the window with my hand. The dry track and tape put a tremendous load on the motor.
MISC) While you are at the parts store remember to buy door panel retaining clips. Undoubtedly you will break a few removing the panel. If you have to replace a motor, keep a kid handy. Thier little hands will save you from extensive skin and blood loss.

A six pack and some good luck go a long way!

Thanks.
Was this
answer
helpful?
Yes
No
+3
Tuesday, August 4th, 2020 AT 12:35 PM (Merged)
Tiny
MASTERTECHTIM
  • MECHANIC
  • 4,750 POSTS
Trust me when I tell you that people like you showing gratitude and actually doing the things we techs love is what motivates us to spend countless hours on the computer for not much money. We thank you. Tim
Was this
answer
helpful?
Yes
No
+1
Tuesday, August 4th, 2020 AT 12:35 PM (Merged)
Tiny
SERVICE WRITER
  • MECHANIC
  • 9,123 POSTS
Thanks for the update, that was very kind of you. There are so many posts that we never hear back from and everyone loses that way.

Chiltons has almost become an extravagant owner's manual.
Was this
answer
helpful?
Yes
No
+2
Tuesday, August 4th, 2020 AT 12:35 PM (Merged)
Tiny
SEDGEWICK MACKUBBIN
  • MEMBER
  • 3 POSTS
Hello. I have recently purchased a 94 Buick Century. And I tell you what. This is deadly driving without being able to roll windows down. I’ve checked the main areas all seem to be in place before I do anything dramatic. Like break a window. Jk. I think I’ll cut the boot between the door and vehicle to see if any wires are crimped torn or frayed. If that’s not the case maybe there is a main fuse somewhere. Although the back
Passenger window works Any thought or ideas.
Anything helps.
Sedgewick M
Was this
answer
helpful?
Yes
No
Tuesday, August 4th, 2020 AT 12:35 PM (Merged)
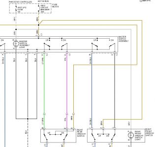
Tiny
KASEKENNY
  • MECHANIC
  • 18,907 POSTS
Take a look at the attachments. This is the wiring diagram for these circuits. You will see that each of the motors is run off of the same 30 Amp fuse which feeds directly to the master window switch. Then each other switch is feed off of that. You may not be wrong that it could be a wiring issue to the motor but it is not a fuse if the passenger rear works.

Let's check the wiring as you said and then maybe just run new wiring from the switch to the motor to see if it works. If it does then it is definitely wiring.
Was this
answer
helpful?
Yes
No
+1
Tuesday, August 4th, 2020 AT 12:35 PM (Merged)
Tiny
SEDGEWICK MACKUBBIN
  • MEMBER
  • 3 POSTS
Thank you I appreciate your response. Later today I should have time to mess with it.
Was this
answer
helpful?
Yes
No
+1
Wednesday, August 5th, 2020 AT 6:12 AM
Tiny
SEDGEWICK MACKUBBIN
  • MEMBER
  • 3 POSTS
Is it okay to run power from car battery to test the windows? Or am I liable to short something out?
Was this
answer
helpful?
Yes
No
Wednesday, August 5th, 2020 AT 1:15 PM

Please login or register to post a reply.