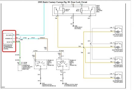
1995 Buick Century Two Wheel Drive Automatic 68,000 miles
So the problem starts one day while I'm driving and my electrical locks keep locking on their own while I'm driving down the road constantly. Then when I park my car my ceiling light and floor lights never go out. So I try reopening all the doors and closing them firmly so that maybe they'll shut off. I got them to go out but I came back out to my car about 30 minutes later and they had come back on at some point. I thought maybe some condensation got down in the controls but it kept doing it for a few days til finally it had drained my battery. So I got my car started again and when I came to park it I pulled the fuse for the interior lights out so I couldn't kill my battery over night. Next day the battery was more dead than ever. So I'm not sure what the source of the problem is nor how I would go about fixing it. Any thoughts?
Sunday, January 11th, 2009 AT 4:24 PM



