Brake light wire

Tiny
JULIE ARTHUR
  • MEMBER
  • 2000 VOLVO V40
  • 2.0L
  • 2WD
  • AUTOMATIC
  • 90,000 MILES
I need to replace the wire for the third brake light (top of window) where the wire have worn from the use of the estate rear door. No idea what wire, where to get it (if I knew what may help) and how to work out which wire is for what and cut and replace, I am kind of new to this.
Wednesday, December 21st, 2016 AT 11:57 AM

2 Replies

Tiny
HMAC300
  • MECHANIC
  • 48,601 POSTS
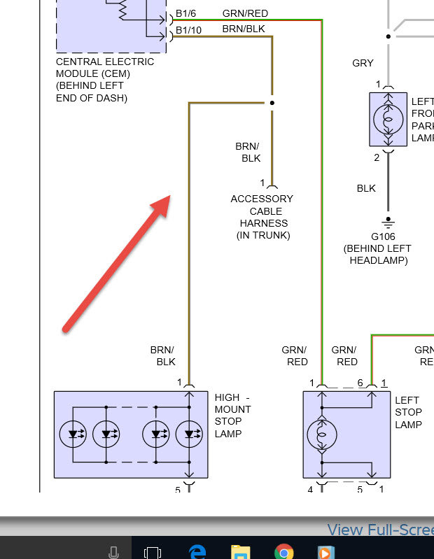
See picture. Make sure wire has power coming from gem module and wire is pointed out black wire is for ground at right rear of trunk.
Was this
answer
helpful?
Yes
No
Wednesday, December 21st, 2016 AT 12:05 PM
Tiny
CARADIODOC
  • MECHANIC
  • 34,489 POSTS
I am a tad confused. We typically replace a wire that we find to be broken after troubleshooting a dead circuit. It sounds like you are assuming a wire is broken because a light does not work, but you have not actually diagnosed it as such.

If you just want to know which wire is for a specific circuit, I can look that up on a wiring diagram. When you replace a wire, the only way you will ever get the same color is to chop off a piece from a car in a salvage yard. Wires on domestic cars are a solid color with a solid stripe, (tracer), of a different color. Import car wires commonly are a solid color with additional stripes and colored dots. You can only get bulk wire at an auto parts store that is a solid color, no stripes.

The replacement piece of wire does not have to be the same color. It just needs to be the same diameter, (gauge). You will want to cut the old section out in areas where it has not been flexing. Solder the new section on both ends, and seal those splices with heat-shrink tubing. Never use electrical tape in a car. It will unravel into a gooey mess on a hot day.
Was this
answer
helpful?
Yes
No
Wednesday, December 21st, 2016 AT 12:12 PM

Please login or register to post a reply.