Brand new starter needed to be tapped

Tiny
NERYSIS
  • MEMBER
  • 1995 DODGE NEON
  • 2.2L
  • 4 CYL
  • 2WD
  • AUTOMATIC
  • 186,000 MILES
I put a brand new starter into my neon. It operated fine for a day, and then it would not start again. After tearing it down to verify the connection to the starter and putting it back together, it did not start again.

After doing that, I had a helper tap the starter while I cranked it. It started. I got the vehicle home and I have tried to start it several time since (At irregular intervals) and it has started just fine.

Is my brand new starter messed up, or could it have just been a connection issue that I did not anticipate but managed to accidentally/on purpose repair?
Saturday, October 26th, 2019 AT 5:52 PM

4 Replies

Tiny
CARADIODOC
  • MECHANIC
  • 34,463 POSTS
Chances are it's the starter, but also, chances are it is rebuilt, not brand new. A brand new one usually only comes through the dealer, and then only for a car that's still under warranty. To buy a brand new one would be horribly expensive.

The chances of getting a defective rebuilt starter are very low, however, there are things that could have been wrong with it when the last person turned it in as a core, that didn't get caught in testing. Your first step should be to get it exchanged at the store you bought it from. Put a detailed list in the box, then, when it gets sent back, they're going to look a lot closer at it. If you have the same problem with the next starter, we'll dig deeper to solve this.

There's three things that can cause what you described. The first one is a warped solenoid housing. GM had a big problem with this right after they redesigned their starters and generators for the '87 model year. The starter would work normally when the engine was cold, but when it warmed up, the housing would warp and prevent the solenoid plunger from moving freely. Sometimes it would move far enough for the drive gear to engage the ring gear. Sometimes it made no sound at all. That problem was solved a long time ago, so that shouldn't be a problem with any rebuilt unit now.

The second problem has to do with burned-away contacts inside the solenoid. Pretty good chance that is what was wrong with your old starter. The common complaint is there's one single, rather loud clunk each time the ignition switch is turned to "crank", but it doesn't spin the engine. Cycling the ignition switch multiple times will finally get it to crank. That starts out occurring once a week, then once a day, then it gets progressively worse, as in the case when someone ignored his mother's complaints until the day it took her 700 attempts at cycling the switch, until she lost count, and got a blister on her thumb, before it finally started. You can be sure I heard about it that day. The fix for that is to replace the contacts, and if the contact disc on the plunger is badly pitted, that too. The kits for this are available at farm and home stores for about $12.00, or, if you have a starter / generator rebuilder in your city, as most do, the contacts cost about 6.00 for the pair. Most people just replace the entire starter.

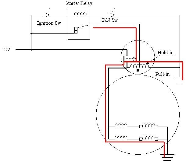
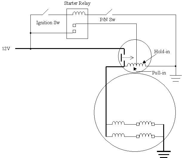
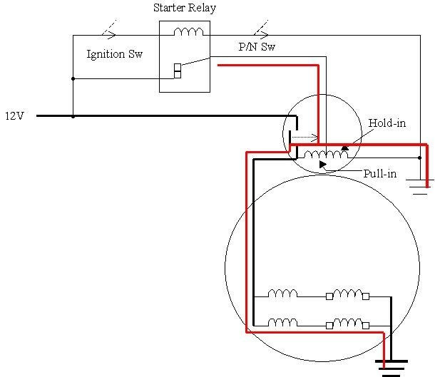
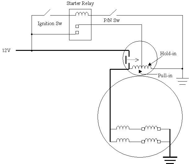
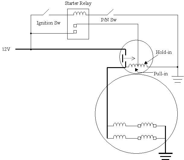
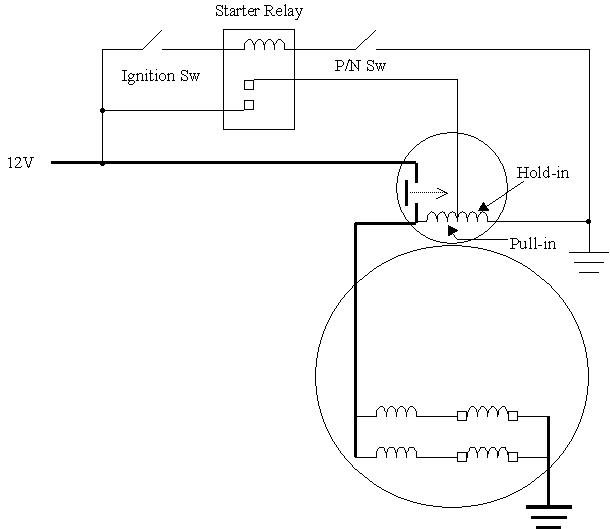
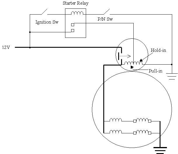
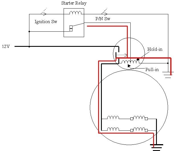
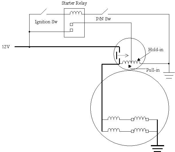
The third cause is much less common, and very elusive. First the circuit operation must be explained. The first diagram is from the Notes Pages I handed out in class. It shows a typical starter circuit.

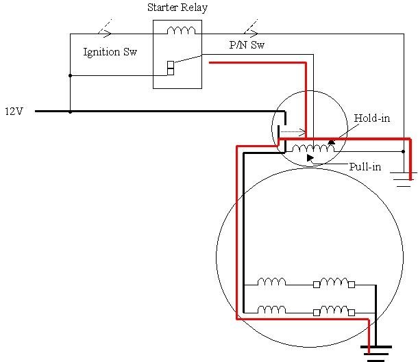
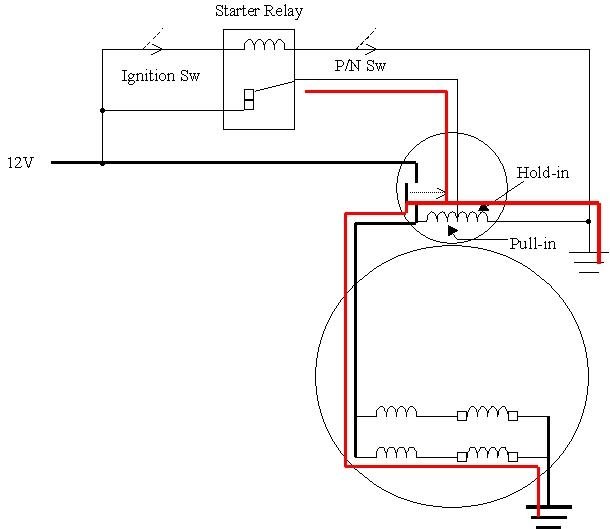
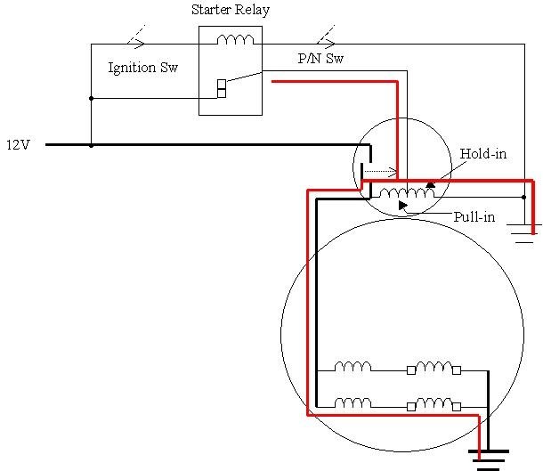
The second diagram shows it is energized. The starter relay is turned on, and current that flows through it flows through two paths, shown with the red lines. One path goes to the right, through the "hold-in" coil, then to ground. The second path goes to the left, through the "pull-in" coil, then it goes to ground through the armature and field windings of the starter motor. Those are so extremely low in resistance that for all practical purposes, it's a large piece of wire connected directly to ground. This creates two electromagnets that together are strong enough to move the plunger and push the drive gear into mesh with the ring gear.

Once the plunger reaches the end of its travel, the contact disc on it connects the 12 volts from the battery directly to the starter motor. In so doing, 12 volts appears on both sides of the pull-in coil, one side from the battery, and the other side from the starter relay. With the same voltage on both side, the difference is 0 volts, so current stops flowing through it.

The important point is the hold-in coil's electromagnetic field is strong enough to hold the plunger and drive gear engaged while the starter cranks the engine, but it is not strong enough to tug it there by itself. Both coils are needed to get it to engage, but one can hold it there by itself. By switching the pull-in coil off, that current can be used by the starter motor. That might be just the little extra current it needs to get the job done on a cold day.

The problem that can develop is a break in the pull-in winding. You find 12 volts getting to the smaller solenoid terminal on the starter, but the solenoid doesn't engage. You don't hear the normal loud clunk it should make.

This is the exact type pf problem I referred to that can be overlooked when the starter is being rebuilt. The worst way to test a starter is off the engine when it isn't forced to work very hard. Under those conditions, it's real easy for the plunger to engage when only one of the coils is working. Once you put it on your engine, the hold-in coil isn't strong enough by itself, until you tap on the housing and jar it a little.
Was this
answer
helpful?
Yes
No
+1
Saturday, October 26th, 2019 AT 8:10 PM
Tiny
NERYSIS
  • MEMBER
  • 3 POSTS
I have, since I've gotten home, started it without issues, went out to two stores (In the same trip) without issue, and gotten home again, and started it over just to see since. I have not had to tap it again.
Was this
answer
helpful?
Yes
No
Saturday, October 26th, 2019 AT 8:23 PM
Tiny
CARADIODOC
  • MECHANIC
  • 34,463 POSTS
That doesn't mean it fixed itself, but I'll keep my fingers crossed. Keep me updated on what happens in the next week or two.
Was this
answer
helpful?
Yes
No
+1
Saturday, October 26th, 2019 AT 8:46 PM
Tiny
NERYSIS
  • MEMBER
  • 3 POSTS
Okay, it did it again, but thankfully I am at home and have a replacement lined up.
Was this
answer
helpful?
Yes
No
Sunday, October 27th, 2019 AT 12:52 PM

Please login or register to post a reply.