Brakes and turn signals lights not working

2000 CHEVROLET 3500
80,000 MILES • V8 • 2WD • AUTOMATIC
Avatar
FRANK1948
  • MEMBER
  • 1 POST
Fuse is good, but lights don't work. Left or right turn signal or brake lights won't light.
Jun 8, 2020 at 7:46 AM
Advertisement
Repair Safety Notice: This information is for general instructional purposes only. Vehicle repair can be dangerous. Verify all information, follow manufacturer service procedures, use proper tools and safety equipment, and consult a qualified repair shop when needed.
Avatar
STRAILER
  • AUTOMOTIVE REPAIR CONTRIBUTOR
  • 54,128 POSTS
Hello,

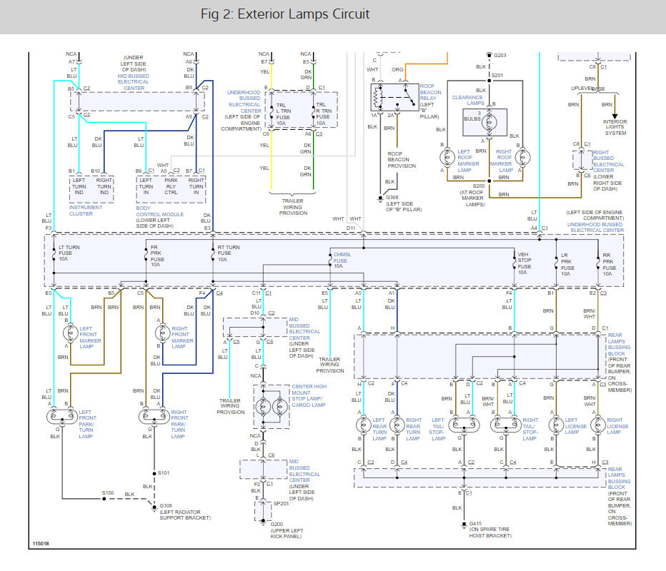
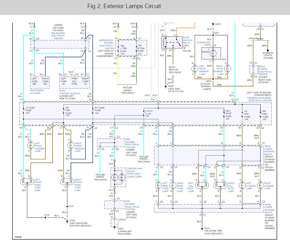
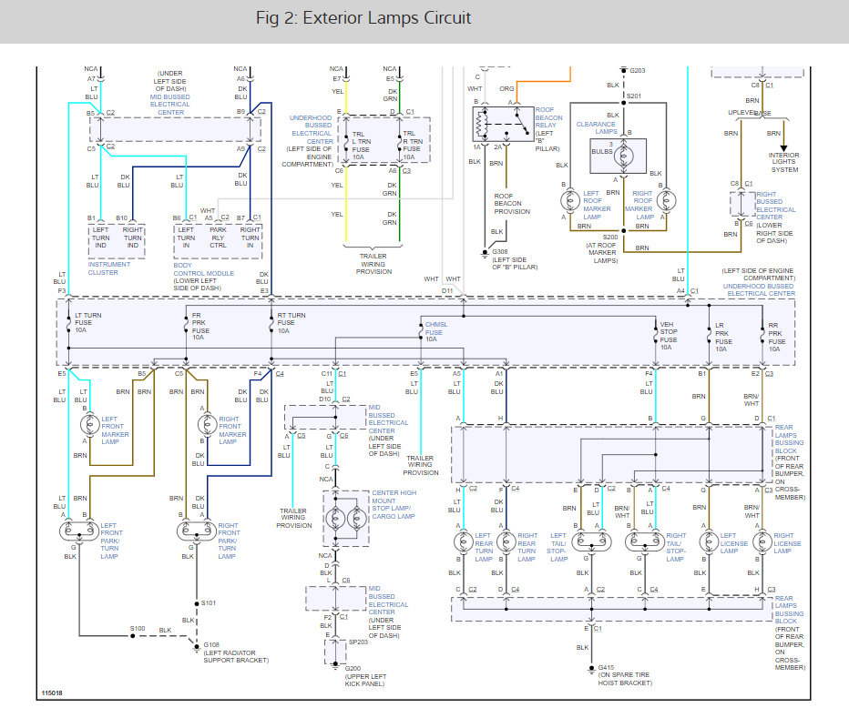
This is common when the turn signal switch goes out but to be sure here is the blinker wiring diagrams and a guide to help check for power at the turn and hazard fuses at the dash fuse panel and under the hood. The wiring diagrams shows you the fuses you should check.

https://www.2carpros.com/articles/how-to-check-a-car-fuse

Check out the diagrams (below). Please let us know what you find.
Jun 9, 2020 at 11:52 AM