Brakes not working properly

Tiny
STEPHEN DANIELS
  • MEMBER
  • 2012 CHRYSLER TOWN AND COUNTRY
  • 3.8L
  • 4 CYL
  • AUTOMATIC
  • 220,000 MILES
Thought brake pads needing changing but changed brakes and rotors and the brake pedal when pressed kinda pulsates and pushes back and makes weird noises and it does not stop when you need it to.
Saturday, July 24th, 2021 AT 8:03 AM

1 Reply

Tiny
JACOBANDNICKOLAS
  • MECHANIC
  • 110,192 POSTS
Hi,

If you feel the brake pedal pushing back, pulsating, and hear a noise, it sounds like the anti-lock brakes are actuating. Is the ABS light on?

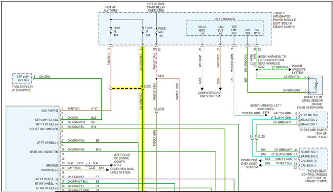
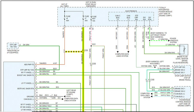
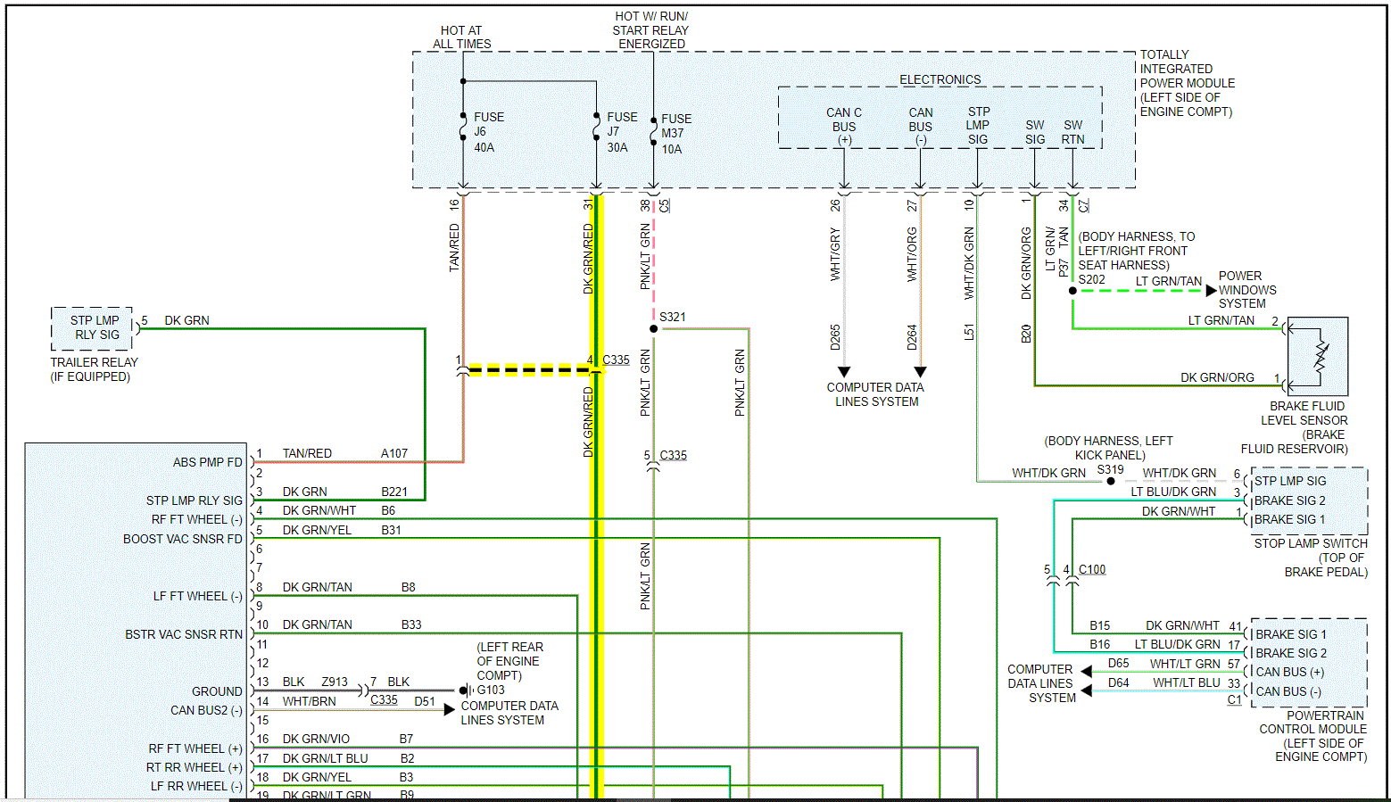
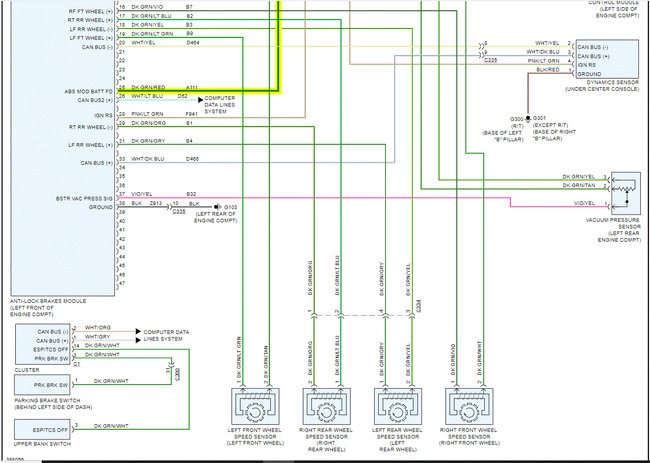
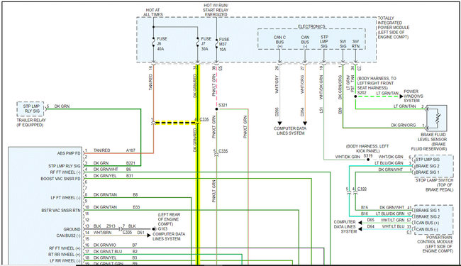
Here is what I want you to try. In the underhood power distribution box, locate fuse J7 fuse. That is for the ABS module. Remove the fuse. This will set the ABS codes and traction control if you have it, but it will also disable the anti-lock circuit. You will still have normal braking, but the ABS won't work if you skid.

So, remove that fuse, find a safe place to test drive the vehicle, and see if the symptoms are gone.

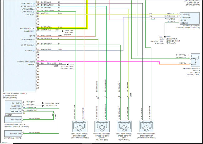
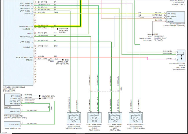
I attached the entire wiring schematic for the ABS system. I highlighted the fuse

Let me know what you find.

Take care,

Joe

See pics below.
Was this
answer
helpful?
Yes
No
Saturday, July 24th, 2021 AT 8:30 PM

Please login or register to post a reply.