Brake pedal switch

Tiny
DRAGONSLAYER6557
  • MEMBER
  • 1986 FORD F-350
  • V8
  • 2WD
  • AUTOMATIC
  • 103,000 MILES
Brake lights don't work when pedal is pushed.
Wednesday, June 26th, 2019 AT 5:45 PM

1 Reply

Tiny
JACOBANDNICKOLAS
  • MECHANIC
  • 110,192 POSTS
Welcome to 2CarPros.

First, check fuse 1 in the fuse panel. See pic 1 for location. Also, it is a 15 amp fuse. Additionally, check the circuit for power.

https://www.2carpros.com/articles/how-to-check-a-car-fuse

If the fuse is good and there is power at the fuse circuit, follow this next test.

BRAKE STOP LAMP SWITCH AND CIRCUIT TEST
Perform this test only when brake application will not disconnect the speed control system.
1. Check operation of stop lamps by applying approximately 6 lbs. of pressure to brake pedal. If more than 6 lbs. is required, check brake pedal actuation and stop lamp switch.
2. If stop lamps do not function properly, check bulbs, circuit fuse or stop lamp switch.
3. If stop lamps function properly, check for battery voltage at 6 way connector using black wire w/green stripe on 1980 models, 1981-83 E-100-350 and 1984-87 E-150-350 series, or white wire w/pink stripe on 1981-82 F-100-350 and Bronco series, or white wire w/purple stripe on 1983 F-100-350, Bronco and Ranger, 1984-87 F-150-350, Ranger, 1984-87 Bronco II and 1986-87 Aerostar.
4. Depress brake pedal until stop lamps are illuminated. Check voltage at red wire w/black stripe on 1980 models, 1981-83 E-100-350 and 1984-87 E-150-350 models, or the light green wire on 1981-83 F-100-350 and Bronco, 1984-87 F-150-350 and Bronco, 1983-87 Ranger, 1984-87 Bronco II and 1986-87 Aerostar. The difference between the two voltage readings must not exceed 1.5 volts. If voltage is greater, a high resistance exists in the circuit and must be found and corrected.

If you find the brake light switch is bad, here are the directions for replacement.

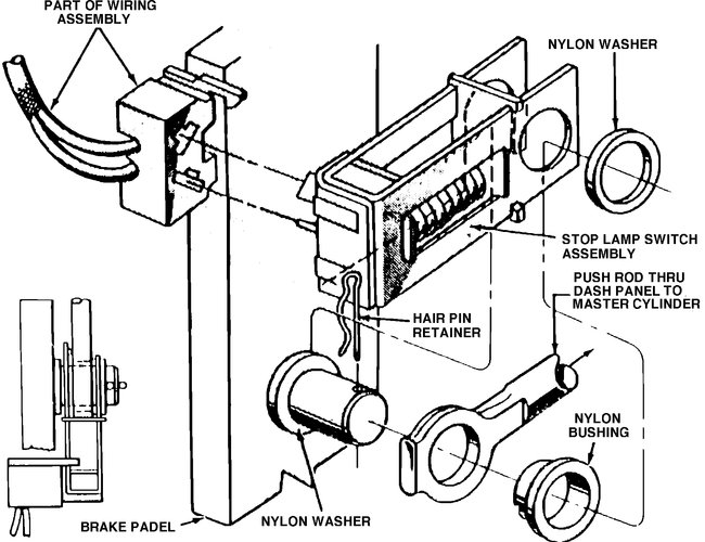
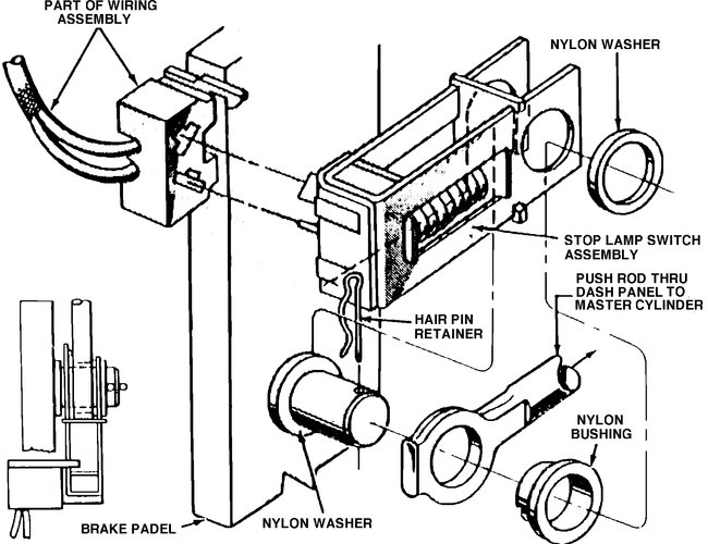
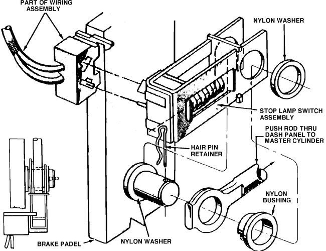
ig. 6 Stop light switch replacement. Exc. 1980---83 E-100 w/manual brakes.

Fig. 7 Stop light switch replacement. 1980---83 E-100 w/manual brakes

1. Disconnect battery ground cable.
2. Disconnect electrical connector from switch, Figs. 6 and 7.
3. Remove hairpin retainer, then slide stop light switch, pushrod, nylon washers and bushings away from pedal and remove the switch from vehicle.
4. Reverse procedure to install. Ensure stop light switch wires are of sufficient length to allow full travel of the brake pedal.

Check out the diagrams (Below). Please let us know what happens.
Was this
answer
helpful?
Yes
No
+1
Wednesday, June 26th, 2019 AT 9:40 PM

Please login or register to post a reply.